粗糙度标注是用CAD软件进行机械设计时经常需要进行的操作,但是,由于根据机械设计规则,粗糙度符号一般要随所标示表面旋转,再加上一些主流的CAD软件并没有专用于标示粗糙度符号的工具,这给粗糙度的标注带来了许多不便。
那么,如何进行粗糙度标注呢?比较常用的办法是将粗糙度符号绘制成块,根据需要进行插入或旋转——绘制过粗糙度符号的设计师都知道,这绝不是最方便的办法。那么,究竟有没有更快捷、更方便的方式呢?
今天,利用浩辰CAD2012测试版新加入的“动态块”功能,我们来向大家演示一下标注粗糙度符号的“快捷方式”。
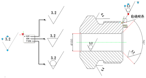
考虑到粗糙度符号的各种变化,我们在创建粗糙度动态块时不但可以添加可见性功能,用于选取不同的粗糙度符号(如图1左)。还增加了自动对齐功 能,使符号能够根据所标注的表面自动调整角度(如图1右)。同时,添加翻转功能,用于改变粗糙度文字的方向(如图2),还可以将粗糙度值设为属性文字,根 据需要随时修改(如图3)。

图1 左:选择合适的粗糙度符号 右:符号自动对齐

图2 改变文字方向

图3 修改粗糙度值
将粗糙度符号制成动态块的方法可谓一劳永逸,不但可以使符号自动对齐,省了旋转的麻烦,还可以很方便的进行数值的修改和符号的选择。拥有这样一个动态块,犹如拥有了粗糙度符号标注的快捷方式,让您在设计时省时省事、得心应手。
看到这里,你是不是有一种“柳暗花明、豁然开朗”之感?对于还在为绘制粗糙度符号苦苦觅寻良策的朋友来说,“动态块”功能的确是一个非常实用的功能。
免责声明:
1;所有标注为智造资料网zl.fbzzw.cn的内容均为本站所有,版权均属本站所有,若您需要引用、转载,必须注明来源及原文链接即可,如涉及大面积转载,请来信告知,获取《授权协议》。
2;本网站图片,文字之类版权申明,因为网站可以由注册用户自行上传图片或文字,本网站无法鉴别所上传图片或文字的知识版权,如果侵犯,请及时通知我们,本网站将在第一时间及时删除,相关侵权责任均由相应上传用户自行承担。
[complaint:内容投诉]
智造资料网打造智能制造3D图纸下载,在线视频,软件下载,在线问答综合平台 » 浩辰CAD2012-粗糙度符号动态块(图文教程)
1;所有标注为智造资料网zl.fbzzw.cn的内容均为本站所有,版权均属本站所有,若您需要引用、转载,必须注明来源及原文链接即可,如涉及大面积转载,请来信告知,获取《授权协议》。
2;本网站图片,文字之类版权申明,因为网站可以由注册用户自行上传图片或文字,本网站无法鉴别所上传图片或文字的知识版权,如果侵犯,请及时通知我们,本网站将在第一时间及时删除,相关侵权责任均由相应上传用户自行承担。
[complaint:内容投诉]
智造资料网打造智能制造3D图纸下载,在线视频,软件下载,在线问答综合平台 » 浩辰CAD2012-粗糙度符号动态块(图文教程)

