综合运用拉伸、腔体、边倒圆、草图、管道、球、镜像体等命令建立钥匙的三维模型。
效果预览:

建模步骤:
第一步、运用草图(以XY平面为基准)及拉伸(拉伸距离为4)建立钥匙把模型,见下图。

第二步、运用矩形腔体(长度140,宽度30,深度5)建立钥匙环的穿孔,见下图。

第三步、对矩形腔体四角进行倒圆处理,倒圆半径为10,见下图。

第四步、在钥匙把的顶面上建立矩形特征,并拉伸,见下图。

第五步、在钥匙把平面上建立如下草图特征,斜线角度及间距任意,见下图。

第六步、借助上步建立的草图曲线,运用管道(外径6)命令创建下图特征。

第七步、在上步建立的圆柱体两端建立球体(直径6),见下图。

第八步、进行求差处理,效果如下图所示。

第九步、运用矩形腔体(长度120,宽度50,深度2)建立钥匙把上的内槽,见下图。

第十步、在腔体槽内建立如下文字,见下图。

第十一步、对上步建立的文字进行拉伸(距离1.5),效果如下图所示。

第十二步、运用镜像体命令建立另一侧的钥匙把,对两者求和,见下图。

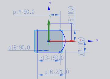
第十三步、以XY平面为草图平面,通过拉伸建立钥匙本体。拉伸草图如下图所示。

第十四步、在钥匙的一侧运用矩形腔体建立钥匙槽,腔体(长度400,宽度30,深度2.5),效果见下图。

第十五步、运用倒斜角(非对称,一边距离为2.5,一边距离为12)建立钥匙槽的退刀槽,见下图。

第十六步、在钥匙的另一侧运用矩形腔体建立钥匙槽,腔体(长度400,宽度10,深度2.5),效果见下图。

第十七步、运用倒斜角(非对称,一边距离为2.5,一边距离为12)建立钥匙槽的退刀槽,
见下图。

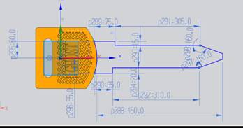
第十八步、运用拉伸在钥匙面上建立钥匙齿形片体,拉伸距离为10(左右对称),拉伸草图如下图所示。

第十九步、运用修剪体命令,借助上步建立的齿形片体,对钥匙模型进行修剪,见下图。

第二十步、对钥匙齿形模型的凹凸边缘处进行边倒圆,倒圆半径为10或15,最终效果见下图。

1;所有标注为智造资料网zl.fbzzw.cn的内容均为本站所有,版权均属本站所有,若您需要引用、转载,必须注明来源及原文链接即可,如涉及大面积转载,请来信告知,获取《授权协议》。
2;本网站图片,文字之类版权申明,因为网站可以由注册用户自行上传图片或文字,本网站无法鉴别所上传图片或文字的知识版权,如果侵犯,请及时通知我们,本网站将在第一时间及时删除,相关侵权责任均由相应上传用户自行承担。
[complaint:内容投诉]
智造资料网打造智能制造3D图纸下载,在线视频,软件下载,在线问答综合平台 » UG建模之钥匙(图文教程)


