ProE工程图教程-缸筒体工程图创建案例

8.1 视图导入
1) 点击【新建】按钮ProE工程图教程-缸筒体工程图创建案例,公差,如图,视图,基准,对话框,第1张,弹出如图1所示的对话框,点击“绘图”选项卡,选取gb_a3的模板(图2),创建缸底的工程图。
ProE工程图教程-缸筒体工程图创建案例,公差,如图,视图,基准,对话框,第2张
图1 绘图的新建
ProE工程图教程-缸筒体工程图创建案例,公差,如图,视图,基准,对话框,第3张
  图2 模版的选择
2) 选择下拉菜单【插入】→【绘图视图】→【一般…】,弹出如图3所示的“绘图视图”对话框,“视图类型”选项中模型视图名选中BOTTOM面;“可见区域”中选中默认设置,在“比例”选项卡中输入合适的比例值;“剖面”中选择“2D截面”通过添加A、B两剖面,完成缸筒体的局部剖视图图,如图4所示;最后完成“视图状态,视图显示,原点,对齐”等选项卡的设置,从而完成活塞的含有局部剖图的主视图,如图5所示,
ProE工程图教程-缸筒体工程图创建案例,公差,如图,视图,基准,对话框,第4张
图3 视图类型的选择
ProE工程图教程-缸筒体工程图创建案例,公差,如图,视图,基准,对话框,第5张
图4 2D剖面的建立
ProE工程图教程-缸筒体工程图创建案例,公差,如图,视图,基准,对话框,第6张
 图5 缸筒体的剖视图

N95口罩耳带机、N95切片加内置鼻梁一体机、N95口罩机整套现货,预订电话:13018639977

CNC数控编程培训、塑胶模具设计培训,冲压模具设计培训,精雕、ZBrush圆雕培训、Solidworks产品设计培训、pro/E产品设计培训,潇洒职业培训学校线下、线上网络学习方式,随到随学,上班学习两不误,欢迎免费试学!

学习联系李老师电话:13018639977(微信同号)QQ:2033825601

学习地址:东莞市横沥镇新城工业区兴业路121号-潇洒职业培训学校

3)  选中缸筒体的主视图,选择下拉菜单【插入】→【绘图视图】→【投影…】,通过调整如下图6所示的“绘图视图”对话框来插入主视图的投影视图,如图7所示。
ProE工程图教程-缸筒体工程图创建案例,公差,如图,视图,基准,对话框,第7张
图6 破断视图的选择
ProE工程图教程-缸筒体工程图创建案例,公差,如图,视图,基准,对话框,第8张
图7 缸筒体的破断视图
8.2 标注
4)   点击工具栏中的标注按钮ProE工程图教程-缸筒体工程图创建案例,公差,如图,视图,基准,对话框,第9张,分别选择所要标注的边或轴线完成缸底长度和宽度方向的尺寸标注,如下图8所示:
ProE工程图教程-缸筒体工程图创建案例,公差,如图,视图,基准,对话框,第10张
  图8 缸筒体的标注
5) 选择下拉菜单【插入】→【绘图符号】→【定制..】命令。系统弹出如图9所示的“定制绘图符号”对话框,分别调整对话框中选项卡“一般、分组、可变文本”的参数设置,从而插入如图10所示的粗糙度符号。
ProE工程图教程-缸筒体工程图创建案例,公差,如图,视图,基准,对话框,第11张
图9表面粗糙度符号的选择
ProE工程图教程-缸筒体工程图创建案例,公差,如图,视图,基准,对话框,第12张
 图10 表面粗糙的标注
6) 点击“标注”按钮ProE工程图教程-缸筒体工程图创建案例,公差,如图,视图,基准,对话框,第13张,选中图中圆角、倒角,分别完成缸筒体圆角和倒角的标注,如下图11所示:
ProE工程图教程-缸筒体工程图创建案例,公差,如图,视图,基准,对话框,第14张
图11 缸筒体尺寸的标注
7) 创建基准平面
a、选择下拉菜单【插入】→【模型基准】→【平面..】命令。系统弹出下图12所示的“基准”对话框,在此对话框中进行下列操作。
ProE工程图教程-缸筒体工程图创建案例,公差,如图,视图,基准,对话框,第15张
图12 基准的建立
b、在“基准”对话框中输入基准名称A。
c、单击该对话框中的“定义”选项组中的“在曲面上”按钮,然后选取图中面作为创建的基准面。
d、在对话框中的“类型”选项组中按下ProE工程图教程-缸筒体工程图创建案例,公差,如图,视图,基准,对话框,第16张按钮,此时在图中显示基准。
e、在“放置”选项中选择“在尺寸中..”从而拾取图中直径为90的尺寸。
f、单击“基准”对话框中“确定”按钮。完成缸筒体基准的创建,如下图13所示。
ProE工程图教程-缸筒体工程图创建案例,公差,如图,视图,基准,对话框,第17张 
图13 A基准面的建立
8) 形位公差的标注:
a、选择【插入】→【几何公差..】命令,系统弹出如图14所示的“几何公差”对话框。
ProE工程图教程-缸筒体工程图创建案例,公差,如图,视图,基准,对话框,第18张
图14几何公差的选择及其设置
b、在“几何公差”对话框左边公差符号区域单击“垂直度”公差符号。
c、定义公差参照,单击“参照”选项组中的“类型”文本框后面的下拉菜单,选取“特征”选项,在系统提示下,选择缸筒体的特征。.
d、定义公差的位置:单击“放置”选项组后文本框后面的下拉按钮,从弹出的列表中选取“带引线”选项,在弹出的菜单中选择“箭头”命令,然后再次增加参照,完成公差位置的确定。
e、在“基准参照”选项卡中,从下拉菜单列表中选取基准A.
f、在公差值选项卡中,输入公差值0.15。.
g、通过以上即完成了形位公差垂直度的标注,如下图15所示。
ProE工程图教程-缸筒体工程图创建案例,公差,如图,视图,基准,对话框,第19张
图15 几何公差的建立
h、使用相同方法,完成其他位置处形位公差的标注。
点击工具栏中“注释”按钮ProE工程图教程-缸筒体工程图创建案例,公差,如图,视图,基准,对话框,第20张,弹出“菜单管理器”,选择默认设置,完成技术要求和标题栏的填写,如下图16所示
ProE工程图教程-缸筒体工程图创建案例,公差,如图,视图,基准,对话框,第21张 
(a)
ProE工程图教程-缸筒体工程图创建案例,公差,如图,视图,基准,对话框,第22张
(b)
图16 技术要求的建立及内容
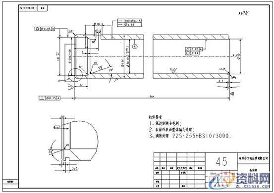
9) 通过以上工作,最终完成了缸筒体的完整工程视图,如图17所示。
ProE工程图教程-缸筒体工程图创建案例,公差,如图,视图,基准,对话框,第23张
图17 缸筒体的工程图

 

免责声明:
1;所有标注为智造资料网zl.fbzzw.cn的内容均为本站所有,版权均属本站所有,若您需要引用、转载,必须注明来源及原文链接即可,如涉及大面积转载,请来信告知,获取《授权协议》。
2;本网站图片,文字之类版权申明,因为网站可以由注册用户自行上传图片或文字,本网站无法鉴别所上传图片或文字的知识版权,如果侵犯,请及时通知我们,本网站将在第一时间及时删除,相关侵权责任均由相应上传用户自行承担。
[complaint:内容投诉]
智造资料网打造智能制造3D图纸下载,在线视频,软件下载,在线问答综合平台 » ProE工程图教程-缸筒体工程图创建案例