摘要:从“N-2-1”定位原理、基准统一、定位结构等各方面论述汽车焊接夹具定位设计贵规范化。重点描述定位结构规范化,制定非标设计设计规范,缩短汽车焊接夹具设计周期,降低设计成本。
Auto Welding Jigs Design of Orientation standardization
Abstract: Discuss on auto welding jigs design of orientation from “N-2-1”principle of orientation、benchmark unite、structure of orientation. Especially for describing structure of orientation standardization, establish nonstandard of design into standardization, in order to shorten period of auto welding jigs design, reduce design cost.
Key words: Auto welding jigs, Benchmark,Orientation of design, Structure of standardization
1 前言
国内汽车行业近几年的快速增长,带动了国内汽车焊接夹具制造业的快速成长。基本每个新车型投产,均需要投入相应的焊接夹具。按目前市场情况看,从新车型开发到推进市场,要求周期短,进而对焊接夹具设计、制造、调试提出更高的要求。
汽车焊接夹具的功能是为了实现车身零件的正确装配,保证零件正确搭配和完成焊接。工程上通常从装配精度、缩短制造周期和可调整性等方面来评价汽车焊接夹具设计的优劣。定位是焊接夹具最基本的元素,也是设计过程主要考虑元素,定位设计规范化在很大程度上提高焊接夹具的性能,缩短周期,提高效益。
2 “N-2-1”定位原理
一般的物体定位按照六点定位原则,即可确定正确位置。对于车身柔性零件的定位,如果仅靠六点定位规则定位,将无法保证零件的正确位置和形状,因此,在汽车焊接夹具的设计中,经常有过定位的方式定位,即N大于3。“N-2-1”定位原理更加适合汽车焊接夹具设计,防止薄板变形,在汽车焊接夹具上已广泛应用。根据汽车零件的形状和考虑焊接夹具制造成本、焊接可操作性等考虑,夹具定位元件的数量N一般选取4-6。
3 定位基准统一
基准统一是机械加工工艺设计的基本思想之一,焊接夹具设计定位基准统一要求保证两点,第一、保证焊接夹具设计基准与车身设计基准、冲压基准、检测基准的统一;第二、保证焊接夹具设计基准在分总成、总成、车身焊接总成的各总成之间保持前后统一。基准统一保证了车身焊接精度,便于查找质量问题原因,提高管理水平。
4 定位结构规范化
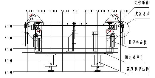
汽车焊接夹具基本结构,见图1,包括:固定平台式底座;定位部件;紧固件连接;气动-杠杆复合夹紧;操作高度可调。
图1
4.1 固定平台式底座
固定平台式底座有2种,一种是Q235平板式,见上图1的固定平台。选用平板式的原则:夹具固定平台面积在1200×500以下的,一般选用平板式。另一种是焊接件式,见图2。选用该结构的原则:夹具固定平台面积在1200×500以上的,一般选用焊接件式。焊接件由基板、槽钢、垫板焊接而成,结构规范化。
图2
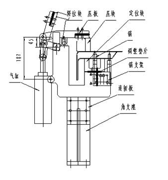
4.2定位部件:
定位部件是焊接夹具最基本单元,定位部件规范化设计是焊接夹具定位设计规范化重要方面。定位部件的结构一般由角支座、连接板、定位块、压块、压板、调整垫片、销、销支架、限位、气缸等零部件组成(见图3)。每个零部件可规范化,在设计时形成规范化设计。
图3
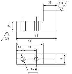
角支座:也称定位部件底座,焊接件,见图4。材料Q235钢,厚16mm,结构和装配尺寸可规范化,高度尺寸根据设计要求具体确定,按50mm递增减等级选用。
图4
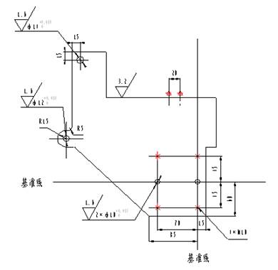
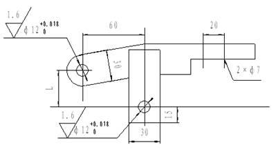
连接板:连接作用,见图5,材料Q235钢,厚16mm。连接板功能是与角支座连接,安装气缸、定位块、压板、限位等,根据装配功能尺寸要求,图示气缸安装尺寸、角支座安装尺寸、定位块安装尺寸已规范化,其它尺寸根据设计要求具体确定。 [yao_page]
图5
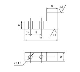
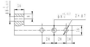
定位块:定位零件作用,见图6,材料45号钢,厚16mm,热处理HRC38-43。根据装配功能尺寸要求,图示安装尺寸已规范化,型面定位尺寸根据设计要求具体选定确定。
图6
压块:夹紧零件作用,见图7,材料45号钢,厚16mm,热处理HRC38-43。根据装配功能尺寸要求,图示装配尺寸已规范化,型面定位尺寸根据设计要求具体选定确定。
图7
压板:气缸驱动压紧零件的连接机构,焊接件,见图8,材料Q235钢。根据装配功能尺寸要求,图示气缸、连接板的装配尺寸已规范化,其它尺寸根据设计要求确定。按经验设计法,两孔距离L等于气缸工作行程的一半,气缸张开角度位置最佳。
图8
调整垫片:通过增减垫片达到夹具微调目的,组合件,厚度有1mm、0.5mm,见图9,材料Q235钢。根据装配功能尺寸要求,图示尺寸已规范化,其它尺寸根据设计要求具体确定。
图9
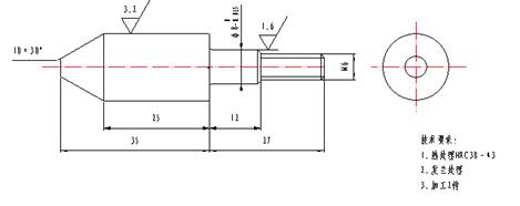
销:零件主定位作用,一般有圆销和菱形销,圆销起主定位,菱形销起副定位作用。见图10,材料45号钢,热处理HRC38-43,销径d为孔径D-0.05mm,有效长度优先采用L大于等于20,并且其工作表面应高于工件6-8mm。根据装配功能尺寸要求,图示尺寸已规范化,其它尺寸根据设计要求具体确定。
图10
销支架:连接销作用,见图11,材料45号钢,热处理HRC38-43,与销配合安装。根据装配功能尺寸要求,图示与连接板装配、销配合尺寸已规范化,其它尺寸根据设计要求具体确定。
图11
限位:限位作用,见图12,组合件,由凸凹件配合,材料45号钢,热处理HRC38-43。与连接板、压板连接方式使用沉头内六角螺栓,图示装配尺寸已规范化,其它尺寸根据设计要求具体确定。
图12
气缸:外购件,在气动行业已形成标准化产品,根据行程和夹紧力设计需要选择。国内外厂家有德国的FESTO、日本的SMC、中国的江都永坚,可根据客户需要选择。
5 结束语
根据“N-2-1”定位原理和基准统一原则,建立汽车焊接夹具定位部件规范化设计库,科学进行汽车焊接夹具设计,可缩短设计周期,降低生产成本,为企业创造利润。
参考文献
林忠钦,汽车车身制造质量控制技术,北京,机械工业出版社,2005.1
王政,焊接工装夹具及变位机械——性能、设计、选用,北京,机械工业出版社,2001.6
1;所有标注为智造资料网zl.fbzzw.cn的内容均为本站所有,版权均属本站所有,若您需要引用、转载,必须注明来源及原文链接即可,如涉及大面积转载,请来信告知,获取《授权协议》。
2;本网站图片,文字之类版权申明,因为网站可以由注册用户自行上传图片或文字,本网站无法鉴别所上传图片或文字的知识版权,如果侵犯,请及时通知我们,本网站将在第一时间及时删除,相关侵权责任均由相应上传用户自行承担。
[complaint:内容投诉]
智造资料网打造智能制造3D图纸下载,在线视频,软件下载,在线问答综合平台 » 汽车焊接夹具定位设计规范化(图文教程)

