塑料模具导向定位系统设计(图文教程)

導嚮定位系統

    為保証模具閉合時定位准確﹐不損傷模具﹐常需設導嚮定位系統。

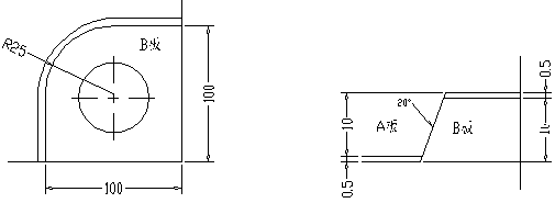
1.1 5050以上模胚﹐A﹑B板四個角需做止口定位﹐其尺寸要求見圖﹕

塑料模具导向定位系统设计(图文教程),塑料模具导向定位系统设计,定位,模具,直接,分型,曲面,第1张

    当然﹐也可直接選用錐面定位塊安裝於模具上。

1.2 当产品分型面特別復雜﹐曲面繁多﹐或者产品沒有有效的枕位時﹐應在模仁上直接做錐面定位結構。 

塑料模具导向定位系统设计(图文教程),塑料模具导向定位系统设计,定位,模具,直接,分型,曲面,第2张

免责声明:
1;所有标注为智造资料网zl.fbzzw.cn的内容均为本站所有,版权均属本站所有,若您需要引用、转载,必须注明来源及原文链接即可,如涉及大面积转载,请来信告知,获取《授权协议》。
2;本网站图片,文字之类版权申明,因为网站可以由注册用户自行上传图片或文字,本网站无法鉴别所上传图片或文字的知识版权,如果侵犯,请及时通知我们,本网站将在第一时间及时删除,相关侵权责任均由相应上传用户自行承担。
[complaint:内容投诉]
智造资料网打造智能制造3D图纸下载,在线视频,软件下载,在线问答综合平台 » 塑料模具导向定位系统设计(图文教程)