横向切边模具的结构(图文教程)

    横向切边模具结构(The structure of horizontal trimming die)
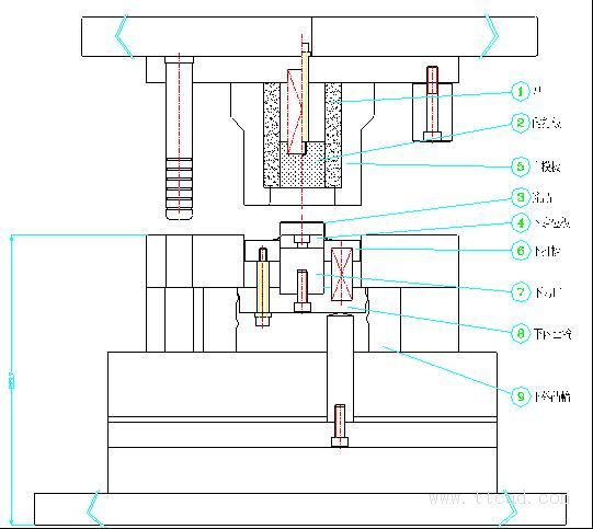
    对于筒形拉深件来说,往往会涉及到修边,而修边则多採用横向切边的方式。而如果要用模具来完成这种形式的的加工的话,在模具中就应将冲床的垂直运动转化为模具零件—刀口的水平运动,然后对工件进行剪切修边。在这种模具中,其主要部分就是进行运动转换的凸轮机构,这也是设计的重点。
    横向切边模具的典型结构如下图所示:
    下图所示模具的运动过程如下:
    在设计中的注意事项:下模顶内凸轮的力要大,防止在剪切过程中下打板及内凸轮倾斜,使模具的运动部分卡死;顶下打板的力不宜过大;而顶内打板的力应大一些,以方便上模的脱料;下刀口板与下定位板之间应可以产生适当的水平方向上的滑动;内、外凸轮间配合关系及内凸轮相对于外凸轮间的运动;下打板与下模板间的间隙大小。
    在这种模具中,应精确控制的尺寸有:
A、上刀口板1与上模板5之间的高度差,这一尺寸即为原始工件的的高度,同时,这一尺寸对上下模刀口板对工件进行剪切的情况有影响,因此在模具的组立与试模过程中,依据实际情况对这一尺寸进行修配;
B、下打板的厚度尺寸,这一尺寸也对上下模刀口板之间的相互运动有较大影响,同时下打板的上表面要进行研磨,以方便下定位板与下打板间的滑动;
C、下内凸轮上的下刀口板固定槽尺寸,这个槽的深度与下打板的厚度,上刀口板与上模板间的高度差及刀口板的高度直接影响剪切运动及横向剪切的断面质量,另外该尺寸还影响刀口板在下凸轮上的固定情况,因此该的精度要求很高,应採用放电加工以保証其尺寸精度;
D、下定位板的外形尺寸,外定位板的外形尺寸直接影响工件的定位精度,其高度尺寸则直接影响产品的高度,因此其高度尺寸也要求准,而不允许有较大的误差;
E、下刀口板的高度尺寸。

横向切边模具的结构(图文教程),横向切边模具的结构,模具,结构,第1张横向切边模具的结构(图文教程),横向切边模具的结构,模具,结构,第2张

免责声明:
1;所有标注为智造资料网zl.fbzzw.cn的内容均为本站所有,版权均属本站所有,若您需要引用、转载,必须注明来源及原文链接即可,如涉及大面积转载,请来信告知,获取《授权协议》。
2;本网站图片,文字之类版权申明,因为网站可以由注册用户自行上传图片或文字,本网站无法鉴别所上传图片或文字的知识版权,如果侵犯,请及时通知我们,本网站将在第一时间及时删除,相关侵权责任均由相应上传用户自行承担。
[complaint:内容投诉]
智造资料网打造智能制造3D图纸下载,在线视频,软件下载,在线问答综合平台 » 横向切边模具的结构(图文教程)