室外监控仪面壳其产品图见图 1,产品最大外形尺寸为 327.51 mm x 205.83 mm x 35.78 mm,塑件平均胶位厚度 3.0 mm,塑件材料为 ABS,缩水率为 1.005,塑件质量为 201 克。塑件技术要求为不得存在披峰、注塑不满、流纹、气孔、翘曲变形、银纹、冷料、喷射纹等各种缺陷。


图1 室外监控仪面壳产品图
从图 1 可以看出,塑件尺寸较大,塑件造型为扁平壳体,外表面下沉,表面有 6 个圆孔用来安装监控摄像头,另有一个小方孔和中间一个梯形孔。塑件背面有几处柱位和骨位。整个塑件造型简单,不需要设计滑块抽芯机构等。

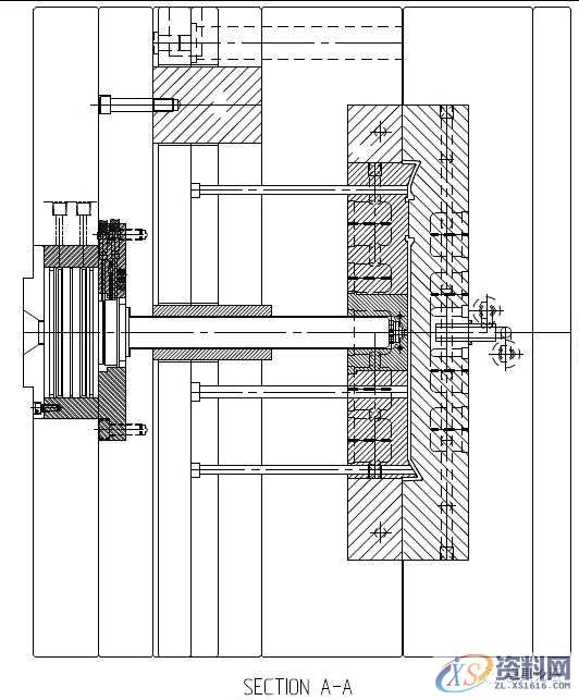
塑件尺寸较大,模具设计型腔排位只能 1 出 1,制品外观要求很高,外表面不允许有浇口痕迹和顶针痕迹。因此浇口和顶针需要设计在同一侧。塑件属于平板类结构,平面度要求高,不能翘曲变形。进胶位置和形式必须保证塑件的精度要求。
由此可知,需要由动模成型塑件外表面,定模成型内表面。开模后,塑件因对定模的包紧力大于对动模的包紧力而留在定模。这种模具叫做倒装模具。定模推出的推出机构都设计在定模内。定模顶出系统是由推杆、复位杆、顶针板和顶针板导向机构等组成。推出机构不能依靠注射机推杆来推动,其动力源通常有以下 3 种。
1. 机械动力。开模时,由拉杆或链条,通过动、定模之间的相对运动来拉动定模中的顶针板或推板,将塑件安全无损地推出模具。现有也有国内的注塑机制造厂家在定模侧增加了顶出装置,这是创新性地改进了注塑机的功能。
海量N95口罩机、自动化结构设计、UG汽车模具设计、2D、3D五金汽车模具设计、UG塑胶模具设计、PROE产品设计、CNC编程、CNC电脑锣操作、精雕浮雕、PRESSCAD软件应用、UG软件应用、UG数控编程、Mastercam数控编程、Powermill数控编程、SOLIDWORKS软件、SOLIDWORKS培训、ZBRUSH雕刻,ZBRUSH雕刻3D建模、UG模具设计、模流分析moldfolw、五轴编程培训、AutoformR7等图档、软件资料免费下载网址:https://zl.xs1616.com/?fromuid=2 免费教学视频网址:https://www.xs1616.com/ 李老师电话:13018639977(微信同号)QQ:2033825601
2. 液压动力。在定模上安装液压油缸,用液压油缸推动顶针板,带动顶出机构实现塑件脱模。需要将顶针板加长,以便于安置油缸。
3. 气压动力。在定模侧设计气压推出机构,由压缩空气将制品推出模具。气压顶出具有洁净环保的优势,但其行程较小,往往需要与机械顶出联合使用。
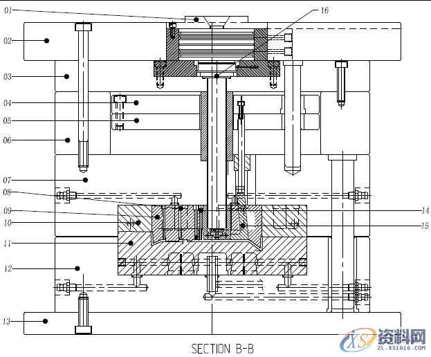
本套模具采用扣机拉动顶出,属于机械顶出的一种。见模具设计图 2,开模后,分型面打开,打开距离 30 后,
在扣机作用下,带动顶针板顶出,继续打开到 63 后,在扣机作用下,顶针板停止移动,塑件被顶出脱模。
塑件属于大型平板类零件,为了提高模具的劳动生产率和成型质量,模具采用单嘴热流道系统。对于倒装模具,最简单的模具结构形式就是单个热嘴进胶的模具结构,多个热嘴进胶时,需要设计分流板,在这种情况下,分流板与顶针板的设计会发生干涉,使得模具结构相对复杂。在倒装模具中,如果设计细水口三板模具结构,则水口料取出与顶出机构同样产生干涉,模具结构复杂。






图 2 室外监控仪面壳模具图
1;所有标注为智造资料网zl.fbzzw.cn的内容均为本站所有,版权均属本站所有,若您需要引用、转载,必须注明来源及原文链接即可,如涉及大面积转载,请来信告知,获取《授权协议》。
2;本网站图片,文字之类版权申明,因为网站可以由注册用户自行上传图片或文字,本网站无法鉴别所上传图片或文字的知识版权,如果侵犯,请及时通知我们,本网站将在第一时间及时删除,相关侵权责任均由相应上传用户自行承担。
[complaint:内容投诉]
智造资料网打造智能制造3D图纸下载,在线视频,软件下载,在线问答综合平台 » 塑胶模具设计——室外监控仪面壳注塑模设计要点

