第三章 液压执行元件
液压执行元件是将液压泵提供的液压能转变为机械能的能量转换装置,它包括液压缸和液压马达。液压马达习惯上是指输出旋转运动的液压执行元件,而把输出直线运动(其中包括输出摆动运动)的液压执行元件称为液压缸。
第一节 液压马达
一、液压马达的特点及分类
从能量转换的观点来看,液压泵与液压马达是可逆工作的液压元件,向任何一种液压泵输入工作液体,都可使其变成液压马达工况;反之,当液压马达的主轴由外力矩驱动旋转时,也可变为液压泵工况。因为它们具有同样的基本结构要素--密闭而又可以周期变化的容积和相应的配油机构。
但是,由于液压马达和液压泵的工作条件不同,对它们的性能要求也不一样,所以同类型的液压马达和液压泵之间,仍存在许多差别。首先液压马达应能够正、反转,因而要求其内部结构对称;液压马达的转速范围需要足够大,特别对它的最低稳定转速有一定的要求。因此,它通常都采用滚动轴承或静压滑动轴承;其次液压马达由于在输入压力油条件下工作,因而不必具备自吸能力,但需要一定的初始密封性,才能提供必要的起动转矩。由于存在着这些差别,使得液压马达和液压泵在结构上比较相似,但不能可逆工作。
液压马达按其结梅类型来分可以分为齿轮式、叶片式、柱塞式和其它型式。按液压马达的额定转速分为高速和低速两大类。额定转速高于500r/min的属于高速液压马达,额定转速低于500r/min的属于低速液压马达。高速液压马达的基本型式有齿轮式、螺杆式、叶片式和轴向柱塞式等。它们的主要特点是转速较高、转动惯量小,便于启动和制动,调节(调速及换向)灵敏度高。通常高速液压马达输出转矩不大(仅几十N·m到几百N·m)所以又称为高速小转矩液压马达。低速液压马达的基本型式是径向柱塞式,此外在轴向柱塞式、叶片式和齿轮式中也有低速的结构型式,低速液压马达的主要特点是排量大、体积大转速低(有时可达每分钟几转甚至零点几转),因此可直接与工作机构连接,不需要减速装置,使传动机构大为简化,通常低速液压马达输出转矩较大(可达几千N·m到几万N·m),所以又称为低速大转矩液压马达。
二、液压马达的工作原理
1.叶片式液压马达
由于压力油作用,受力不平衡使转子产生转矩。叶片式液压马达的输出转矩与液压马达的排量和液压马达进出油口之间的压力差有关,其转速由输入液压马达的流量大小来决定。
由于液压马达一般都要求能正反转,所以叶片式液压马达的叶片要径向放置。为了使叶片根部始终通有压力油,在回、压油腔通人叶片根部的通路上应设置单向阀,为了确保叶片式液压马达在压力油通人后能正常启动,必须使叶片顶部和定子内表面紧密接触,以保证良好的密封,因此在叶片根部应设置预紧弹簧。
叶片式液压马达体积小,转动惯量小,动作灵敏,可适用于换向频率较高的场合,但泄漏量较大,低速工作时不稳定。因此叶片式液压马达一般用于转速高、转矩小和动作要求灵敏的场合。
2.径向柱塞式液压马达
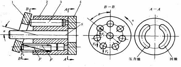
图3-2为径向柱塞式液压马达工作原理图,当压力油经固定的配油轴4的窗口进入缸体3内柱塞1的底部时,柱塞向外伸出,紧紧顶住定子2的内壁,由于定子与缸体存在一偏心距e。在柱塞与定子接触处,定子对柱塞的反作用力为
。力
可分解为
和
两个分力。当作用在柱塞底部的油液压力为p,柱塞直径为d,力
和
之间的夹角为
时,它们分别为
及 ![]()
力
对缸体产生一转矩,使缸体旋转。缸体再通过端面连接的传动轴向外输出转矩和转速。
以上分析的一个柱塞产生转矩的情况,由于在压油区作用有好几个柱塞,在这些柱塞上所产生的转矩都使缸体旋转,并输出转矩。径向柱塞液压马达多用于低速大转矩的情况下。
3.轴向柱塞马达
轴向柱塞泵除阀式配流外,其它形式原则上都可以作为液压马达用,即轴向柱塞泵和轴向柱塞马达是可逆的。轴向柱塞马达的工作原理如图所示,配油盘4和斜盘1固定不动,马达轴5与缸体2相连接一起旋转。当压力油经配油盘4的窗口进入缸体2的柱塞孔时,柱塞3在压力油作用下外伸,紧贴斜盘1斜盘1对柱塞3产生一个法向反力p,此力可分解为轴向分力及和垂直分力凡。凡与柱塞上液压力相平衡,而凡则使柱塞对缸体中心产生一个转矩,带动马达轴逆时针方向旋转。轴向柱塞马达产生的瞬时总转矩是脉动的。若改变马达压力油输入方向,则马达轴5按顺时针方向旋转。斜盘倾角a的改变、即排量的变化,不仅影响马达的转矩,而且影响它的转速和转向。斜盘倾角越大,产生转矩越大,转速越低。
4.齿轮液压马达
齿轮马达在结构上为了适应正反转要求,进出油口相等、具有对称性、有单独外泄油口将轴承部分的泄漏油引出壳体外;为了减少启动摩擦力矩,采用滚动轴承;为了减少转矩脉动1齿轮液压马达的齿数比泵的齿数要多。
齿轮液压马达由干密封性差,容租效率较低,输入油压力不能过高,不能产生较大转矩。
并且瞬间转速和转矩随着啮合点的位置变化而变化,因此齿轮液压马达仅适合于高速小转矩的场合。一般用干工程机械、农业机械以及对转矩均匀性要求不高的机械设备上。
三、液压马达的基本参数和基本性能
1.液压马达的排量、排量和转矩的关系
液压马达在工作中输出的转矩大小是由负载转矩所决定的。但是,推动同样大小的负载,工作容腔大的马达的压力要低于工作容腔小的马达的压力,所以说工作容腔的大小是液压马达工作能力的重要标志。
液压马达工作容腔大小的表示方法和液压泵相同,也用排量V表示。液压马达的排量是个重要的参数。根据排量的大小,可以计算在给定压力下液压马达所能输出的转矩的大小,也可以计算在给定的负载转矩下马达的工作压力的大小。当液压马达进、出油口之间的压力差为
,输入液压马达的流量为q,液压马达输出的理论转矩为
,角速度为
,如果不计损失,液压泵输出的液压功率应当全部转化为液压马达输出的机械功率,即![]()
又因为
,
,所以液压马达的理论转矩为
2.液压马达的机械效率和启动机械效率
由于液压马达内部不可避免地存在各种摩擦,实际输出的转矩总要比理论转矩 ,小些,即
式中
为液压马达机械效率。
除此以外,在同样的压力下,液压马达由静止到开始转动的启动状态的输出转矩要比运转中的转矩小,这给液压马达带载启动造成了困难,所以启动性能对液压马达是很重要的。启动转矩降低的原因是在静止状态下的摩擦系数最大,在摩擦表面出现相对滑动后摩擦系数明显减小,这是机械摩擦的一般性质。对液压马达来说,更为主要的是静止状态润滑油膜被挤掉,基本上变成了干摩擦。且马达开始运动,随着润滑油膜的建立,摩擦阻力立即下降,并随滑动速度增大和油膜变厚而减少。
液压马达启动性能的指标用启动机械效率
表示,其表达式为
式中
为液压马达的启动转矩。
不同类型的液压马达,内部受力部件的力平衡情况不同,摩擦力的大小不同,所以
也不尽相同。同一类型的液压马达,摩擦副的力平衡设计不同,其
也有高低之分。例如有的齿轮式液压马达
只有0.6左右,而高性能的低速大转矩液压马达却可达到
=0.90左右,相差颇大。所以,如果液压马达带载启动,必须注意到所选择的液压马达的启动性能。
3.液压马达的转速和低速稳定性
液压马达的转速取决于供液的流量q和液压马达本身的排量V。由于液压马达内部有泄漏,并不是所有进入马达的液体都推动液压马达做功,一小部分液体因泄漏损失掉了,所以马达的实际转速要比理想情况低一些。
式中
为液压马达的容积效率。
在工程实际中,液压马达的转速和液压泵的转速一样,其计量单位多用r/min(转/分)表示。
当液压马达工作转速过低时,往往保持不了均匀的速度,进入时动时停的不稳定状态,这就是所谓爬行现象。若要求高速液压马达不超过10r/min低速大转矩液压马达不超过3r/min的速度工作,并不是所有的液压马达都能满足要求的。
一般地说,低速大-转矩液压马达的低速稳定性要比高速马达为好。低速大转矩马达的排量大,因而尺寸大,即便是在低转速下工作摩擦副的滑动速度也不致过低,加之马达排量大,泄漏的影响相对变小,马达本身的转动惯量大,所以容易得到较好的低速稳定性。
返回到主目录
4.调速范围
当负载从低速到高速在很宽的范围内工作时,也要求液压马达能在较大的调速范围下工作,否则就需要有能换档的变速机构,使传动机构复杂化。液压马达的调速范围以允许的最大转速和最低稳定转速之比表示,即
显然,调速范围宽的液压马达应当既有好的高速性能又有好的低速稳定性。
第二节 液压缸
液压缸是将液压泵输出的压力能转换为机械能的执行元件,它主要是用来输出直线运动(也包括摆动运动)。
一、液压缸的分类
液压缸按其结构形式,可以分为活塞缸、柱塞缸和摆动缸三类。活塞缸和柱塞缸实现往复运动,输出推力和速度,摆动缸则能实现小于360度的往复摆动,输出转矩和角速度。液压缸除单个使用外,还可以几个组合起来或和其它机构组合起来,以完成特殊的功用。
(一)活塞式液压缸
活塞式液压缸分为双杆式和单杆式两种。
1.双杆式活塞缸
双杆式活塞缸的活塞两端都有一根直径相等的活塞杆伸出,它根据安装方式不同又可以分为缸筒固定式和活塞杆固定式两种。如图3-4a所示的为缸筒固定式的双杆活塞缸。
它的进、出油口布置在缸筒两端,活塞通过活塞杆带动工作台移动,当活塞的有效行程为l时,整个工作台的运动范围为3l,所以机床占地面积大,一般适用于小型机床。当工作台行程要求较长时,可采用图3-4b所示的活塞杆固定的形式,这时,缸体与工作台相连,活塞杆通过支架固定的机床上,动力由缸体传出。这种安装形式中,工作台的移动范围只等于液压缸有效行程l的两倍(2l),因此占地面积小。进出油口可以设置在固定不动的空心的-活塞杆的两端,使油液从活塞杆中进出,也可设置在缸体的两端,但必须使用软管连接。
由于双杆活塞缸两端的活塞杆直径通常是相等的,因此它左、右两腔的有效面积也相等。当分别向左、右腔输入相同压力和相同流量的油液时,液压缸左、右两个方向的推力和速度相等,当活塞的直径为D,活塞杆的直径为d,液压缸进、出油腔的压力为p1和p2,输入流量为q时,双杆活塞缸的推力F和速度v为

式中A为活塞的有效工作面积。
双杆活塞缸在工作时,设计成一个活塞杆是受拉的,而另一个活塞杆不受力,因此这种液压缸的活塞杆可以做得细些。
2.单杆式活塞缸
如图3-5所示,活塞只有一端带活塞杆,单杆液压缸也有缸体固定和活塞杆固定两种形式,但它们的工作台移动范围都是活塞有效行程的两倍。
单杆活塞缸由于活塞两端有效面积不等。如果以相同流量的压力油分别进入液压缸的左、右腔,活塞移动的速度与进油腔的有效面积成反比,即油液进入无杆腔时有效面积大,速度慢,进入有杆腔时有效面积小,速度快;而活塞上产生的推力则与进油腔的有效面积成正比。如图3-5a,当输入液压缸的油液流量为q,液压缸进出油口压力分别为p1和p2时,其活塞上所产生的推力F1和速度v1为

当油液从如图3-5b所示的右腔(有杆腔)输入时,其活塞上所产生的推力F2和速度v2为

由上式可知,由于
,所以
。若把两个方向上的输出速度
和
的比值称为速度比,记作
,则
。
因此,活塞杆直径越小, 越接近于1,活塞两个方向的速度差值也就越小,如果活塞杆较粗,活塞两个方向运动的速度差值就较大。在已知D和
的情况下,也就可以较方便地确定d。
如果向单杆活塞缸的左右两腔同时通压力油,如图3-6所示,即所谓的差动连接,作差动连接的单出杆液压缸称为差动液压缸,开始工作时差动缸左右两腔的油液压力相同,但是由于左腔(无杆腔)的有效面积大于右腔(有杆腔)的有效面积,故活塞向右运动,同时使右腔中排出的油液(流量为 )也进入左腔,加大了流人左腔的流量( ),从而也加快了活塞移动的速度。实际上活塞在运动时,由于差动缸两腔间的管路中有压力损失,所以右腔中油液的压力稍大于左腔油液压力。而这个差值一般都较小可以忽略不计,则差动缸活塞推力和运动速度,为


由上式可知,差动连接时液压缸的推力比非差动连接时小,速度比非差动连接时大,正好利用这一点,可使在不加大油源流量的情况下得到较快的运动速度,这种连接方式被广泛应用于组合机床的液压动力滑台和其它机械设备的快速运动中。
如果要求快速运动和快速退回速度相等,即使
,则由上式可得![]()
(二)柱塞缸
柱塞缸是一种单作用液压缸,其工作原理如图3-7a所示,柱塞与工作部件连接,缸筒固定在机体上。当压力油进入缸筒时,推动柱塞带动运动部件向右运动,但反向退回时必须靠其它外力或自重驱动。柱塞缸通常成对反向布置使用,如图3-7b所示。
当柱塞的直径为d,输入液压油的流量为q,压力为p时,其柱塞上所产生的推力F和速度v为

柱塞式液压缸的主要特点是柱塞与缸筒无配合要求,缸筒内孔不需精加工,甚至可以不加工。运动时由缸盖上的导向套来导向,所以它特别适用在行程较长的场合。
(三)摆动缸
摆动式液压缸也称摆动液压马达。当它通人压力油时,它的主轴能输出小于
的摆动运动,常用于工夹具夹紧装置、送料装置、转位装置以及需要周期性进给的系统中。图3-8a所示为单叶片式摆动缸,它的摆动角度较大,可达
。当摆动缸进出油口压力为p1和p2,输人流量为q时,它的输出转矩T和角速度
各为

式中b为叶片的宽度,R1、R2为叶片底部、顶部的回转半径。
图3-8b示为双叶片式摆动缸,它的摆动角度较小,可达,它的输出转矩是单叶片式的两倍,而角速度则是单叶片式的一半。
1;所有标注为智造资料网zl.fbzzw.cn的内容均为本站所有,版权均属本站所有,若您需要引用、转载,必须注明来源及原文链接即可,如涉及大面积转载,请来信告知,获取《授权协议》。
2;本网站图片,文字之类版权申明,因为网站可以由注册用户自行上传图片或文字,本网站无法鉴别所上传图片或文字的知识版权,如果侵犯,请及时通知我们,本网站将在第一时间及时删除,相关侵权责任均由相应上传用户自行承担。
[complaint:内容投诉]
智造资料网打造智能制造3D图纸下载,在线视频,软件下载,在线问答综合平台 » 液压传动教程3-液压执行元件(图文教程)

