塑胶件结构设计之按键及旋钮设计(图文教程)

    常见的带有按键的塑胶产品有手机、MP3、相机等;旋钮之类等,在设计这些按键和旋钮之类的产品,可以使用以下资料做参考。

1、按键的设计

1.1 按键(Button)大小及相对距离要求

    从实际操作情况分析,结合人体工程学知识,在操作按键中心时,不能引起相邻按键的联动,那么相邻按键中心的距离需作如下考虑:

1)竖排分离按键中,两相邻按键中心的距离a≥9.0mm

2)横排成行按键中,两相邻按键中心的距离b≥13.0mm

3)为方便操作,常用的功能按键的最小尺寸为:3.0×3.0mm

塑胶件结构设计之按键及旋钮设计(图文教程),塑胶件结构设计之按键及旋钮设计,结构设计,塑胶,第1张

图1

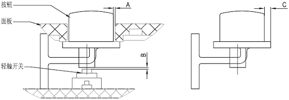
1.2  按键(Button)与基体的设计间隙

 塑胶件结构设计之按键及旋钮设计(图文教程),塑胶件结构设计之按键及旋钮设计,结构设计,塑胶,第2张

 图2

    按键与面板基体的配合设计间隙如图2所示:

1)按钮裙边尺寸C≥0.75mm,按钮与轻触开关间隙为B=0.20mm;

2)水晶按钮与基体的配合间隙单边为A=0.10-0.15mm;

3)喷油按钮与基体的配合间隙单边为A=0.20-0.25mm

4)千秋钮(跷跷板按钮)的摆动方向间隙为0.25-0.30mm,需根据按钮的大小进行实际模拟;非摆动方向的设计配合间隙为A=0.2-0.25mm;

5)橡胶油比普通油厚0.15 mm,需在喷普通油的设计间隙上单边加0.15 mm,如喷橡胶油按键与基体的间隙为0.3-0.4mm;

6)表面电镀按钮与基体的配合间隙单边为A=0.15-0.20mm;

7)按钮凸出面板的高度如图3所示:

    普通按钮凸出面板的高度D=1.20-1.40mm,一般取1.40mm;

    表面弧度比较大的按钮,按钮最低点与面板的高度D一般为0.80-1.20mm

 塑胶件结构设计之按键及旋钮设计(图文教程),塑胶件结构设计之按键及旋钮设计,结构设计,塑胶,第3张

 图3

2、旋钮的设计

2.1 旋钮(Knob)大小尺寸要求

旋钮(Knob)大小尺寸要求见如下所示

塑胶件结构设计之按键及旋钮设计(图文教程),塑胶件结构设计之按键及旋钮设计,结构设计,塑胶,第4张

图4

2.2  两旋钮(Knob)之间的距离

  两旋钮(Knob)之间的距离大小:C≥8.0mm。 

塑胶件结构设计之按键及旋钮设计(图文教程),塑胶件结构设计之按键及旋钮设计,结构设计,塑胶,第5张

图5

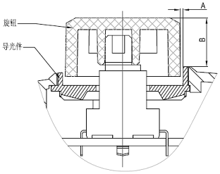
2.3  旋钮(Knob)与对应装配件的设计间隙

1)旋钮与对应装配件的设计配合单边间隙为A≥0.50mm,如图6所示;

2)电镀旋钮与对应装配件的设计配合单边间隙为A≥0.50mm;

3)橡胶油比普通油厚0.15 mm,需在喷普通油的设计间隙上单边增加0.15 mm。

4)旋钮凸出面板基体或装饰件最高点的高度为9.50≥B≥8.00mm。

塑胶件结构设计之按键及旋钮设计(图文教程),塑胶件结构设计之按键及旋钮设计,结构设计,塑胶,第6张

图6

免责声明:
1;所有标注为智造资料网zl.fbzzw.cn的内容均为本站所有,版权均属本站所有,若您需要引用、转载,必须注明来源及原文链接即可,如涉及大面积转载,请来信告知,获取《授权协议》。
2;本网站图片,文字之类版权申明,因为网站可以由注册用户自行上传图片或文字,本网站无法鉴别所上传图片或文字的知识版权,如果侵犯,请及时通知我们,本网站将在第一时间及时删除,相关侵权责任均由相应上传用户自行承担。
[complaint:内容投诉]
智造资料网打造智能制造3D图纸下载,在线视频,软件下载,在线问答综合平台 » 塑胶件结构设计之按键及旋钮设计(图文教程)