1.形体分析和初步考虑各基本体的定形尺寸
当在自己绘制的组合体视图中标注尺寸时,已对这个组合体作过形体分析,对各基本体的定形尺寸也已经有了初步考虑,实际上用比例尺一边量尺寸一边绘图的过程,也很接近标注尺寸的顺序。
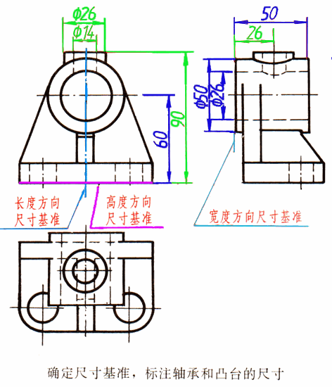
2.选定尺寸基准
机件的长、宽、高三个方向的尺寸基准,常采用机件的底面、端面、对称面以及主要回转体的轴线等。对于这个轴承座所选定的尺寸基准如图b所示。用这个轴承座的左右对称面作为长度方向的尺寸基准;用轴承的后端面作为宽度方向的尺寸基准;用底板的底面作为高度方向的尺寸基准。
3.逐个地分别标注各基本体的定位和定形尺寸
通常先标注组合体中最主要的基本体的尺寸,在这个轴承座中是轴承,然后在留下的基本体中标注与尺寸基准有直接联系的基本体的尺寸,或标注在已标注尺寸的基本体旁边且与它有尺寸联系的基本体。
(1)轴承
如图b所示,以作为长度基准的轴承座左右对称面与离高度基准(轴承座底面)为60的不平面的交线,定出轴承座的轴线的位置,即标注定位尺寸60。以这条轴线作为径向基准,注出轴承内外圆柱面的定形尺寸Ф26和Ф50。从宽度基准(轴承后端面)出发,注轴承长度的定形尺寸50。这样,就完整地标注了轴承的定位尺寸与定形尺寸。
(2)凸台
如图b所示,由长度基准和宽度基准出发的定位尺寸26,定出凸台的轴线,以此为基准,注出定形尺寸Ф14和Ф26,用从高度基准出发的定位尺寸90,定出凸台顶面的位置;轴承和凸台都已定位,则凸台的高度也就确定了,不应再标注。于是便完整地标注了凸台尺寸和定形尺寸。
(3)底板
如图c所示,从宽度基准出发标注定位尺寸7,定出底板后壁的位置,并由此注出板宽尺寸60和底板上圆柱孔、圆角的定位尺寸44。从长度基准出发注出板长的定形尺寸90和底板上圆柱孔、圆角的定位尺寸58。由上述定位尺寸44和58定出圆孔的轴线,以此为径向基准,注出定形尺寸2-Ф18和R16。从高度基准出发,注出板厚定形尺寸14。也就完整地标注了底板的定位尺寸和定形尺寸。
(4)支承板
在图c中还用已注出的从宽度基准出发的定位尺寸7,定出了支承板后壁的位置,由此标注出板厚定形尺寸12。底板的厚度尺寸14,就是支承板底面位置的定位尺寸。从长度基准标注的支承板底面的长度尺寸,由已注出的底板的长度尺寸90充当,不应再标。左、右两侧与轴承相切的斜面可直接由作图确定,不应标注任何尺寸。由此完整地标注了支承板的定位和定形尺寸。
(5)肋板
如图c所示,从长度基准出发标出肋板厚度的定形尺寸12。肋板底面的定位尺寸已由底板厚度尺寸14充当,肋板后壁的定位尺寸已由支承板后壁的定位尺寸7和支承板厚度尺寸12充当,都不应再标;由肋板的底面和后壁出发,分别标注定形尺寸20和26。肋板的底面的宽度寸可由底板的宽度尺寸减去支承板的厚度尺寸12得出,不应标注;肋板两侧壁面与轴承的截交线由作图确定,不应标注高度尺寸。于是便完整标注了肋板的定位尺寸和定形尺寸。
4.标注总体尺寸
标注了组合体各基本体的定位和定形尺寸以后,对于整个轴承座还要考虑总体尺寸的标注。
如图b和图c所示,轴承座的总长和总高都是90,在图上已经注出,总宽尺寸应为67,但是这个尺寸以不注为宜,历为如果注出总宽尺寸,那么尺寸7或60就是不应标注的重复尺寸,然而注出上友谊赛两个尺寸60和7,有得明显表示底板的宽度以及与支承板之间的定位,如果保留了7和60这两个尺寸,还想标注总宽尺寸,则可标注总宽67后再加一个括号,作为参考尺寸注出。
5.校核
最后,对已标注的尺寸,按正确、完整、清晰的要求进行检查,如有不妥,则作适当修改或调整,这样才完成了标注尺寸的工作,如上图所示。
1;所有标注为智造资料网zl.fbzzw.cn的内容均为本站所有,版权均属本站所有,若您需要引用、转载,必须注明来源及原文链接即可,如涉及大面积转载,请来信告知,获取《授权协议》。
2;本网站图片,文字之类版权申明,因为网站可以由注册用户自行上传图片或文字,本网站无法鉴别所上传图片或文字的知识版权,如果侵犯,请及时通知我们,本网站将在第一时间及时删除,相关侵权责任均由相应上传用户自行承担。
[complaint:内容投诉]
智造资料网打造智能制造3D图纸下载,在线视频,软件下载,在线问答综合平台 » 标注组合体尺寸的步骤与方法(图文教程)





