7.4 零件的常见工艺结构
零件的结构形状,取决于它在机器中所起的作用。大部分零件都要经过铸造、锻造和机械加工等过程制造出来,因此,制造零件时,零件的结构形状不仅要满足机器的使用要求,还要符合制造工艺和装配工艺等方面的要求。
7.4.1 铸造零件的工艺结构
1. 起模斜度
用铸造的方法制造零件毛坯时,为了便于在砂型中取出模样,一般沿模样起模方向作成约1∶20的斜度,叫做起模斜度,因此在铸件上也有相应的起模斜度,如图7-23所示。起模斜度在图上可以不标注,也不画出;必要时,可以在技术要求中用文字说明。
图7-23 起模斜度
2. 铸造圆角

图7-24 铸造圆角
为了防止铸件冷却时产生裂纹和缩孔,防止浇铸时转角处落砂,铸件各表面相交的转角处都应做成圆角,称为铸造圆角。铸造圆角的大小一般取R=3~5mm,可在技术要求中统一注明。相交的两铸件表面中有一个表面经过切削加工后,这时铸造圆角被削平,相交的转角处变成尖角,如图7-24所示。
3. 铸件壁厚
若铸件的壁厚不均匀,铸件在浇铸后,因各处金属冷却速度不同,壁薄处先凝固,壁厚处冷却慢,易产生缩孔,或在壁厚突变处产生裂纹。因此,铸件的壁厚应尽量均匀。当必须采用不同壁厚连接时,应采用逐渐过渡的方式,如图7-25所示。铸件的壁厚尺寸一般直接注出。

图7-25 铸件壁厚
4. 过渡线
在铸造零件上,由于铸造圆角的存在,就使零件表面上的交线变得不十分明显。但是,为了便于读图及区分不同表面,在图样上,仍需按没有圆角时交线的位置,画出这些不太明显的线,这样的线称为过渡线。
过渡线用细实线表示,过渡线的画法与没有圆角时的相贯线画法完全相同,只是过渡线的两端与圆角轮廓线之间应留有空隙。下面分几种情况加以说明。
(1) 当两曲面相交时,过渡线应不与圆角轮廓接触,如图7-26所示。


图7-26 两曲面相交时过渡线的画法
(2) 当两曲面相切时,过渡线应在切点附近断开,如图7-27所示。


图7-27 两曲面相切时过渡线的画法
(3) 平面与平面、平面与曲面相交时,过渡线应在转角处断开,并加画过渡圆弧,其弯向与铸造圆角的弯向一致,如图7-28所示。

图7-28 平面与平面或平面与曲面相交时过渡线的画法
(4) 当肋板与圆柱组合时,其过渡线的形状与肋板的断面形状、以及肋板与圆柱的组合形式有关,如图7-29所示。
图7-29 肋板与圆柱组合时过渡线的画法
7.4.2 加工面的工艺结构
1. 倒角和倒圆
为了便于装配零件,消除毛刺或锐边,一般在孔和轴的端部加工出倒角。为了避免因应力集中而产生裂纹,常常把轴肩处加工成圆角的过渡形式,称为倒圆。倒角和倒圆的尺寸见附表19,其画法和标注方法如图7-30所示。

(a) 45°倒角和倒圆 (b) 30°和60°倒角
图7-30 倒角和倒圆
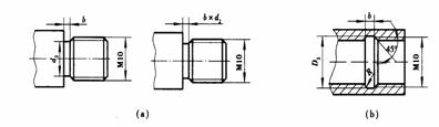
2. 退刀槽和砂轮越程槽
在切削加工零件时,特别是在车螺纹和磨削时,为了便于退出刀具及保证装配时相关零件的接触面靠紧,常在待加工面的末端先车出退刀槽或砂轮越程槽。退刀槽、砂轮越程槽的尺寸见附表20、21。槽的尺寸一般可按“槽宽×直径”或“槽宽×槽深”方式标注,当槽的结构比较复杂时,可画出局部放大图标柱尺寸,如图7-31所示。

(a) 外螺纹退刀槽 (b) 内螺纹退刀槽 
(c) 砂轮越程槽 (d) 砂轮越程槽
图7-31 退刀槽和砂轮越程槽
3. 减少加工面积
零件上与其他零件的接触面,一般都要加工。为了减少加工面积,保证零件表面之间有良好的接触,常常在铸件上设计出凸台、凹坑,如图7-32a、b表示螺栓连接的支承面做成
凸台和凹坑形式。如图7-32c、d表示为减少加工面积而做成凹槽和凹腔结构。

(a) 凸台 (b) 凹坑 (c) 凹槽 (d) 凹腔
图7-32 减少加工面
4. 钻孔的工艺要求
用钻头钻出的盲孔,底部有一个120°的锥顶角。圆柱部分的深度称为钻孔深度。在阶梯形钻孔中,有锥顶角为120°的圆锥台。
(a) 不合理 (b) 合理 (c) 合理 (d) 不合理 (e) 合理
图7-33 钻孔的工艺要求
钻孔时,要求钻头的轴线尽量垂直于被钻孔的表面,以保证钻孔准确,避免钻头折断,当零件表面倾斜时,可设置凸台或凹坑。钻头单边受力也容易折断,因此,钻头钻透处的结构,也要设置凸台使孔完整,如图7-33所示。
1;所有标注为智造资料网zl.fbzzw.cn的内容均为本站所有,版权均属本站所有,若您需要引用、转载,必须注明来源及原文链接即可,如涉及大面积转载,请来信告知,获取《授权协议》。
2;本网站图片,文字之类版权申明,因为网站可以由注册用户自行上传图片或文字,本网站无法鉴别所上传图片或文字的知识版权,如果侵犯,请及时通知我们,本网站将在第一时间及时删除,相关侵权责任均由相应上传用户自行承担。
[complaint:内容投诉]
智造资料网打造智能制造3D图纸下载,在线视频,软件下载,在线问答综合平台 » 机械制图教程-(7.4)零件的常见工艺结构(图文教程)

