一、标注尺寸的基本要求
组合体的形状、大小及相互位置是由它的视图及所注尺寸来反映 的。标注组合体尺寸的基本要求:
(1)正确 所注的尺寸数值要正确无误,注法要符合机械制图国家标准中有关尺寸注法的基本规定。
(2)齐全 所注尺寸必须能完全确定组合体的形状、大小及其相互位置,不遗漏、不重复、不多注。
(3)清晰 尺寸的布局要整齐、清晰,便于查找和看图。
二、常见基本形体的尺寸注法
常见基本形体的尺寸标注如图6—20所示。平面立体一般要标注长、宽、高三个方向的尺寸,回转体一般只要标注径向和轴向两个方向的尺寸,有时加上尺寸符号(直径符号“ø”及表示球的直径符号“s ø”)后,视图的数量便可减少,如图6—20b中的圆锥、圆柱、圆球、圆环、圆台等回转体,只需在不反映圆的视图上标注出带有直径符号地直径和轴向尺寸,就能确定它们的形状和大小,其佘视图均可省略不画。
基本形体被截切后的尺寸注法和两基本形体相贯后的尺寸注法见图6—21b。截交线和相贯线上不应直接标注尺寸,因为它们的形状和大小取决于形成交线的平面与立体或立体的形状、大小及其相互位置,交线是在加工时自然产生的,画图时是按一定的作图方法求得的。

故注截交线部分的尺寸时,只需标注参与截交的基本形体的定形尺寸和截面平面的尺寸,如图6—21b~e所示。注相贯部分的尺寸时,只需标注参与相贯的基本形体 的定形尺寸及其相贯位置的定位尺寸,如图6—21f~h所示。这里所说的常见基本形体,也属于简单组合体。


常见的几种平板式简单组合体的尺寸注法,如图6—22所示。
三、组合体的尺寸注法
(一)标注尺寸要齐全
标注尺寸要齐全,即标注尺寸必须不多不少,且能惟一确定组合体的形状、大小及其相互位置。标注组合体的尺寸通常采用形体分析法,将组合体分成若干个基本形体,标出其定形尺寸,再确定各基本形体的相互位置的定位尺寸,还要标注出组合体的总体尺寸。
1、 尺寸种类
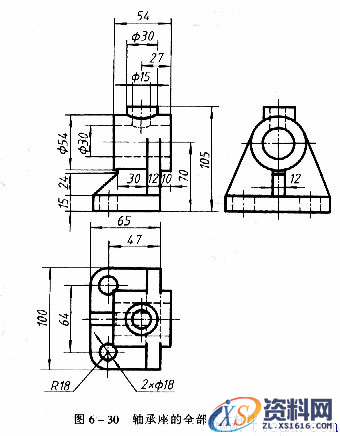
(1)定形尺寸 确定基本形体的形状和大小的尺寸,称为定形尺寸,如图6—20所示常见基本的尺寸均为定形尺寸。图6—23b中的轴承圆筒尺寸54、Ø54、Ø15、Ø30;底板尺寸板尺寸15、65、100、2×ø18、R18;支承板尺寸12、100、ø54;凸台尺寸ø30、ø15、R27;加强肋板尺寸30、24、12、53、R27等均为定形尺寸。凸台的尺寸R27(图6—29c)和肋板的尺寸R27(图6—29e)均为与圆筒轴承相接的圆弧直径尺寸ø54的半径。
(2)定位尺寸 确定各基本形体间相互位置的尺寸,称为定位尺寸,如图6—23a中所注的尺寸均为定位尺寸 。
定位尺寸也是组合体某方向上的主要基准与基本形体自身的基准之间的尺寸联系。若基本形体上某个平面处于与同方向主要基准面重合(或平齐),或其自身的对称平面(或回转轴线)与同方向组合体的对称面(或回转轴线)重合,则可省略其该方向上的定位尺寸标注(因此时该基本形体在该方向上的定位尺寸数值为零)。
综上所述,组合体的各基本形体的定位尺寸数量是一定的,每个基本形体的定位尺寸的数值也是一定的,尽管尺寸基准选择和标注形式可能有所不同,但组合体的尺寸数量的总数是一定的。
(3)总体尺寸 确定组合体外形所占空间大小的总长、总宽、总高的尺寸,称为总体尺寸,如图6—23b的总宽大100和高水平105,而总长由65+10决定。
通常总要标出总体尺寸,从形体分析和相对位置上考虑,全部注出定形尺寸、定为尺寸,尺寸即已齐全,若再加注总体尺寸,则会出现多余尺寸,因此,每加注一个总体尺寸,必定要去掉一个同方向的定形尺寸或定位尺寸。如图6—23b中注总高105,就要去掉定位尺寸35;总宽100也是底板的定形尺寸(底板宽),则无需去掉什么尺寸;如若注总75就要去掉定位尺寸10。也就是说尺寸的数量总是一定的。
当组合体在某一方向必须优先注出直径或半径(定形尺寸)和中心距(定位尺寸)时,其该方向的总体尺寸由此而定,就不要再标注了,而由中心距(定位尺寸)兼作总体尺寸,如图6—24a所示。由此可知,定形尺寸、定位尺寸、总体尺寸可以相互转化(或称相互兼作)。实际标注尺寸时,应认真分析,避免多注、少注或处理不当。

2.尺寸基准
标注尺寸的起点,称为尺寸基准。组合体长、宽、高三个方向(或径向、轴向两个方向)都应有若干个尺寸基准,同方向上的尺寸基准不管多少,只能有一个主要基准(通常是有较多尺寸从它注出的那个基准),即起主要作用的基准。同方向除了一个主要基准外,通常还有若干个辅助基准。
组合体上的点、直线、平面都可以选作为尺寸基准,曲线、曲面一般不能作为尺寸基准,通常采用较大的平面(对称平面、底面、端面)、直线辅助基准(回转体曲线、圆柱转向轮廓线)、点(球心)等作为尺寸基准。
尺寸基准之间(主要基准与辅助基准,辅助基准与辅助基准)应有相联系的定位尺寸(或定形尺寸,或总体尺寸)。如图6—23a中轴承座的底面为高度方向的主要基准;前后对称平面为宽度方向的主要基准;圆筒轴承的右端面为长度方向的主要基准。现以长度方向尺寸基准之间的联系尺寸为例,对其分析:支承板的右端面、左端面、底板的圆柱孔轴线和凸台的轴线均为长度方向的辅助基准,定位尺寸10、27均为主要基准与辅助基准之间的联系尺寸;定位尺寸12、27为主要基准与辅助基准之间的联系尺寸。图6—25a和6—26a高度方向的总体尺寸48、50均为所在方向的主要基准与辅助基准之间的联系尺寸。
(二)标注尺寸要清晰
标注尺寸要清晰,就是尺寸要恰当布局,便于查找和看图,不致发生误解和混淆。标注尺寸应注意以下几 点:
(1)尺寸应尽可能标注在反映基本形体形状特征较明显、位置特征较清楚的视呼图上。组合体上有关联的同一基本形体的定形尺寸与其定位尺寸尽可能集中标注在反映形状和位置特征明显的同一视图上,以便查找和看图。
如图6—25a所示,主视图上的矩形槽的定形尺寸10、6和高度方向的定位尺寸30,直

角梯形柱立板的定形尺寸44、20、36和高度方向的定位尺寸48以及府视图上底板的两圆柱孔圆的定形尺寸2×ø9和长度方向的定位尺寸9、26,宽度方向的定位尺寸27都是集中标注在同一视图上,而图6—25b的分散标注不好。

(2)为保持图形清晰,尺寸应尽量注在视图外面,尺寸排列要整齐,且应使小尺寸在里(靠近图形),大尺寸在外,如图6—26a所示。否则,尺寸线与尺寸界线相交,显得紊乱,不好,如图6—26b所示。当图上有足够地方能清晰地注写尺寸数字,又不影响图形的清晰,也可注在视图内,如图6—25a主视图上矩形槽定形(长)尺寸10要比图6—25b注在视图外好,又如图6—26a主视图上半圆头槽的圆心的长度方向的定位尺寸12要比图6—26b注在视图外好。
(3)标注圆柱、圆锥的直径尺寸应尽量注在非圆的视图(其轴线平行于投影面的视图)上,半圆以及小于半圆的圆弧的半径尺寸一定要注在反映为圆弧的视图上,如图6—27a所示。又如图6—26a中主视图`的尺寸R6和府视图的尺寸R8。

在板状零件上多孔分布时,其直径尺寸应注在反映为圆的视图上,如图6—22所示。

该文章所属专题:机械制图教程
(三)标注组合体尺寸的方法步骤
现以轴承座(图6—28、图6—29和图6—30)为例,说明标注组合步体尺寸的方法和步骤。
1. 形体分析
根据轴承座三视图(图6—28),分清底板、支承板、加强板、圆筒轴承、凸台等五部
分的形状和位置。(前文已 ,不再赘述)
2. 选定尺寸基准
按组合体长、宽、高三个方向依次选定其主要基准。轴承座的右端面可作为长度方向
的主要基准,轴承座的前后对称平面可作为宽度方向尺寸的主要基准,轴座的底板的底面可作为高度方向尺寸的主要基准,如图6—28所示。
3. 标注定位尺寸
从组合体长、宽、高三个方向的主要基准和辅助基准出发依次注出各基本形体的定位
尺寸,如图6—28所示,底板前后两个圆柱孔的轴线在长度方向上的定位尺寸47,在宽度方向上的定位尺寸为64,在高度方向上的定位尺寸为零。圆筒轴承在长度方向上为零,在高度方向上的定位尺寸为70,在宽度方向上的定位尺寸为零。凸台孔轴线在长度方向上为27,在高度方向上的定位尺寸为35(经尺寸调整后,此定位尺寸为105,见图6---30),在宽度方向上的定位尺寸为零。底板和支承板平齐的右端面与长度方向上的主要基准非合而为一,
所以,它们在长工度方向上均为10,它们在宽度方向上的定位尺寸也均为零,它们在高度方向上的定位尺寸,前者为零,后者为15。加强肋板在长度方向上的定位尺寸为12,在高度方向上的定位尺寸为15,在宽度方向上的定位尺寸为零。
综上所述,可知:
(1)在对称方向上处于居中位置的基本形体(如底板、支承板、圆筒轴承、加强肋板等基本形体都处于轴承座宽度方向的居中位置)在该方向上的定位为零,即不为注出。
(2)在不对称方向上的基本形体的面、线与该方向上的主要基准面、线重合(如圆筒轴承的右端面与长度方向上的主要基准面重合,又如底板的底面与高度方向上的主要基准面重合)在该方向上的定位尺寸为零,也不必注出。
4. 标注定形尺寸
按形体分析,依次注全各基本形体的定形尺寸,如底板应注出五个定形尺寸65、100、15、2*18、R18,如图6-29a所示;支承板应注出三个定形尺寸100、12、54,如图6-29b所示;加强肋板应就出五个定形尺寸53、24、30、12、R27,如图6-9d所示;凸台应注出三个定形尺寸30、15、R27,如图6-29e所示。定形尺寸注完后,如图6-29f所示 。图中加括号的尺寸为参考的尺寸,如图6-29b、c中的尺寸(55)和图6-29e中的尺寸(35)。
5、进行尺寸调整,并标注总体尺寸
由于定形尺寸、定位尺寸和总体尺寸有兼作情况,或具有规律分部的多个相同的基本形体时,都应避免重复标注尺寸,因此,要进行检查、调整,并标注总体尺寸。

如底板的宽度100兼作组合的总体尺寸(宽),也是支承板等腰梯形的下底宽尺寸,这个尺寸100三次兼作,只注一次,不能重复。支承板上部与圆筒轴承相切,其等腰梯形支承板上底宽尺寸由切点位置确定,也不应标注尺寸。又如凸台高度方向的定形尺寸也不应标注尺寸,属于无法标注,这是因为它与圆筒轴承相贯。还有凸台高度方向的定位尺寸35或105(35+70=105),如需直接注出组合体的总高度尺寸105,还要标注圆筒轴承承轴线高度方向的定位尺寸70,则凸台顶面到圆筒轴承承轴线的定位尺寸35,就不应再注了,否则,高度方向的尺寸标注就出现了封闭(注成封闭尺寸标注,尺寸基准就消失了,也就说,哪一个是标注尺寸的起点就不清楚了),此时,优先注出重要尺寸(70、105),而把某一个不太重要的尺寸(35)空开不注(不封闭),那么,尺寸70、105均是从高方向上的主要基准出发标注的,这样,该方向(高)的尺寸基准便清楚了,尺寸调整到此为止。
经过调整后的总体尺寸:总长由65+10决定、总高105,全部尺寸注完后,如图6-30所示。
该文章所属专题:机械制图教程
1;所有标注为智造资料网zl.fbzzw.cn的内容均为本站所有,版权均属本站所有,若您需要引用、转载,必须注明来源及原文链接即可,如涉及大面积转载,请来信告知,获取《授权协议》。
2;本网站图片,文字之类版权申明,因为网站可以由注册用户自行上传图片或文字,本网站无法鉴别所上传图片或文字的知识版权,如果侵犯,请及时通知我们,本网站将在第一时间及时删除,相关侵权责任均由相应上传用户自行承担。
[complaint:内容投诉]
智造资料网打造智能制造3D图纸下载,在线视频,软件下载,在线问答综合平台 » 机械制图教程—6-4组合体的尺寸注法(图文教程)

