要合理标注尺寸,除恰当地选择尺寸基准、分清尺寸的重要性之外,还应注意以下几个问题:
3.1 考虑设计要求
(1)主要尺寸直接标注
如图4-9所示,零件1和2组合后,要求保证尺寸20±0.3,对零件1应保证尺寸3±0.1,对零件2应保证17±0.2。现以零件1为例进行讨论。该零件的尺寸标注有三种情况:图4-10(a)可认为是以B面为基准标注尺寸3±0.1和6;图4-10(b)是以A面为基准标注尺寸3±0.1及3;图4-10(c)是以C面为基准标注尺寸3及6。
但为了保证尺寸20±0.3,零件1的轴向设计基准应是A面,而加工A面及C面的定位基准应是B面。因此,如图4-10(a)是从设计基准A标注尺寸3±0.1,再从定位基准B标注尺寸6,直接保证了尺寸3±0.1;图4-10(b)是由设计基准A起标注尺寸3±0.1和3,也直接保证了尺寸3±0.1;而图4-10(c)是以C面为基准标注尺寸3和6,没有直接保证尺寸3±0.1,但便于测量,因此,加工时要换算,才能保证设计要求。

图4-9(a)装配图

图4-9(b)零件1和零件2

图4-10
三种标注尺寸情况
(2)从两零件的结合面起标注尺寸
为保证设计要求,在互相配合的两零件中,与两零件的结合面有关的几何要素,标注其定位尺寸时,应从结合面注起。如图4-11中零件1、2的结合面为A,在标注零件1上小孔的定位尺b和零件2上小孔的定位尺寸c时,均应以结合面为基准直接注出。

图4-11
从结合面起标注尺寸
(3)避免注成封闭尺寸
零件图中,如在同一方向有几个尺寸构成封闭尺寸链时,则应选取其中不重要的一环作为封闭环,而且不要标注它的尺寸。如图4-12中a、b、c、d四个尺寸组成封闭尺寸,若c为不重要的一环,则不应标注该尺寸,这样可使制造误差全部集中在这一环上,从而保证其他尺寸。有时为了设计或加工的需
要,也可注成封闭形式,但封闭环的尺寸数字外应加圆括号。这种尺寸虽不是加工零件时所直接需要的,但可供绘图、加工和划线时参考,因而称为参考尺寸,如图4-13中的尺寸(22)即为划线时的参考尺寸。

图4-12
避免封闭尺寸图

4-13
参考尺寸的注法
3.2
考虑工艺要求
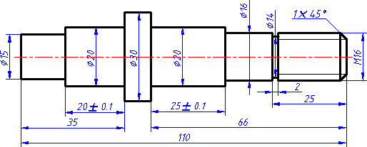
(1)尽量符合加工顺序
图4-14所示的小轴是按加工顺序标注尺寸的。考虑到该零件在车床上要调头加工,因此其轴向尺寸是以两端面为基准,而尺寸20±0.1、25±0.1两段要求较严,故直接注出。加工该轴的工序,如图4-15所示。

图4-14 小 轴

图4-15
按小轴加工顺序标注尺寸
(2)应考虑测量方便
标准尺寸时,在满足设计要求的前提下,应尽量考虑使用测量工具进行测量,避免或减少使用专用量具。如图4-16(a)中所注长度方向的尺寸A在加工和检验时测量均较困难。图4-16(b)的标注形式,测量较为方便。

图4-16
考虑测量方便(一)
又如图4-17所示的键槽,若标注尺寸E,则测量困难,而且不易控制尺寸,若标注尺寸F则便于测量。

图4-17
考虑测量方便(二)
(3)毛坯面的尺寸标注
毛坯面之间的尺寸一般应单独标注,因为这种尺寸是靠制造毛坯时保证的,如图4-18(a)中的尺寸A。而且应使其中一个毛坯面和某一加工面联系起来标注,如图中的尺寸B是在加工M面时保证的。
图4-18(b)所示的注法则不够合理,因为当加工M面时,难以同时保证尺寸B和C。

图4-18 毛坯面尺寸单独标出
1;所有标注为智造资料网zl.fbzzw.cn的内容均为本站所有,版权均属本站所有,若您需要引用、转载,必须注明来源及原文链接即可,如涉及大面积转载,请来信告知,获取《授权协议》。
2;本网站图片,文字之类版权申明,因为网站可以由注册用户自行上传图片或文字,本网站无法鉴别所上传图片或文字的知识版权,如果侵犯,请及时通知我们,本网站将在第一时间及时删除,相关侵权责任均由相应上传用户自行承担。
[complaint:内容投诉]
智造资料网打造智能制造3D图纸下载,在线视频,软件下载,在线问答综合平台 » 机械制图-3.3尺寸的合理标注(图文教程)

