机械设计基础试题(4)(图文教程)

1.机构具有确定运动的条件是:_____________________________________

2.图示机构要有确定运动需要有_________________个原动件。
机械设计基础试题(4)(图文教程),机械设计基础试题(4),基础,教程,第1张

3.平面四杆机构中,若各杆长度分别为a=30b=50c=80d=90,当以a为机架,则该四杆机构为________________

4.  曲柄摇杆机构中,曲柄为主动件时,_______________________死点位置。

(A)曲柄与连杆共线时,(B)摇杆与连杆共线时,(C)不存在,

5.凸轮机构基圆半径越___,压力角越___,机构传动性能越好。

6.键联接的主要用途是:__________________,键“12X50”的含义是__________________

7.普通平键联接所能传递的最大转矩为T,现要传递的转矩为1.5T,则应________________________

                    A)把键长增大到1.5倍,(B)把键高增大到1.5    C)把键宽增大到1.5   D)安装一对平键

8.  螺纹的公称直径是指它的___________,螺纹“M12X1.5左”的含义是____________________

9.  普通螺栓联接中的松螺纹联接与紧螺纹联接之间的主要区别是:松螺纹联接中的螺纹部分不存在________________作用。

(A)拉伸  B)扭转  C)剪切  D)弯曲

10.          一调整螺旋,采用双线粗牙螺纹,螺距为3毫米,为使螺母相对螺杆沿轴线移动2毫米,则螺杆应转_________圈,

11.国标规定,三角带有___________________________共七种类型,代号“B2240”表示的含义是:_____________________________________

12.带传动主要是依靠_____________来传递与动和动力,

(A)带和两轮接触面之间的正压力  B)带的紧边拉力

(B)  带和两轮接触面之间的摩擦力  D)带松边拉力

       13.三角带横截面为等腰梯形,夹角为40度,在设计三角带轮时,轮槽夹角一般确定为   ______________________

(A)      大于40  B)等于40  C)小于40

14.带传动的中心距与小带轮的直径一定时,若增大传动比,则小带轮包角_______________

15.渐开线齿廓形状取决于_____________________直径大小,

16.渐开线标准直齿圆柱齿轮传动,正确啮合条件是_____________________________________

17.齿轮传动的重合度越大,表示同时参与啮合的轮齿数目________________,齿轮传动越_______________

18.一渐开线标准直齿圆柱齿轮的齿距为15.7毫米,齿根圆直径为367.5mm,则该齿轮的齿数为______________

19.闭式软齿面齿轮传动的强度设计,首先按_______________________强度条件计算,校核_________________

20.轮系通常分为_______________________________________________________两种。

二、简要回答

1.作出下列机构图示位置压力角。
机械设计基础试题(4)(图文教程),机械设计基础试题(4),基础,教程,第2张

1)作出图示位置压力角;

2)求该凸轮基圆半径rb

 (3)求从动杆升程h。

3.螺纹联接的自锁条件是什么?在公称直径,螺旋升角,摩擦系数相同的情况下,试比较三角形螺纹、  梯形螺纹、矩形螺纹的自锁性(简述理由)。

三、计算题

1,  一对标准直齿圆柱齿轮传动,已知两齿轮齿数分别为4080,并且测得小齿轮的齿顶圆直径为420mm,求两齿轮的主要几何尺寸。

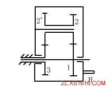
2,  图示轮系,已知各轮齿数Z1=Z2'=41,Z2=Z3=39,求手柄H与轮1的传动比i1H

机械设计基础试题(4)(图文教程),机械设计基础试题(4),基础,教程,第3张

参考答案
 

该文章所属专题:机械设计基础试题

参考答案


一、填空:
1 原动件数等于机构的自由度数
2 1
3 双曲柄机构
4 不存在
5 大   小
6 周向固定  传递运动和转矩
7 安装一对平键
8 外径     左旋细牙螺纹公称直径12  
9   扭转
10 1/3 
11   Y Z A B C D E   基准长度2240mm
12  带和两轮接触面之间的摩擦力
13  小于40
14  变小
15   基圆
16  模数相等,压力角相等
17  平稳
18  76
19  齿面接触疲劳  齿根弯曲疲劳强度
20  定轴轮系  行星轮系
二、简答
1 图
2 图
3 螺旋升角小于当量摩擦角   由于当量摩擦角的关系,三角螺纹自锁最好,矩形最差
4 离心力大  转数多
5 大小齿轮材料及热处理硬度差50左右,由于小齿轮转数多,更快失效
三、计算题
1     m=420/(40+2)=10  

     d1=400  d2= 800  da2=800+20=820

    df1=400-2*1.25m=375

     df2=800-2*1.25m=775

    a=10/2(40+80)=600 

    p=3.14*m=31.4

2    (n1-nH)/(0-nH)=z2 z3/z1 z2'     

       (-n1/nH)+1=z2 z3/z1 z2'      

       i1H=1-(39*39/41*41)=0.095

 

该文章所属专题:机械设计基础试题

免责声明:
1;所有标注为智造资料网zl.fbzzw.cn的内容均为本站所有,版权均属本站所有,若您需要引用、转载,必须注明来源及原文链接即可,如涉及大面积转载,请来信告知,获取《授权协议》。
2;本网站图片,文字之类版权申明,因为网站可以由注册用户自行上传图片或文字,本网站无法鉴别所上传图片或文字的知识版权,如果侵犯,请及时通知我们,本网站将在第一时间及时删除,相关侵权责任均由相应上传用户自行承担。
[complaint:内容投诉]
智造资料网打造智能制造3D图纸下载,在线视频,软件下载,在线问答综合平台 » 机械设计基础试题(4)(图文教程)