第二节 工件加工时的定位和基准

图12-2 直接找正安装
⒈ 直接找正装夹 1—工件 2—千分表 3—四爪卡盘
(一)工件的装夹
在设计机械加工工艺规程时,主要考虑的问题之一是如何将工件装夹在机床上或者夹具中,这里装夹有两个含义,即定位和夹紧。定位是指确定工件在机床或夹具占有正确位置的过程,夹紧是指工件定位后将其固定,使其在加工过程中保持定位位置不变的操作。
工件在机床上或夹具中装夹有三种主要方法:

图12-3 划线找正装夹
1—四爪卡盘 2—工件 3—毛坯孔 4—划线孔 5—检验线孔
工件的定位过程可以由操作工人直接在机床上利用千分表、划线盘等工具找正某些有相互位置要求的表面,然后夹紧工件称为直接找正装夹。例如套类零件内孔磨削时的装夹(如图12-2所示),磨削前应将工件轻轻夹在内圆磨床的四爪卡盘中以千分表对外圆进行找正,使外圆轴心线与机床主轴轴心线相重合,然后夹紧,以保证磨削后工件外圆与内圆的同轴度。
这种安装方式效率低,但找正精度可以很高,适合单件小批量生产或在精度要求特别高的生产中使用。
2.划线找正装夹
划线找正装夹装夹方法是按图纸要求在工件表面上划出位置线以及加工线和找正线,装夹工件时,先在机床上按找正线找正工件位置,然后夹紧工件。例如在长方形工件上镗孔(如图12-3所示)可先在划线平台上划出孔的十字中心线,再划出加工线和找正线,然后将工件在四爪单动卡盘上轻轻夹住,用划线检查找正线,找正后夹紧工件。划线找正装夹不需要其它专用设备,通用性好,但生产效率低,精度不高,适用于单件、中小批生产中的复杂铸件或零件精度较低的粗加工工序。
3.夹具装夹
为保证加工精度要求和提高生产率,通常采用夹具装夹,用夹具装夹工件,不需要划线和找正,直接由夹具来保证工件在机床上的正确位置,并在夹具上直接夹紧工件,该方法操作比较简单,容易保证加工精度,在各类生产类型中都广泛应用。
(二) 工件定位的基本原理

12-4工件在空间的自由度
1.六点定位基本原理
工件在空间具有六个独立的运动,即六个自由度:三个坐标方向的移动自由度
、
、
和转动自由度
、
、
,如图12-4所示。若使工件在空间占有确定的位置,就必须按一定的要求布置六个支承点(及定位元件)来限制工件的六个自由度,这就是工件的“六点定位原理”。
如图12-5所示的长方形工件,底面A放置在不在同一直
线上的三个支承点上,限制了工件的
由图12-5可知,工件形状不同,定位表面不同,定位点的布置情况会各不相同。

图12-5 长方形工件的六点定位
1.工件自由度与加工要求的关系
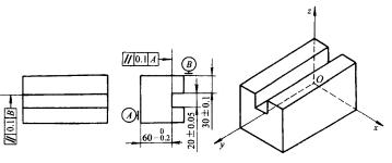
工件定位时,影响加工要求的自由度必须限制,不影响加工精度的自由度不必限制。如铣削图12-6所示零件上的通槽,
、
、
三个自由度影响槽底面与A面的平行度及尺寸
两项加工要求,
、
两个自由度影响槽侧面与B面的平行度及尺寸
两项加工要求,
自由度不影响通槽加工。
、
、
、
、
五个自由度对加工要求有影响,应该限制。
自由度对加工要求无影响,可以不限制。
1. 完全定位与不完全定位
工件的六个自由度全部被限制的定位称为完全定位(如图12-5所示)。工件被限制的自由度少于六个,但不影响加工要求的定位称为不完全定位(如图12-6所示)。完全定位与不完全定位是实际加工中最常用的定位方式。
2. 过定位与欠定位
按照加工要求应该限制的自由度没有被限制的定位称为欠定位。欠定位是不允许的。因为欠定位保证不了加工要求。
工件的一个或几个自由度被不同的定位元件重复限制的定位称为过定位。如图12-7 所示的连杆定位方案,长销限制了
、
、
、
四个自由度,支承板限制了
、
、
三个自由度,其中
、
被两个定位元件重复限制,这就产生过定位。当工件小头孔与端面有较大垂直度误差时夹紧力将使连杆变形,或使长销弯曲(如图12-7c),造成连杆加工误差。若采用图12-7d方案,即将长销改为短销,就不会产生过定位。

图12-6 限制自由度与加工要求的关系

图12-7 连杆定位方案

图12-8 衬套简图
过定位是否采用,需要具体情况具体分析。当过定位导致工件或定位元件变形影响加工精度时,应严禁采用;当过定位不影响工件的正确定位,对提高加工精度有利时,也可以采用。
二、定位基准的选择
(一)基准及其分类
基准是机械制造中应用得十分广泛的一个概念,是用来确定生产对象上几何要素之间的几何关系所依据的哪些点、线、面。根据基准功用不同,可分为设计基准和工艺基准。
1. 设计基准
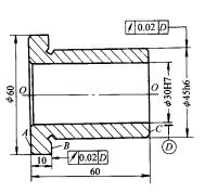
设计图样上所采用的基准称为设计基准,例如图12-8所示的轴心线O—O是各外圆表面和内孔的设计基 准;Ф30内孔的轴心线是Ф45h6外圆表面径向跳动和端面B端面圆跳动的设计基准。
2.工艺基准
在工艺过程中所采用的基准,称为工艺基准。它包括:
(1)装配基准 在装配时用以确定零件或部件在产品中的相对位置所采用的基准。
(2)测量基准 在加工中或加工后用来测量工件的形状、位置和尺寸误差,测量时所采用的基准。
(3)工序基准 在工序图上用来确定本工序所加工表面加工后的尺寸、形状、位置的基准。
(4)定位基准 在加工时用于工件定位的基准。
图12-9是各种基准之间相互关系的实例。

图12-9 各种基准之间关系 图12-10 套的粗基准选择
(二)定位基准的选择
在制定零件加工工艺过程时,合理地选择定位基准,对保证零件的位置精度,安排加工顺序有着决定性的影响。选择定位基准应从有相互位置精度要求的表面中选择,且尽量与设计基准或装配基准重合。
定位基准可分为粗基准和精基准。用未加工过的毛坯表面作为定位基准的称为粗基准;用已加工过的表面作为定位基准的称为精基准。
1. 粗基准的选择

图12-11 车床床身的粗基准选择
粗基准的选择是否合理,直接影响到各加工表面加工余量的分配,以及加工表面和不加工表面的相互位置关系。因此,必须合理选择。具体选择时一般应遵循以下原则:
⑴ 保证相互位置要求的原则 为保证加工面和不加工面的相互位置要求则应以不加工面作为粗基准。如图12-10所示,以不加工的
外圆表面作粗基准,可以保证内孔加工后壁厚均匀。同时还可以在一次安装中加工出大部分要加工的表面。⑵ 保证加工表面加工余量合理分配原则 为保证重要加工表面的加工余量均 匀,应选择该表面的毛坯面为粗基准。例如,车床床身加工中,导轨面是最重要的表面,它不仅精度要求高,而且要求导轨面有均匀的金相组织和较高的耐磨性,应使导轨面去除余量小且均匀。因此应选择导轨面为粗基准,先加工底面(如图12-11a),然后再以底面为精基准加工导轨面(如图12-11b)。这就可以保证导轨面的加工余量均匀。
⑶ 便于工件装夹的原则 选择粗基准时,必须考虑定位准确、夹紧可靠操作方便等,要求选用的粗基准尽可能平整、光洁和有足够大的尺寸,不允许有飞边、浇冒口等缺陷。

图12-12 重复使用粗基准示例
⑷ 粗基准一般不得重复使用的原则 若毛坯的定位面很粗糙,在两次装夹中使用同一粗基准就会造成相当大的定位误差。如图12-12所示的小轴,如果重复使用毛坯面B定位加工A和C,则会使加面A和C产生较大的同轴度误差。
2.精基准的选择
选择精基准主要考虑如何减少加工误差、保证加工精度,使工件装夹方便,并使零件的制造较为经济、容易,具体选择时可遵循以下原则:
⑴ 基准重合原则 选择被加工表面的设计基准为精基准称为基准重合原则。采用基准重合原则可以避免由定位基准和设计基准不重合而引起的定位误差。
⑵ 基准统一原则 当工件以某一组精基准可以比较方便地加工其它表面时,应尽可能在多数工序中采用此同一组精基准定位,这就是基准统一原则。采用统一基准可以避免基准变换所产生的误差,提高各加工表面之间的位置精度,同时简化夹具的设计和制造的工作量。
⑶ 自为基准原则 某些要求加工余量小而均匀的精加工工序,选择加工表面本身为基准进行加工,称为自为基准原则。如拉孔、铰孔、珩磨孔、浮动镗刀镗孔都是自为基准加工的例子。采用自为基准原则加工时,只能提高加工表面本身的尺寸精度、形状精度,不能提高加工表面的位置精度,加工表面的位置精度应由前道工序保证。
(4) 互为基准原则 为使各加工表面之间有较高的位置精度,且使其加工余量小而均匀,可采用两个表面互为基准反复加工,称为互为基准原则。
在实际生产中,精基准的选择要完全符合上述原则,有时很难做到。应根据具体的加工对象和加工条件,从保证主要技术要求出发,灵活选用有利的精基准。
1;所有标注为智造资料网zl.fbzzw.cn的内容均为本站所有,版权均属本站所有,若您需要引用、转载,必须注明来源及原文链接即可,如涉及大面积转载,请来信告知,获取《授权协议》。
2;本网站图片,文字之类版权申明,因为网站可以由注册用户自行上传图片或文字,本网站无法鉴别所上传图片或文字的知识版权,如果侵犯,请及时通知我们,本网站将在第一时间及时删除,相关侵权责任均由相应上传用户自行承担。
[complaint:内容投诉]
智造资料网打造智能制造3D图纸下载,在线视频,软件下载,在线问答综合平台 » 机械制造工程_12.2工件加工时的定位和基准(图文教程)

