指令格式 G92 X__ Y__ Z__
指令功能 设定工件坐标系
指令说明 1)在机床上建立工件坐标系(也称编程坐标系);
2)如图1所示,坐标值X、Y、Z为刀具刀位点在工件坐标系中的坐标值(也称起刀点或换刀点);
3)操作者必须于工件安装后检查或调整刀具刀位点,以确保机床上设定的工件坐标系与编程时在零件上所规定的工件坐标系在位置上重合一致;
4)对于尺寸较复杂的工件,为了计算简单,在编程中可以任意改变工件坐标系的程序零点。

图1 G92设定工件坐标系
在数控铣床中有二种设定工件坐标系的方法,一种方法如图1所示,先确定刀具的换刀点位置,然后由G92指令根据换刀点位置设定工件坐标系的原点,G92指令中X、Y、Z坐标表示换刀点在工件坐标系XpYpZp中的坐标值;另一种方法如图2所示,通过与机床坐标系XYZ的相对位置建立工件坐标系XpYpZp,如有的数控系统用G54指令的X、Y、Z坐标表示工件坐标系原点在机床坐标系中的坐标值。

图2 G54设定工件坐标系
2. 绝对坐标输入方式G90指令和增量坐标输入方式G91指令
指令格式 G90
G91
指令功能 设定坐标输入方式
指令说明 1)G90指令建立绝对坐标输入方式,移动指令目标点的坐标值X、Y、Z表示刀具离开工件坐标系原点的距离;
2)G91指令建立增量坐标输入方式,移动指令目标点的坐标值X、Y、Z表示刀具离开当前点的坐标增量。
3. 快速点定位G00指令
指令格式 G00 X__ Y__ Z__
指令功能 快速点定位
指令说明 1)刀具以各轴内定的速度由始点(当前点)快速移动到目标点;
2)刀具运动轨迹与各轴快速移动速度有关;
3)刀具在起始点开始加速至预定的速度,到达目标点前减速定位。
例题1 如图3所示,刀具从A点快速移动至C点,使用绝对坐标与增量坐标方式编程。

图3 快速定位
绝对坐标编程
G92 X0 Y0 Z0 设工件坐标系原点,换刀点O与机床坐标系原点重合
G90 G00 X15 Y-40 刀具快速移动至Op点
G92 X0 Y0 重新设定工件坐标系,换刀点Op与工件坐标系原点重合
G00 X20 Y10 刀具快速移动至A点定位
X60 Y30 刀具从始点A快移至终点C
用增量值方式编程
G92 X0 Y0 Z0
G91 G00 X15 Y-40
G92 X0 Y0
G00 X20 Y10
X40 Y20
在上例题中,刀具从A点移动至C点,若机床内定的X轴和Y轴的快速移动速度是相等的,则刀具实际运动轨迹为一折线,即刀具从始点A按X轴与Y轴的合成速度移动至点B,然后再沿X 轴移动至终点C。
4. 直线插补G01指令
指令格式 G01 X__ Y__ Z__ F__
指令功能 直线插补运动
指令说明 1)刀具按照F指令所规定的进给速度直线插补至目标点;
2)F代码是模态代码,在没有新的F代码替代前一直有效;
3)各轴实际的进给速度是F速度在该轴方向上的投影分量;
4)用G90或G91可以分别按绝对坐标方式或增量坐标方式编程。
例题2 如图4所示,刀具从A点直线插补至B点,使用绝对坐标与增量坐标方式编程。
G90 G01 X60 Y30 F200
或G91 G01 X40 Y20 F200

图4 直线插补
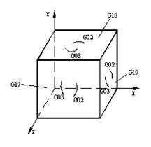
5. 插补平面选择G17、G18、G19指令
指令格式 G17
G18
G19
指令功能 表示选择的插补平面
指令说明 1)G17表示选择XY平面;
2)G18表示选择ZX平面;
3)G19表示选择YZ平面。
6. 顺时针圆弧插补G02指令和逆时针圆弧插补G03指令
指令格式 XY平面圆弧插补指令(如图5所示)

图5 XY插补平面
ZX平面圆弧插补指令(如图6所示)

图6 XZ插补平面
YZ平面圆弧插补指令(如图7所示)

图7 YZ插补平面
指令功能 在指定平面内圆弧插补运动
指令说明 1)圆弧的顺逆时针方向如图8所示,从圆弧所在平面的垂直坐标轴的负方向看去,顺时针方向为G02,逆时针方向为G03;

图8 顺逆圆弧的区分
2)F规定了沿圆弧切向的进给速度;
3)X、Y、Z为圆弧终点坐标值,如果采用增量坐标方式G91,X、Y、Z表示圆弧终点相对于圆弧起点在各坐标轴方向上的增量;
4)I、J、K表示圆弧圆心相对于圆弧起点在各坐标轴方向上的增量,与G90或G91的定义无关;
5)R是圆弧半径,当圆弧所对应的圆心角为0°~180°时,R取正值;圆心角为180°~360°时,R取负值;
6)I、J、K的值为零时可以省略;
7)在同一程序段中,如果I、J、K与R同时出现则R有效。
例题3 如图9所示,设起刀点在坐标原点O,刀具沿A-B-C路线切削加工,使用绝对坐标与增量坐标方式编程。

图9 圆弧插补
绝对坐标编程
G92 X0 Y0 Z0 设工件坐标系原点、机床坐标系原点与换刀点重合(参考点)
G90 G00 X200 Y40 刀具快速移动至A点
G03 X140 Y100 I-60 (或R60) F100
G02 X120 Y60 I-50 (或R50)
增量坐标编程
G92 X0 Y0 Z0
G91 G00 X200 Y40
G03 X-60 Y60 I-60 (或R60) F100
G02 X-20 Y-40 I-50 (或R50)
例题4 如图10所示,起刀点在坐标原点O,从O点快速移动至A点,逆时针加工整圆,使用绝对坐标与增量坐标方式编程。
绝对坐标编程
G92 X0 Y0 Z0
G90 G00 X30 Y0
G03 I-30 J0 F100
G00 X0 Y0
增量坐标编程
G92 X0 Y0 Z0
G91 G00 X30 Y0
G03 I-30 J0 F100
G00 X-30 Y0

图10 整圆加工
7. 暂停G04指令
指令格式

指令功能 刀具作短暂的无进给光整加工
指令说明 1)地址码X可用小数,单位为S;
2)地址码 P只能用整数,单位为ms。
8. 英制输入G20指令和公制输入G21指令
指令格式 G20
G21
指令功能 设定输入数据的量纲
指令说明 1)G20、G21是两个互相取代的G代码;
2)G20设定数据为公制量纲;
3)G21设定数据为英制量纲;
4)经设定后公制和英制量纲可混合使用。
9. 自动返回参考点G28指令
指令格式 G28 X__ Y__ Z__
指令功能 刀具经指定的中间点快速返回参考点
指令说明 1)坐标值X__Y__Z__为中间点坐标;
2)刀具返回参考点时避免与工件或夹具发生干涉;
3)通常G28指令用于返回参考点后自动换刀,执行该指令前必须取消刀具半径补偿和刀具长度补偿。
G28 指令的功能是刀具经过中间点快速返回参考点,指令中参考点的含义,如果没有设定换刀点,那么参考点指的是回零点,即刀具返回至机床的极限位置;如果设定了换刀点,那么参考点指的是换刀点,通过返回参考点能消除刀具在运行过程中的插补累积误差。指令中设置中间点的意义是设定刀具返回参考点的走刀路线。如 G91 G28 X0 Z0 表示刀具先从Y轴的方向返回至Y轴的参考点位置,然后从X轴的方向返回至X轴的参考点位置,最后从Z轴的方向返回至Z轴的参考点位置。
10. 从参考点移动至目标点G29指令
指令格式 G29 X__ Y__ Z__
指令功能 刀具从参考点经过指定的中间点快速移动到目标点。
指令说明 1)返回参考点后执行该指令,刀具从参考点出发,以快速点定位的方式,经过由G28所指定的中间点到达由坐标值X___Y___Z所指定的目标点位置;
2)X___Y___Z___表示目标点坐标值,G90指令表示目标点为绝对值坐标方式,G91指令表示目标点为增量值坐标方式,则表示目标点相对于G28中间点的增量;
3)如果在G29指令前,没有G28指令设定中间点,执行G29指令时,则以工件坐标系零点作为中间点。
例题5 如图11所示,刀具从A点经过中间点B返回参考点R,换刀后再经过中间点B到C点定位,使用绝对坐标与增量坐标方式编程。
用绝对值方式编程
G90 G28 X130 Y70 当前点A→B→R
M06 换刀
G29 X180 Y30 参考点R→B→C
用增量值方式编程
G91 G28 X100 Y20
M06
G29 X50 Y-40
若程序中无G28指令,则程序段
G90 G29 X180 Y30 进给路线为A→O→C。

图11 自动返回参考点
11. 刀具半径补偿G41、G42指令
指令格式

指令功能 数控系统根据工件轮廓和刀具半径自动计算刀具中心轨迹,控制刀具沿刀具中心轨迹移动,加工出所需要的工件轮廓,编程时避免计算复杂的刀心轨迹。
指令说明 1)X__ Y__ 表示刀具移动至工件轮廓上点的坐标值;
2)H (或D)__为刀具半径补偿寄存器地址符,寄存器存储刀具半径补偿值;
3)如图12左图所示,沿刀具进刀方向看,刀具中心在零件轮廓左侧,则为刀具半径左补偿,用G41指令;
4)如图12右图所示,沿刀具进刀方向看,刀具中心在零件轮廓右侧,则为刀具半径右补偿,用G42指令;
5)通过G00或G01运动指令建立刀具半径补偿。

图12 刀具半径补偿位置判断
例题6 如图13所示,刀具由O点至A点,采用刀具半径左补偿指令G41后,刀具将在直线插补过程中向左偏置一个半径值,使刀具中心移动到B点,其程序段为:
G41 G01 X50 Y40 F100 H01
H01为刀具半径偏置代码,偏置量(刀具半径)预先寄存在H01指令指定的寄存器中。

图13 刀具半径补偿过程
运用刀具半径补偿指令,通过调整刀具半径补偿值来补偿刀具的磨损量和重磨量,如图14所示,r1为新刀具的半径,r2为磨损后刀具的半径。此外运用刀具半径补偿指令,还可以实现使用同一把刀具对工件进行粗、精加工,如图15所示,粗加工时刀具半径r1为r+Δ,精加工时刀具半径补偿值为r2为r,其中Δ为精加工余量。

图14 刀具磨损后的刀具半径补偿

图15 粗、精加工的刀具半径补偿
12. 取消刀具半径补偿G40指令
指令格式

指令功能 取消刀具半径补偿
指令说明 1 指令中的X__ Y__表示刀具轨迹中取消刀具半径补偿点的坐标值;
2 通过G00或G01运动指令取消刀具半径补偿;
3 G40必须和G41或G42成对使用。
例题7 如图13所示,当刀具以半径左补偿G41指令加工完工件后,通过图中CO段取消刀具半径补偿,其程序段为:
G40 G00 X0 Y0
13. 刀具长度补偿G43、G44、G49指令
指令格式

指令功能 对刀具的长度进行补偿
指令说明 1)G43指令为刀具长度正补偿;
2)G44指令为刀具长度负补偿;
3)G49指令为取消刀具长度补偿;
4)刀具长度补偿指刀具在Z方向的实际位移比程序给定值增加或减少一个偏置值;
5)格式中的Z值是指程序中的指令值;
6)H为刀具长度补偿代码,后面两位数字是刀具长度补偿寄存器的地址符。
H01指01号寄存器,在该寄存器中存放对应刀具长度的补偿值。H00寄存器必须设置刀具长度补偿值为0,,调用时起取消刀具长度补偿的作用,其余寄存器存放刀具长度补偿值;
执行G43时:Z实际值=Z指令值+H__中的偏置值
执行G44时:Z实际值=Z指令值-H__中的偏置值
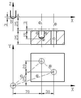
例题8 图16所示,图中A点为刀具起点,加工路线为1→2→3→4→5→6→7→8→9。要求刀具在工件坐标系零点Z轴方向向下偏移3mm,按增量坐标值方式编程(提示把偏置量3mm存入地址为H01的寄存器中)。
程序如下:
N01 G91 G00 X70 Y45 S800 M03
N02 G43 Z-22 H01
N03 G01 G01 Z-18 F100 M08
N04 G04 X5
N05 G00 Z18
N06 X30 Y-20
N07 G01 Z-33 F100
N08 G00 G49 Z55 M09
N09 X-100 Y-25
N10 M30

图16 刀具长度补偿
1;所有标注为智造资料网zl.fbzzw.cn的内容均为本站所有,版权均属本站所有,若您需要引用、转载,必须注明来源及原文链接即可,如涉及大面积转载,请来信告知,获取《授权协议》。
2;本网站图片,文字之类版权申明,因为网站可以由注册用户自行上传图片或文字,本网站无法鉴别所上传图片或文字的知识版权,如果侵犯,请及时通知我们,本网站将在第一时间及时删除,相关侵权责任均由相应上传用户自行承担。
[complaint:内容投诉]
智造资料网打造智能制造3D图纸下载,在线视频,软件下载,在线问答综合平台 » 数控铣床基本指令详解(图文教程)

