


海量N95口罩机、自动化结构设计、UG汽车模具设计、2D、3D五金汽车模具设计、UG塑胶模具设计、PROE产品设计、CNC编程、CNC电脑锣操作、精雕浮雕、PRESSCAD软件应用、UG软件应用、UG数控编程、Mastercam数控编程、Powermill数控编程、SOLIDWORKS软件、SOLIDWORKS培训、ZBRUSH雕刻,ZBRUSH雕刻3D建模、UG模具设计、模流分析moldfolw、五轴编程培训、AutoformR7等图档、软件资料免费下载网址:https://zl.xs1616.com/?fromuid=2
免费教学视频网址:https://www.xs1616.com/
李老师电话:13018639977(微信同号)QQ:2033825601












































免责声明:
1;所有标注为智造资料网zl.fbzzw.cn的内容均为本站所有,版权均属本站所有,若您需要引用、转载,必须注明来源及原文链接即可,如涉及大面积转载,请来信告知,获取《授权协议》。
2;本网站图片,文字之类版权申明,因为网站可以由注册用户自行上传图片或文字,本网站无法鉴别所上传图片或文字的知识版权,如果侵犯,请及时通知我们,本网站将在第一时间及时删除,相关侵权责任均由相应上传用户自行承担。
[complaint:内容投诉]
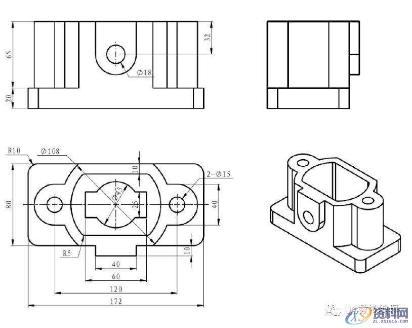
智造资料网打造智能制造3D图纸下载,在线视频,软件下载,在线问答综合平台 » CNC数控编程——UG编程画图建模图纸分享,收藏后再也不用担心没有练习图啦! ...
1;所有标注为智造资料网zl.fbzzw.cn的内容均为本站所有,版权均属本站所有,若您需要引用、转载,必须注明来源及原文链接即可,如涉及大面积转载,请来信告知,获取《授权协议》。
2;本网站图片,文字之类版权申明,因为网站可以由注册用户自行上传图片或文字,本网站无法鉴别所上传图片或文字的知识版权,如果侵犯,请及时通知我们,本网站将在第一时间及时删除,相关侵权责任均由相应上传用户自行承担。
[complaint:内容投诉]
智造资料网打造智能制造3D图纸下载,在线视频,软件下载,在线问答综合平台 » CNC数控编程——UG编程画图建模图纸分享,收藏后再也不用担心没有练习图啦! ...

