一.引言
掌上键盘看上去比较新奇,重量很轻,体积也小。无线连接,带触摸板和激光指示器。带LED灯,内置锂电,可以充电使用,续航能力强。30米的范围内都可以使用,虽然触控键盘可以满足多数人的操作要求,可是中量文字输入还是需要实体键盘的帮助。而掌上型蓝牙键盘在出门时是很不错的应急方案,至少肥大的手指有实体按键出错率会比较低。大量的文字输入建议还是找支标准大小的键盘比较不会虐待自己,掌上键盘图的毕竟是方便与手感,而不是要取代原有的输入方式。

图1掌上键盘实物图片
二.制品分析
掌上键盘产品图实物照片如图1所示,面壳和底壳塑件图见图2,塑件最大外形尺寸为151.1mmx 58.3mmx 11.03mm,塑件平均胶位厚度2.1mm,塑件质量为面壳9.64克,底壳19.75克,材料为ABS,缩水率为0.5%.
模具设计难点:面壳口部外边缘一圈倒角,需要前后模具成型,夹线要在0.03MM以下,手感和目视都不明显。外观高光表面,不得有各种缺陷,尤其是批锋和缩水。面壳和底壳组装后外观美观,边缘缝隙间隙均匀,无各种变形和翘曲。
底壳边缘有一处USB插口,需要间隙均匀,插入力度适当,不能左右摇摆。触摸屏安装部位平整,手感适当。产品本身是IPHONE手机的配套产品,外观要求高。

图2掌上键盘面壳和底壳产品3D图

图2掌上键盘面壳和底壳产品3D图
三.模具设计要点
1.型腔数量
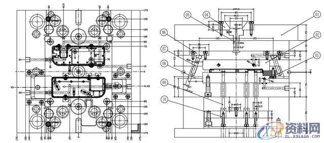
塑件结构比较复杂,为了降低成本,同时使面壳和底壳具有相同的成型条件,设计1+1的型腔排位。模具设计图见图3.前后模仁设置虎口做精定位,见模具设计

图3掌上键盘外壳模具图
2.进浇方式设计
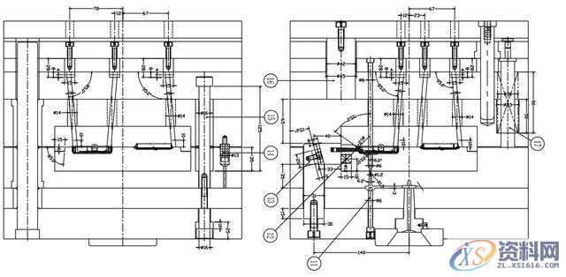
塑件的周边及顶面均为外观面,不得设置进胶点。因而采用细水口转潜水的方式,底壳一点进胶,面壳胶位较少,塑料流动困难,采用3点进胶,其中有两处为潜牛角进胶。牛角进胶镶件需要分开2件制作,见图4。

图4掌上键盘外壳模具图
3.侧向抽芯系统设计
一个前模滑块,两个后模滑块,见模具设计图。前模滑块采用T型槽带动,后模滑块采用斜导柱带动。

图5掌上键盘外壳模具图
4.冷却系统设计
模具设计了良好的冷却系统,前后模仁的运水孔见模具设计图。
5.顶出系统
塑件的顶出依靠顶针、扁顶针和斜顶顶出,见模具图。

图6掌上键盘外壳模具图

图7掌上键盘后模斜顶图

图8掌上键盘前模仁图

图9掌上键盘后模仁和斜顶滑块图
东莞潇洒职业培训学校目前开设课程有:学历提升、积分入户、数控编程培训、塑胶模具设计培训,压铸模具设计培训、冲压模具设计培训,精雕、ZBrush圆雕培训、Solidworks产品设计培训、pro/E产品设计培训、AutoformR7工艺分析培训,非标自动化设计、PLC编程、CNC电脑锣操机、平面设计等培训,潇洒职业培训学校线下、线上等网络学习方式,随到随学,上班学习两不误,欢迎免费试学!
联系电话:13018636633(微信同号) QQ:1740467385
学习地址:东莞市横沥镇
1;所有标注为智造资料网zl.fbzzw.cn的内容均为本站所有,版权均属本站所有,若您需要引用、转载,必须注明来源及原文链接即可,如涉及大面积转载,请来信告知,获取《授权协议》。
2;本网站图片,文字之类版权申明,因为网站可以由注册用户自行上传图片或文字,本网站无法鉴别所上传图片或文字的知识版权,如果侵犯,请及时通知我们,本网站将在第一时间及时删除,相关侵权责任均由相应上传用户自行承担。
[complaint:内容投诉]
智造资料网打造智能制造3D图纸下载,在线视频,软件下载,在线问答综合平台 » 精细塑胶模具设计:掌上键盘外壳注射模设计技巧总结

