塑胶模具设计之海天包装瓶盖倒装模具设计方法

一个优秀的模具设计主要体现在所成型的塑料制品的质量(外观质量和尺寸稳定性),加工制造时方便、迅速、简练,既又省资金、人力,留有更正、改良余地、使用时安全、稳定、便于维修、在注射成型时有较短的成型周期和较长使用寿命以及具有合理的模具制造工艺性等方面。这边老师直接用海天酱油的盖来举例,顾名思义,是海天酱油的包装瓶盖。

海天的灌装生产线坐落在全封闭恒温恒湿环境内,由计算机系统控制,全程无人为因素污染。瓶子杀菌消毒、酱油灌装、瓶体封盖的整个过程都是在全封闭的无菌灌装空间内完成。在自动化控制的灌装线上,要求酱油包装瓶子尺寸规格一致,瓶盖无变形,瓶盖的重量误差控制在一定的范围内。

海天酱油盖分为上盖和下盖两部分,下盖固定在酱油瓶上,顶部有防伪拉环,上盖与下盖用螺纹连接,上盖顶部有海天 Logo,海天酱油盖上下盖组合图见图 1,要求组合后瓶盖有密封作用,外观美观,间隙均匀,无变形, 能够满足自动化灌装。

海天酱油盖上盖产品图见图1

塑胶模具设计之海天包装瓶盖倒装模具设计方法,模具设计,塑胶,第1张图1

本文主要介绍海天酱油盖上盖注塑模具设计要点。海天酱油盖上盖产品图见图 2,产品最大外形尺寸为Φ33.2 mm x 11.87 mm,塑件平均胶位厚度1. 0 mm,塑件材料为 PP,缩水率为 1.015,从图 2 可以看出,塑件内部有不到 2 圈内螺纹,塑件顶部外表面有海天 Logo,模具设计的难点为浇注系统设计和脱螺纹方式的选择。

海天酱油盖上下盖组合图图2

塑胶模具设计之海天包装瓶盖倒装模具设计方法,模具设计,塑胶,第2张图2

海天酱油盖上盖顶部有海天Logo,如果在顶部设计点浇口,则会影响瓶盖外观。为此,采用了倒装模具的结构,在瓶盖的里面进胶。多腔模具塑料的流程较长,为了便于塑料流动,降低注射压力,采用了热流道进胶方式。热流道系统用 8 个热嘴进胶,每个热嘴供应 4 腔模具,熔融塑料经热嘴进入水口板与前模托板的分模面后,再用细水口的流道方式在瓶盖里面一点进胶。

塑胶模具设计之海天包装瓶盖倒装模具设计方法,模具设计,塑胶,第3张图3

塑胶模具设计之海天包装瓶盖倒装模具设计方法,模具设计,塑胶,第4张图4

塑胶模具设计之海天包装瓶盖倒装模具设计方法,模具设计,塑胶,第5张图5

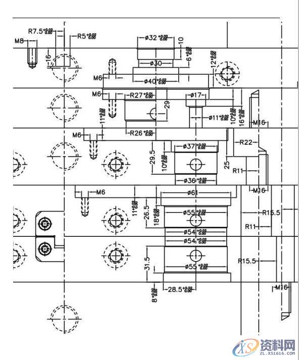
塑件内部有不到 2 圈内螺纹,对于需要脱螺纹的模具,需要分析螺纹的牙型、螺距和深度。如果螺纹螺距较小,两个螺牙之间空间距离较小,且牙型细而尖锐,螺纹圈数多,这种螺纹一般较难强脱。一般圈数在 3 圈以下的粗牙螺纹,即瓶盖螺纹,常用强脱的方式脱螺纹。海天酱油盖上盖即是采用了强脱的方式脱螺纹,模具结构图见图6

塑胶模具设计之海天包装瓶盖倒装模具设计方法,模具设计,塑胶,第6张图6

塑胶模具设计之海天包装瓶盖倒装模具设计方法,模具设计,塑胶,第7张图7

海天酱油盖塑件的生产批量巨大,模具应以多穴为宜,本套模具设计了 1 出 32 腔。由于模具结构的特殊性, 模胚为非标模胚 4870,多腔瓶盖类模具对于模胚的加工要求很高,每块模板上相对应的孔的同心度为 0.015,孔径公差为+0.02,孔的中心距公差为± 0.015,海天酱油盖上盖模胚技术要求见图 8。在模胚的四边分别设计一个零度定位块,便于模具准确合模。

塑胶模具设计之海天包装瓶盖倒装模具设计方法,模具设计,塑胶,第8张图8

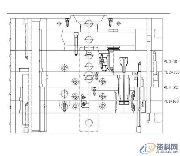
模具分四次开模分型,第一次为PL1 分开 160,塑件包紧在前模芯子上从后模分离,第二次为PL2 分开 130, 取出浇注系统凝料。第三次为 PL3 分开 10,作用是水口板将浇注系统凝料推出跌落。第四次为推件板将塑件从前模芯子上推出,至此,模具开模动作结束。

模具投入使用后,经过了长期生产实践的考验,实践表明,该模具设计合理,生产效率高,故障少,可供同类模具设计参考。

东莞潇洒职业培训学校目前开设课程有:学历提升、积分入户、数控编程培训、塑胶模具设计培训,压铸模具设计培训、冲压模具设计培训,精雕、ZBrush圆雕培训、Solidworks产品设计培训、pro/E产品设计培训、AutoformR7工艺分析培训,非标自动化设计、PLC编程、CNC电脑锣操机、平面设计等培训,潇洒职业培训学校线下、线上等网络学习方式,随到随学,上班学习两不误,欢迎免费试学!
联系电话:13018636633(微信同号)  QQ:1740467385
学习地址:东莞市横沥镇

免责声明:
1;所有标注为智造资料网zl.fbzzw.cn的内容均为本站所有,版权均属本站所有,若您需要引用、转载,必须注明来源及原文链接即可,如涉及大面积转载,请来信告知,获取《授权协议》。
2;本网站图片,文字之类版权申明,因为网站可以由注册用户自行上传图片或文字,本网站无法鉴别所上传图片或文字的知识版权,如果侵犯,请及时通知我们,本网站将在第一时间及时删除,相关侵权责任均由相应上传用户自行承担。
[complaint:内容投诉]
智造资料网打造智能制造3D图纸下载,在线视频,软件下载,在线问答综合平台 » 塑胶模具设计之海天包装瓶盖倒装模具设计方法