五金冲压模具设计之推平模具结构和折弯模具结构,建议收藏 ... ... ...

在现代工业生产中,模具是重要的工艺装备之一,是“工业制造业之母”。随着科学技术的发展,工业品的品种和产量不断增加,产品更新换代加快,因而,对模具的质量要求也越来越高。模具技术,特别是制造精密、复杂、大型、长寿模具的技术,已成为衡量一个国家机械制造水平的重要标志之一,是一个国家经济发展水平的重要体现。而模具设计与制造水平的高低直接制约着模具质量的高低,世界上工业发达的国家,模具工业的发展速度甚至超过了机床、汽车、电子等工业,成为一国的重要基础工业。今天我们来了解一下推平模具和折弯模具的结构

推平模具结构:

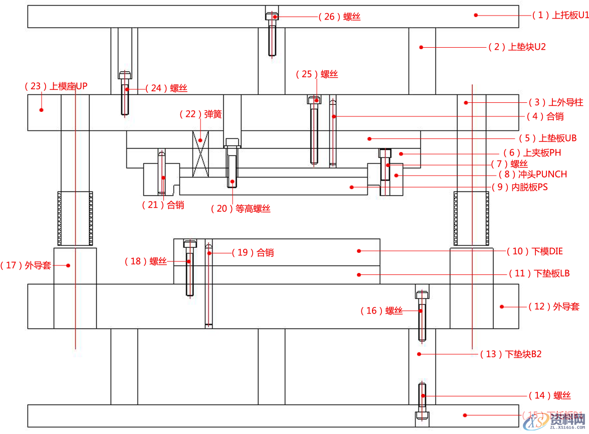
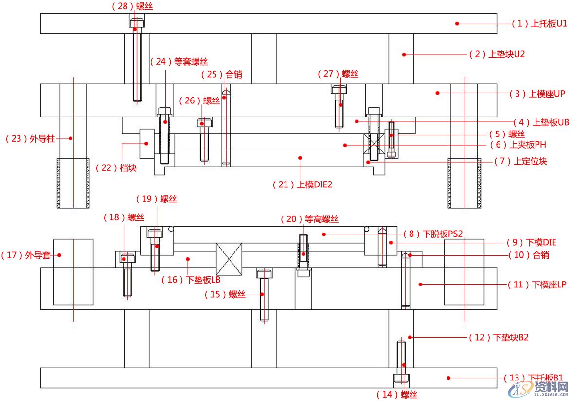
推平模具结构一

五金冲压模具设计之推平模具结构和折弯模具结构,建议收藏 ... ... ...,五金冲压模具设计之推平模具结构和折弯模具结构,模具,结构,第1张

推平模具结构

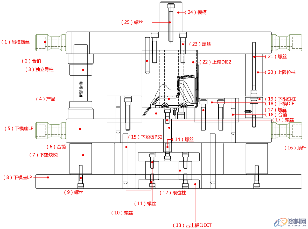
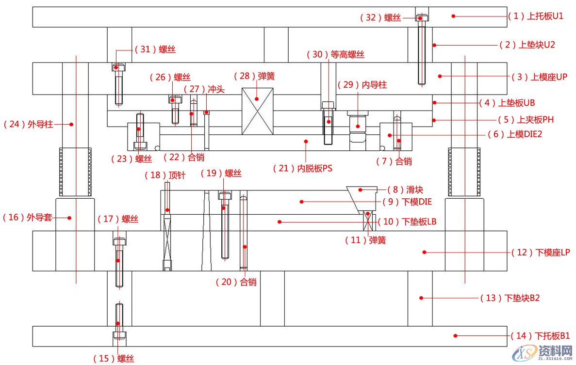
推平模具结构二

五金冲压模具设计之推平模具结构和折弯模具结构,建议收藏 ... ... ...,五金冲压模具设计之推平模具结构和折弯模具结构,模具,结构,第2张

推平模具结构

折弯模具结构:

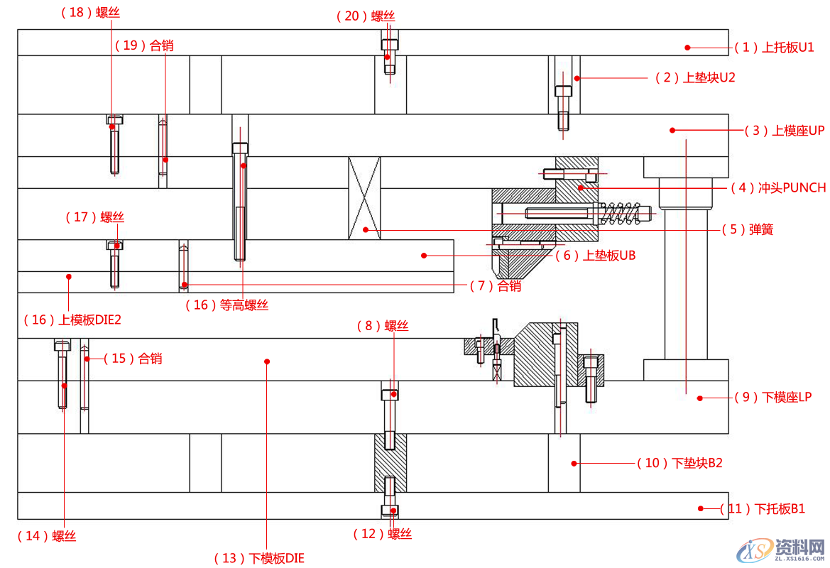
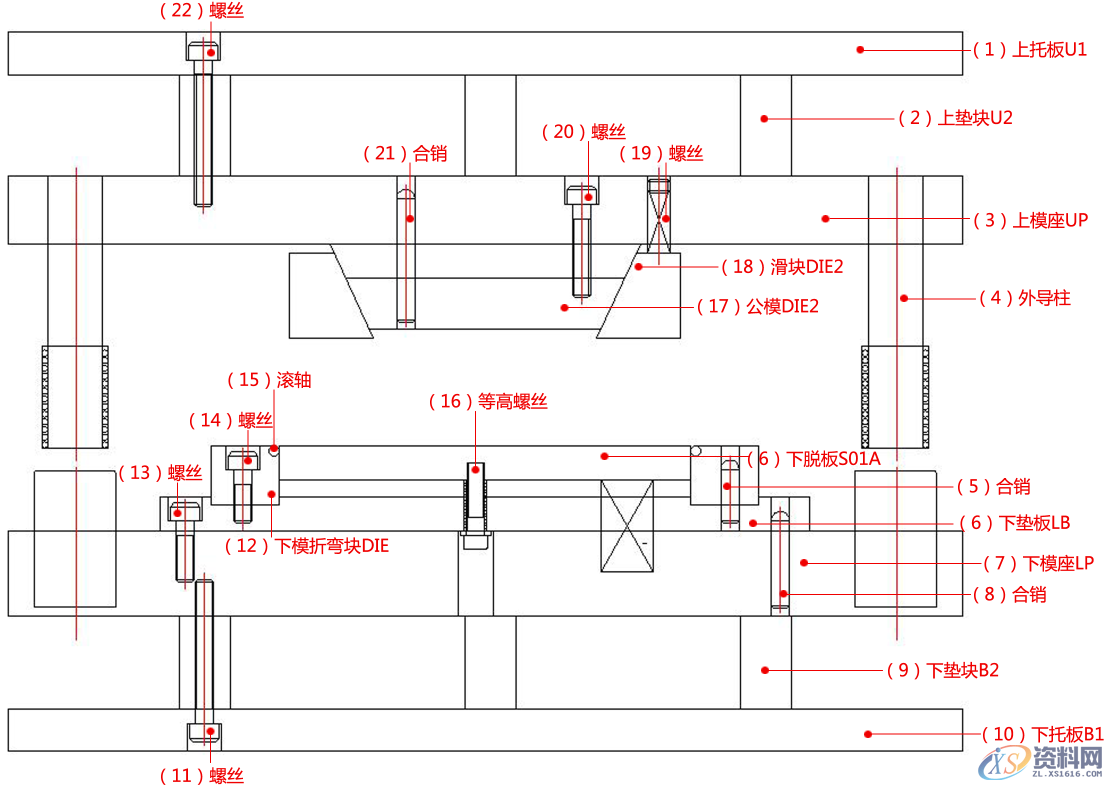
折弯模具结构一

五金冲压模具设计之推平模具结构和折弯模具结构,建议收藏 ... ... ...,五金冲压模具设计之推平模具结构和折弯模具结构,模具,结构,第3张

折弯模具结构

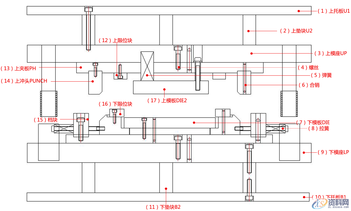
折弯模具结构二

五金冲压模具设计之推平模具结构和折弯模具结构,建议收藏 ... ... ...,五金冲压模具设计之推平模具结构和折弯模具结构,模具,结构,第4张

折弯模具结构

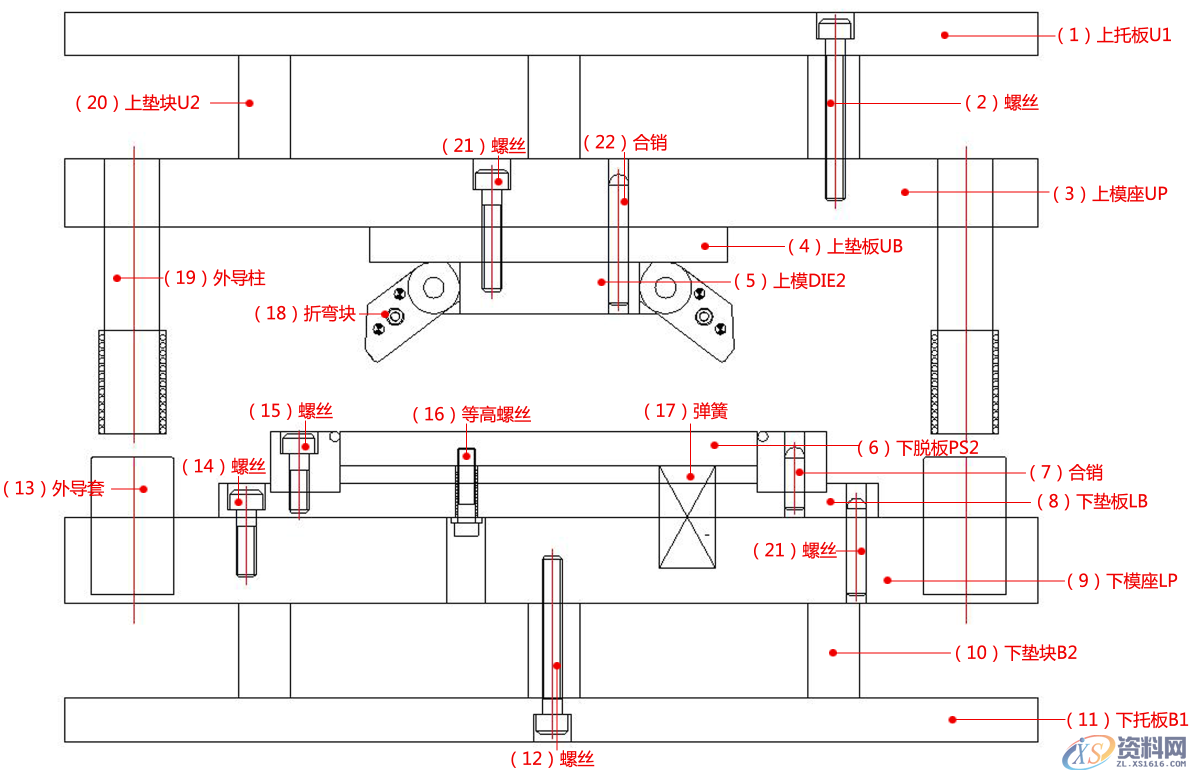
折弯模具结构三

五金冲压模具设计之推平模具结构和折弯模具结构,建议收藏 ... ... ...,五金冲压模具设计之推平模具结构和折弯模具结构,模具,结构,第5张

折弯模具结构

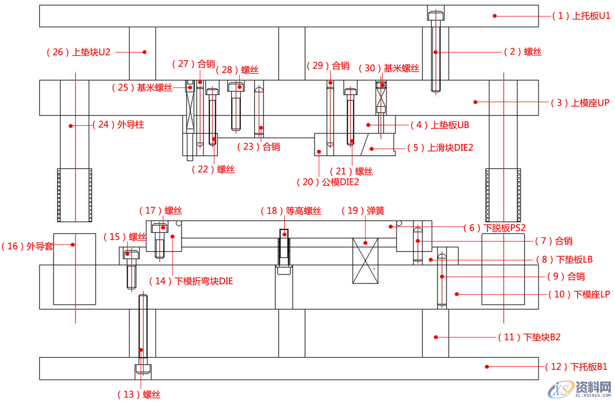
折弯模具结构四

五金冲压模具设计之推平模具结构和折弯模具结构,建议收藏 ... ... ...,五金冲压模具设计之推平模具结构和折弯模具结构,模具,结构,第6张

折弯模具结构

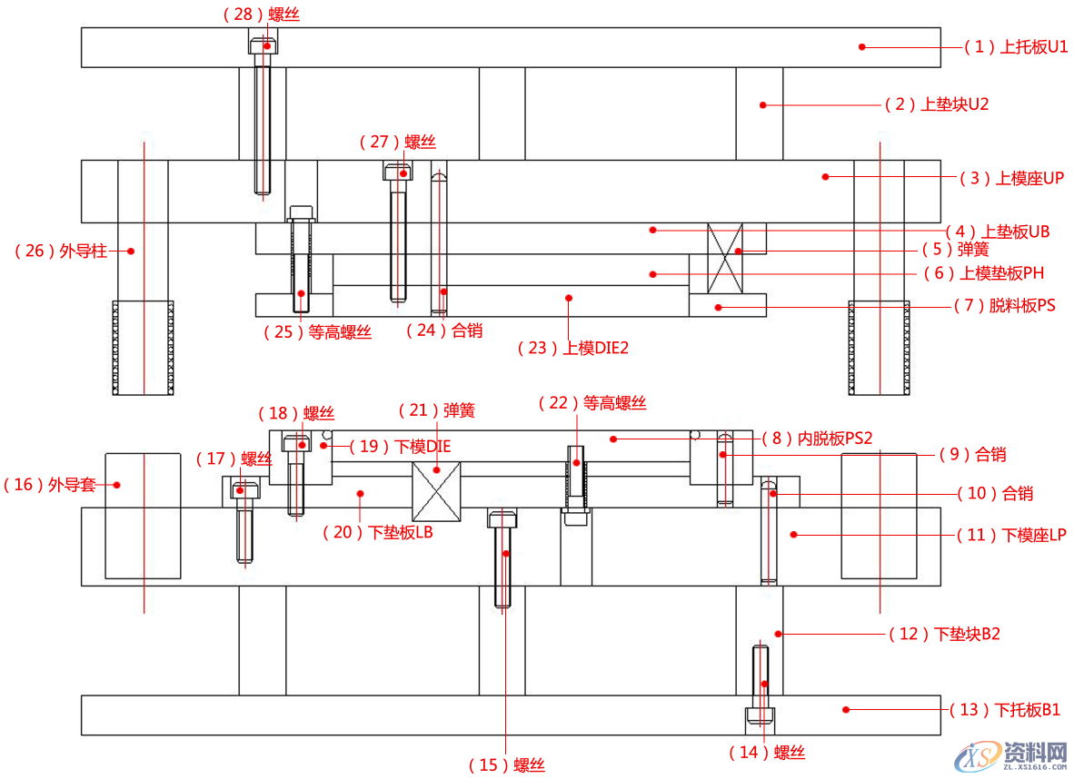
折弯模具结构五

五金冲压模具设计之推平模具结构和折弯模具结构,建议收藏 ... ... ...,五金冲压模具设计之推平模具结构和折弯模具结构,模具,结构,第7张

折弯模具结构

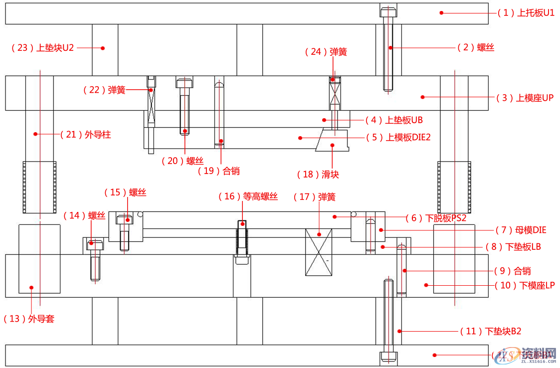
折弯模具结构六

五金冲压模具设计之推平模具结构和折弯模具结构,建议收藏 ... ... ...,五金冲压模具设计之推平模具结构和折弯模具结构,模具,结构,第8张

折弯模具结构

折弯模具结构七

五金冲压模具设计之推平模具结构和折弯模具结构,建议收藏 ... ... ...,五金冲压模具设计之推平模具结构和折弯模具结构,模具,结构,第9张

折弯模具结构

折弯模具结构八

五金冲压模具设计之推平模具结构和折弯模具结构,建议收藏 ... ... ...,五金冲压模具设计之推平模具结构和折弯模具结构,模具,结构,第10张

折弯模具结构

折弯模具结构九

五金冲压模具设计之推平模具结构和折弯模具结构,建议收藏 ... ... ...,五金冲压模具设计之推平模具结构和折弯模具结构,模具,结构,第11张

折弯模具结构

折弯模具结构十

五金冲压模具设计之推平模具结构和折弯模具结构,建议收藏 ... ... ...,五金冲压模具设计之推平模具结构和折弯模具结构,模具,结构,第12张

折弯模具结构

折弯模具结构十一

五金冲压模具设计之推平模具结构和折弯模具结构,建议收藏 ... ... ...,五金冲压模具设计之推平模具结构和折弯模具结构,模具,结构,第13张

折弯模具结构

折弯模具结构十二

五金冲压模具设计之推平模具结构和折弯模具结构,建议收藏 ... ... ...,五金冲压模具设计之推平模具结构和折弯模具结构,模具,结构,第14张

折弯模具结构

东莞潇洒职业培训学校目前开设课程有:学历提升、积分入户、数控编程培训、塑胶模具设计培训,压铸模具设计培训、冲压模具设计培训,精雕、ZBrush圆雕培训、Solidworks产品设计培训、pro/E产品设计培训、AutoformR7工艺分析培训,非标自动化设计、PLC编程、CNC电脑锣操机、平面设计等培训课程,潇洒职业培训学校线下、线上等网络学习方式,随到随学,上班学习两不误,欢迎免费试学!
联系电话:13018636633(微信同号)  QQ:1740467385

免责声明:
1;所有标注为智造资料网zl.fbzzw.cn的内容均为本站所有,版权均属本站所有,若您需要引用、转载,必须注明来源及原文链接即可,如涉及大面积转载,请来信告知,获取《授权协议》。
2;本网站图片,文字之类版权申明,因为网站可以由注册用户自行上传图片或文字,本网站无法鉴别所上传图片或文字的知识版权,如果侵犯,请及时通知我们,本网站将在第一时间及时删除,相关侵权责任均由相应上传用户自行承担。
[complaint:内容投诉]
智造资料网打造智能制造3D图纸下载,在线视频,软件下载,在线问答综合平台 » 五金冲压模具设计之推平模具结构和折弯模具结构,建议收藏 ... ... ...