图1所示为一套四件小塑料盒产品的3D图,图2所示为一套两件的小花洒的3D图。材料都为ABS,收缩率为5‰。塑件的曲面过渡圆滑,表面质量要求较高。

图1 小塑料盒产品的3D图
1―小平盖 2―小翻盖 3―底壳 4―面壳 5、10―内扣位 6―外壁 7―圆柱座 8、11―加强筋 9―卡槽 10―内扣位 12―固定柱 13―转动轴 14―异形孔

图2 小花洒的3D图
小塑料盒的四个塑件产品中,小平盖的结构很简单,可在动、定模各成形一部分。盖底部有4个固定柱,在动模成形,并设计在顶杆上;小翻盖的结构相对复杂一些,曲面过渡圆角最小为R0.2mm,小翻盖的中间有一异形孔,须保证上表面的质量,孔四周不能有毛刺,小翻盖两端有转动轴,可在动、定模各成形一半;面壳结构比较复杂,两端设计有卡槽,须设计枕位成形。外壁壁画厚度仅为0.5mm,没有斜度,顶出困难。外壳内部设计有4个固定柱和3条加强筋,是塑料产品的常见结构。面壳内部还有两个内扣位,设计斜顶针装置成形顶出;底壳的结构也很复杂,表面上既有两通孔,也有不通的异形曲面,内壳设计有4个固定柱和多个加强筋,给加工带来很大困难。
小花洒的结构更加复杂,花洒盖上有42个R0.3mm的小通孔。花洒本体的手柄处为中空结构,抽芯距离长,尺寸小,抽芯抽出的轨道角度为9°。花洒本体上还设计有两外形孔,外表面为内凹外形表面,也须设计斜滑块机构抽芯成形,是这套模具设计和制造的难点。如何避免在产品外表面留下明显的模具分模痕,须仔细斟酌。
2模具结构分析
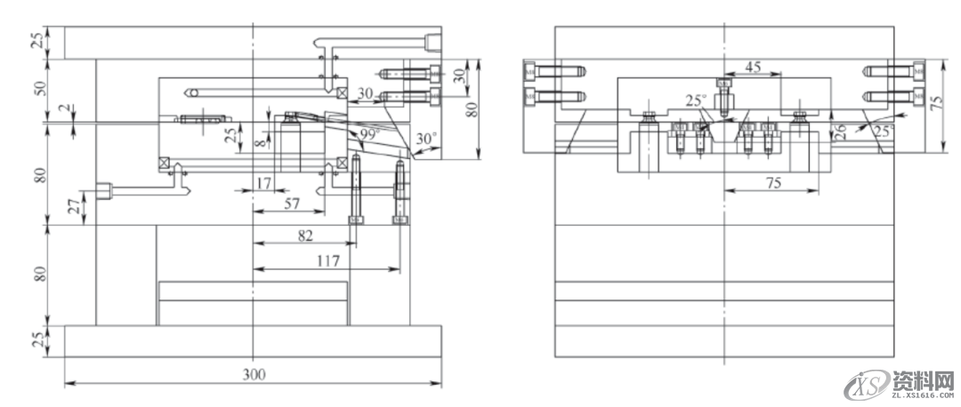
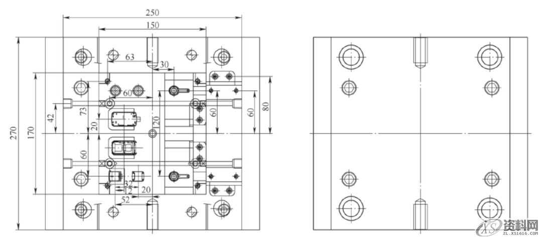
四件小塑料盒产品和小花洒产品的尺寸都不大,从注塑、加工及经济角度综合考虑,一模设计出8件产品(小塑料盒每样1件,小花洒每样2件)。根据产品结构安排成形位置,产品对称分布,塑件的分型和摆放、注射模具结构尺寸和型芯尺寸如图3所示。浇口位置设计在8个塑件的中间处。设计采用侧浇口进料,浇口位置设计在产品外表面的边缘,注塑后自行脱落。模具采用标准模架,零件要求较高,模具型芯材料选用高性能的模具钢。产品排位及流道结构尺寸如图4所示。


图3 模具结构尺寸

图4 产品排位及流道结构尺寸
首先确定塑件的前、后模曲面。为便于模具出模,将光滑的外表面设计成前模。根据各个塑料产品的结构特点,对模具进行分模设计,前、后模和抽芯机构分模如图5所示。

图5 前、后模合抽芯机构分模
1—花洒内控抽芯滑块 2—花洒后模镶件 3—花洒外形左抽芯滑块 4—前模
5—小盒子后模镶件 6—斜顶针 7 —后模 8—花洒外形右抽芯滑块
1)小平盖塑件在前、后模各成形一部分,分型面在平板的下沿。盖底部有4个固定柱,在后模成形,并设计在顶杆上,方便顶出,同时保证塑件开模时留于后模。前、后模的成形结构如图6、图7所示。

图6 小平盖前模

图7 小平盖后模
2)小翻盖的结构相对复杂,分型面为延伸曲面,两端的转动轴可在前、后模各成形一半,曲面过渡圆角最小为R0.2mm。成形中间的异形孔时,为保证上表面的质量,孔四周不能有毛刺,设计了前模碰穿后模的结构,在前模设计了异形孔凸台。前、后模的成形结构如图8、图9所示。

图8 小翻盖前模

图9 小翻盖后模
3)面壳结构比较复杂,分型面为平面,但因面壳外表面有内凹部分,为保证前模型腔的成形质量,须将前模分型面向四周延展(见图10)。成形面壳前端的半方孔,须设计枕位(见图10、图11)。面壳外壁壁画厚度仅为0.5mm、深度4mm,没有斜度,顶出困难。设计后模镶件机构(见图12、图13),靠后模型腔与后模镶件成形面壳外壁。

图10 面壳前模

图11 面壳后模
外壳内部设计有4个固定柱和3条加强筋等结构,是塑料产品的常见结构,都设计在后模镶件(见图13)上成形。

图12 面壳后模结构

图13 面壳后模镶件
面壳内部还有两个内扣位,但抽芯的距离短,为简化模具结构,设计斜顶针装置成形顶出,如图14所示。

图14 面壳斜顶针
4)底壳的分型面也为平面,但因面壳外表面也有内凹曲面部分(见图15),为保证前模型腔的成形质量,增加前后模的合模强度,将前模分型面向四周延展(见图16)。成形表面上两个大方形通孔时,为保证上表面的质量,孔四周不能有毛刺,设计了前模碰穿后模的结构,在前模设计了碰穿凸台(见图16)。

图15 底壳后模

图16 底壳前模
底壳的外壁部分也设计后模镶件机构(见图17、图18),靠后模型腔与后模镶件成形底壳外壁。

图17 底壳后模结构
底壳内部的4个固定柱和数条加强筋等结构,是塑料产品的常见结构,都设计在后模镶件上成形(见图18)。

图18 底壳后模镶件
5)小花洒面盖的结构比较简单,花洒盖上有42个R0.3mm的小通孔。分型面为平面。成形中间的小通孔时,为保证上表面的质量,孔四周不能有毛刺,设计了前模碰穿后模的结构,在前模设计了42个碰穿小圆凸台(见图19)。

图19 小花洒面盖前模
面盖的外壁壁厚只有0.5mm,深度为3mm,从成形和制造多方面考虑,设计后模镶件机构(见图20),靠后模型腔与后模镶件成形面盖的外壁。开模时,面盖留在后模,由后模镶件完成顶出动作。

图20 面盖后模
6)小花洒本体结构特殊,综合考虑各方面因素,一套模具设计成形两个小花洒本体产品和两个面盖。
前模型腔成形本体手柄的外表面,分型面为曲面(见图21)。

图21 小花洒本体前模
本体的手柄处为中空结构,抽芯距离长,尺寸小,抽芯轨道角度也不是常规水平结构,而是为9°的斜度。花洒本体上还设计有两外形孔,外表面为内凹外形表面,也须设计斜滑块机构抽芯成形。设计时,为尽量不影响产品的外观美观,滑块和前模的分型线设计在圆角过渡处,抽芯滑块成形塑件上的整个两侧外形曲面(见图22)。

图22 小花洒本体后模
1—左滑块 2—主型芯镶件 3—右滑块 4—小镶件 5—手柄抽芯滑块
模具的两端和内部都设计有滑块机构,再加上手柄抽芯滑块机构,后模上共有6个抽芯滑块机构。和抽芯滑块相配合,前模型腔两端设计了不规则的枕位,后模型芯和抽芯滑块设计了滑动导轨,保证抽芯机构的可靠稳定运作(见图22)。
整套模具的后模合模如图23所示。

图23 后模合模
3
结语
现代化生产中,经常会碰到这类零件众多、模具结构复杂且批量不大的小型塑料件生产。由于每个零件特殊各异,导致模具型腔曲面复杂,分型面千变万化,各类斜顶出机构、斜滑块机构以及多次顶出机构都集中在一套模具中。基于必须考虑经济效益的前提,为节约模具制造成本,必须将多个塑件合理规划在一套模具中。
该套模具一次成形6种共8个小型塑件,设计者经验丰富,匠心独具,结构设计十分合理。结合现代化的加工手段,有效地保证了模具制造精度,一次试模成功,为该类模具设计和制造的典型案例。
东莞潇洒职业培训学校目前开设课程有:学历提升、积分入户、数控编程培训、塑胶模具设计培训,压铸模具设计培训、冲压模具设计培训,精雕、ZBrush圆雕培训、Solidworks产品设计培训、pro/E产品设计培训、AutoformR7工艺分析培训,非标自动化设计、PLC编程、CNC电脑锣操机、平面设计等培训课程,潇洒职业培训学校线下、线上等网络学习方式,随到随学,上班学习两不误,欢迎免费试学!
联系电话:13018636633(微信同号) QQ:1740467385
1;所有标注为智造资料网zl.fbzzw.cn的内容均为本站所有,版权均属本站所有,若您需要引用、转载,必须注明来源及原文链接即可,如涉及大面积转载,请来信告知,获取《授权协议》。
2;本网站图片,文字之类版权申明,因为网站可以由注册用户自行上传图片或文字,本网站无法鉴别所上传图片或文字的知识版权,如果侵犯,请及时通知我们,本网站将在第一时间及时删除,相关侵权责任均由相应上传用户自行承担。
[complaint:内容投诉]
智造资料网打造智能制造3D图纸下载,在线视频,软件下载,在线问答综合平台 » 模具设计之一模多件塑胶产品塑胶方法,建议收藏

