内容简介:
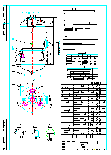
定期扩容排污器
1.本设备按GB150-1998《钢制压力容器》进行制造、检验和验收, 并接受《压力容器安全技术监察规程》的监督。
2.焊接采用电弧焊, 手弧焊焊条牌号:碳素钢之间、碳素钢与低合金钢之间均采用J427,低合金钢之间采用J507;自动焊时焊丝钢号采用H10Mn2,焊剂牌号采用HJ431。
3.焊接接头型式及尺寸按HG20583-1998中规定,对接接头手弧焊为DU4、埋弧焊为DU29;接管与壳体间焊接接头为G2;带补强圈接管与壳体间焊接接头为G28;未规定的角焊缝焊脚尺寸按焊件中较薄者的厚度;法兰的焊接按相应法兰标准中的规定。
4.设备上的A、B类焊接接头应进行射线检测,检测长度不得少于各条焊接接头长度的20%,且不小于250mm, 符合JB/T4730.2-2005《承压设备无损检测》中Ⅲ级为合格。
5.封头拼接焊缝应进行100%射线探伤, 符合JB/T4730.2-2005中的Ⅱ级为合格.
6.设备制造完毕后, 以2.0MPa进行水压试验。
7.本设备的油漆.包装.运输按JB/T4711-2003《压力容器涂敷与运输包装》的规定。
8.管口及支座方位按俯视图。

定期扩容排污器CAD图
该文章所属专题:3D打印
免责声明:
1;所有标注为智造资料网zl.fbzzw.cn的内容均为本站所有,版权均属本站所有,若您需要引用、转载,必须注明来源及原文链接即可,如涉及大面积转载,请来信告知,获取《授权协议》。
2;本网站图片,文字之类版权申明,因为网站可以由注册用户自行上传图片或文字,本网站无法鉴别所上传图片或文字的知识版权,如果侵犯,请及时通知我们,本网站将在第一时间及时删除,相关侵权责任均由相应上传用户自行承担。
[complaint:内容投诉]
智造资料网打造智能制造3D图纸下载,在线视频,软件下载,在线问答综合平台 » 定期扩容排污器CAD图(图文教程)
1;所有标注为智造资料网zl.fbzzw.cn的内容均为本站所有,版权均属本站所有,若您需要引用、转载,必须注明来源及原文链接即可,如涉及大面积转载,请来信告知,获取《授权协议》。
2;本网站图片,文字之类版权申明,因为网站可以由注册用户自行上传图片或文字,本网站无法鉴别所上传图片或文字的知识版权,如果侵犯,请及时通知我们,本网站将在第一时间及时删除,相关侵权责任均由相应上传用户自行承担。
[complaint:内容投诉]
智造资料网打造智能制造3D图纸下载,在线视频,软件下载,在线问答综合平台 » 定期扩容排污器CAD图(图文教程)

