一线工厂老师傅总结“五金模具各类结构”新手入坑必看!冲压模具结构下料模结构冲孔模结构折弯模结构冲压模具初步介绍冲压工艺分析冲压能做的事情制作重组图产品图展开冲压模具常用标准化结构压筋入子结构压毛边入子预剪结构连剪带折结构

冲压模具结构

一线工厂老师傅总结“五金模具各类结构”新手入坑必看!冲压模具结构下料模结构冲孔模结构折弯模结构冲压模具初步介绍冲压工艺分析冲压能做的事情制作重组图产品图展开冲压模具常用标准化结构压筋入子结构压毛边入子预剪结构连剪带折结构,一线工厂老师傅总结“五金模具各类结构”新手入坑必看!,结构,模具设计,冲压,电商,第1张

下料模结构

一线工厂老师傅总结“五金模具各类结构”新手入坑必看!冲压模具结构下料模结构冲孔模结构折弯模结构冲压模具初步介绍冲压工艺分析冲压能做的事情制作重组图产品图展开冲压模具常用标准化结构压筋入子结构压毛边入子预剪结构连剪带折结构,一线工厂老师傅总结“五金模具各类结构”新手入坑必看!,结构,模具设计,冲压,电商,第2张

冲孔模结构

一线工厂老师傅总结“五金模具各类结构”新手入坑必看!冲压模具结构下料模结构冲孔模结构折弯模结构冲压模具初步介绍冲压工艺分析冲压能做的事情制作重组图产品图展开冲压模具常用标准化结构压筋入子结构压毛边入子预剪结构连剪带折结构,一线工厂老师傅总结“五金模具各类结构”新手入坑必看!,结构,模具设计,冲压,电商,第3张

折弯模结构

一线工厂老师傅总结“五金模具各类结构”新手入坑必看!冲压模具结构下料模结构冲孔模结构折弯模结构冲压模具初步介绍冲压工艺分析冲压能做的事情制作重组图产品图展开冲压模具常用标准化结构压筋入子结构压毛边入子预剪结构连剪带折结构,一线工厂老师傅总结“五金模具各类结构”新手入坑必看!,结构,模具设计,冲压,电商,第4张

冲压模具初步介绍

一线工厂老师傅总结“五金模具各类结构”新手入坑必看!冲压模具结构下料模结构冲孔模结构折弯模结构冲压模具初步介绍冲压工艺分析冲压能做的事情制作重组图产品图展开冲压模具常用标准化结构压筋入子结构压毛边入子预剪结构连剪带折结构,一线工厂老师傅总结“五金模具各类结构”新手入坑必看!,结构,模具设计,冲压,电商,第5张

冲压工艺分析

一线工厂老师傅总结“五金模具各类结构”新手入坑必看!冲压模具结构下料模结构冲孔模结构折弯模结构冲压模具初步介绍冲压工艺分析冲压能做的事情制作重组图产品图展开冲压模具常用标准化结构压筋入子结构压毛边入子预剪结构连剪带折结构,一线工厂老师傅总结“五金模具各类结构”新手入坑必看!,结构,模具设计,冲压,电商,第6张

冲压能做的事情

一线工厂老师傅总结“五金模具各类结构”新手入坑必看!冲压模具结构下料模结构冲孔模结构折弯模结构冲压模具初步介绍冲压工艺分析冲压能做的事情制作重组图产品图展开冲压模具常用标准化结构压筋入子结构压毛边入子预剪结构连剪带折结构,一线工厂老师傅总结“五金模具各类结构”新手入坑必看!,结构,模具设计,冲压,电商,第7张

制作重组图

一线工厂老师傅总结“五金模具各类结构”新手入坑必看!冲压模具结构下料模结构冲孔模结构折弯模结构冲压模具初步介绍冲压工艺分析冲压能做的事情制作重组图产品图展开冲压模具常用标准化结构压筋入子结构压毛边入子预剪结构连剪带折结构,一线工厂老师傅总结“五金模具各类结构”新手入坑必看!,结构,模具设计,冲压,电商,第8张

一线工厂老师傅总结“五金模具各类结构”新手入坑必看!冲压模具结构下料模结构冲孔模结构折弯模结构冲压模具初步介绍冲压工艺分析冲压能做的事情制作重组图产品图展开冲压模具常用标准化结构压筋入子结构压毛边入子预剪结构连剪带折结构,一线工厂老师傅总结“五金模具各类结构”新手入坑必看!,结构,模具设计,冲压,电商,第9张

一线工厂老师傅总结“五金模具各类结构”新手入坑必看!冲压模具结构下料模结构冲孔模结构折弯模结构冲压模具初步介绍冲压工艺分析冲压能做的事情制作重组图产品图展开冲压模具常用标准化结构压筋入子结构压毛边入子预剪结构连剪带折结构,一线工厂老师傅总结“五金模具各类结构”新手入坑必看!,结构,模具设计,冲压,电商,第10张

产品图展开

一线工厂老师傅总结“五金模具各类结构”新手入坑必看!冲压模具结构下料模结构冲孔模结构折弯模结构冲压模具初步介绍冲压工艺分析冲压能做的事情制作重组图产品图展开冲压模具常用标准化结构压筋入子结构压毛边入子预剪结构连剪带折结构,一线工厂老师傅总结“五金模具各类结构”新手入坑必看!,结构,模具设计,冲压,电商,第11张

一线工厂老师傅总结“五金模具各类结构”新手入坑必看!冲压模具结构下料模结构冲孔模结构折弯模结构冲压模具初步介绍冲压工艺分析冲压能做的事情制作重组图产品图展开冲压模具常用标准化结构压筋入子结构压毛边入子预剪结构连剪带折结构,一线工厂老师傅总结“五金模具各类结构”新手入坑必看!,结构,模具设计,冲压,电商,第12张

冲压模具常用标准化结构

一线工厂老师傅总结“五金模具各类结构”新手入坑必看!冲压模具结构下料模结构冲孔模结构折弯模结构冲压模具初步介绍冲压工艺分析冲压能做的事情制作重组图产品图展开冲压模具常用标准化结构压筋入子结构压毛边入子预剪结构连剪带折结构,一线工厂老师傅总结“五金模具各类结构”新手入坑必看!,结构,模具设计,冲压,电商,第13张

一线工厂老师傅总结“五金模具各类结构”新手入坑必看!冲压模具结构下料模结构冲孔模结构折弯模结构冲压模具初步介绍冲压工艺分析冲压能做的事情制作重组图产品图展开冲压模具常用标准化结构压筋入子结构压毛边入子预剪结构连剪带折结构,一线工厂老师傅总结“五金模具各类结构”新手入坑必看!,结构,模具设计,冲压,电商,第14张

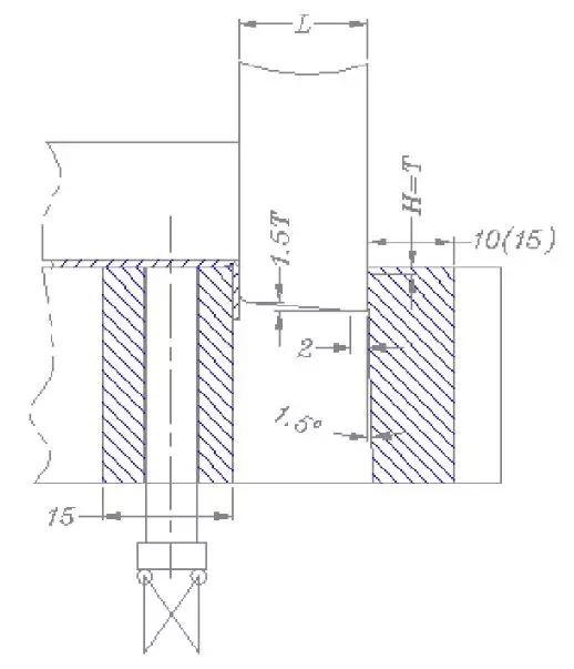
压筋入子结构

一线工厂老师傅总结“五金模具各类结构”新手入坑必看!冲压模具结构下料模结构冲孔模结构折弯模结构冲压模具初步介绍冲压工艺分析冲压能做的事情制作重组图产品图展开冲压模具常用标准化结构压筋入子结构压毛边入子预剪结构连剪带折结构,一线工厂老师傅总结“五金模具各类结构”新手入坑必看!,结构,模具设计,冲压,电商,第15张

一线工厂老师傅总结“五金模具各类结构”新手入坑必看!冲压模具结构下料模结构冲孔模结构折弯模结构冲压模具初步介绍冲压工艺分析冲压能做的事情制作重组图产品图展开冲压模具常用标准化结构压筋入子结构压毛边入子预剪结构连剪带折结构,一线工厂老师傅总结“五金模具各类结构”新手入坑必看!,结构,模具设计,冲压,电商,第16张

压毛边入子

一线工厂老师傅总结“五金模具各类结构”新手入坑必看!冲压模具结构下料模结构冲孔模结构折弯模结构冲压模具初步介绍冲压工艺分析冲压能做的事情制作重组图产品图展开冲压模具常用标准化结构压筋入子结构压毛边入子预剪结构连剪带折结构,一线工厂老师傅总结“五金模具各类结构”新手入坑必看!,结构,模具设计,冲压,电商,第17张

一线工厂老师傅总结“五金模具各类结构”新手入坑必看!冲压模具结构下料模结构冲孔模结构折弯模结构冲压模具初步介绍冲压工艺分析冲压能做的事情制作重组图产品图展开冲压模具常用标准化结构压筋入子结构压毛边入子预剪结构连剪带折结构,一线工厂老师傅总结“五金模具各类结构”新手入坑必看!,结构,模具设计,冲压,电商,第18张

预剪结构

一线工厂老师傅总结“五金模具各类结构”新手入坑必看!冲压模具结构下料模结构冲孔模结构折弯模结构冲压模具初步介绍冲压工艺分析冲压能做的事情制作重组图产品图展开冲压模具常用标准化结构压筋入子结构压毛边入子预剪结构连剪带折结构,一线工厂老师傅总结“五金模具各类结构”新手入坑必看!,结构,模具设计,冲压,电商,第19张

一线工厂老师傅总结“五金模具各类结构”新手入坑必看!冲压模具结构下料模结构冲孔模结构折弯模结构冲压模具初步介绍冲压工艺分析冲压能做的事情制作重组图产品图展开冲压模具常用标准化结构压筋入子结构压毛边入子预剪结构连剪带折结构,一线工厂老师傅总结“五金模具各类结构”新手入坑必看!,结构,模具设计,冲压,电商,第20张

连剪带折结构

一线工厂老师傅总结“五金模具各类结构”新手入坑必看!冲压模具结构下料模结构冲孔模结构折弯模结构冲压模具初步介绍冲压工艺分析冲压能做的事情制作重组图产品图展开冲压模具常用标准化结构压筋入子结构压毛边入子预剪结构连剪带折结构,一线工厂老师傅总结“五金模具各类结构”新手入坑必看!,结构,模具设计,冲压,电商,第21张

一线工厂老师傅总结“五金模具各类结构”新手入坑必看!冲压模具结构下料模结构冲孔模结构折弯模结构冲压模具初步介绍冲压工艺分析冲压能做的事情制作重组图产品图展开冲压模具常用标准化结构压筋入子结构压毛边入子预剪结构连剪带折结构,一线工厂老师傅总结“五金模具各类结构”新手入坑必看!,结构,模具设计,冲压,电商,第22张
我们是知识搬运工,我们是技术传播者!
东莞潇洒职业培训学校开设课程有:CNC数控编程、塑胶模具设计,压铸模具设计、冲压模具设计, Solidworks/pro/E产品设计、AutoformR7工艺分析,非标自动化设计、PLC编程、文职、电商、平面设计、新媒体等培训课程,潇洒职业培训学校线下、线上、随到随学等学习方式,上班学习两不误,欢迎预约免费试学! 
联系电话:18029183455(微信同号)QQ:2799669782
线上免费试学: xsmj.ke.qq.com
免责声明:
1;所有标注为智造资料网zl.fbzzw.cn的内容均为本站所有,版权均属本站所有,若您需要引用、转载,必须注明来源及原文链接即可,如涉及大面积转载,请来信告知,获取《授权协议》。
2;本网站图片,文字之类版权申明,因为网站可以由注册用户自行上传图片或文字,本网站无法鉴别所上传图片或文字的知识版权,如果侵犯,请及时通知我们,本网站将在第一时间及时删除,相关侵权责任均由相应上传用户自行承担。
[complaint:内容投诉]
智造资料网打造智能制造3D图纸下载,在线视频,软件下载,在线问答综合平台 » 一线工厂老师傅总结“五金模具各类结构”新手入坑必看!冲压模具结构下料模结构冲孔模结构折弯模结构冲压模具初步介绍冲压工艺分析冲压能做的事情制作重组图产品图展开冲压模具常用标准化结构压筋入子结构压毛边入子预剪结构连剪带折结构