“我的产品xx克,尺寸xx*xx毫米,请问该用多大的机器打比较合适。”——这是压铸模具压铸机选型的常见问题。
压铸机选型大致包含三方面:
压铸机吨位:这关系到会不会飞料
模具尺寸:这关系到模具能不能安装到压铸机上去
浇注量:这关系到产品能不能成型
如何计算产品机器吨位?
关于计算压铸机吨位的问题,说难不难,说简单也不简单。只要了解了其中的关系,算出产品所要的机器吨位就显得很轻松了。
首先先确定这样一个概念:
压铸机吨位大小是指压铸机锁模力大小
锁模力是选用压铸机时首先要确定的参数。锁模力的作用主要是为了克服模腔内的胀型力,以锁紧模具,防止金属液飞溅,保证铸件的尺寸精度。
那么回到最初的问题,如何计算压铸机的锁模力呢?先看以下公式:
压铸机锁模力>开模力F1×1.1
那么,开模力又是什么,该如何计算?
开模力指压铸生产时作用于型腔欲使模具胀开的力。开模力可用以下公式求得:
铸造面积×铸造压力

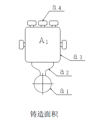
铸造面积 A1=a1+a2+a3+a4=料饼面积+浇道面积+产品面积+集渣包面积
面积预估 模具还没完全设计好时,我们只知道产品的投影面积a3,以此估算
a2=0.21a3
a4=0.12a3
料饼面积根据冲头
开模力 F1=铸造压力Pp×铸造面积A1+中子分力Fc(有滑块的开模力计算)
有滑块中子时,需计算中子分子

中子返回力 Fr=产品面积Ac×计算铸造压力×75%
中子分力 Fc=中子返回力Fr×tanθ
开模力 F1=(a1+a2)×Pp+a3×Pp×0.75+a4×Pp×0.25+Fc
铸造压力分布:
由于模具各处温度不宜,压力传递不一,对各部分分施加压力分类计算如下:
产品部=计算铸造压力×75%
集渣包部=计算铸造压力×25%
料饼、浇道部=计算铸造压力×100%
铸造压力预估:
铝:气密性要求高的一般在80MPa以上,其他60MPa
锌:30MPa左右
锁模力需要开模力的1.1倍以上的力量,开模力若比锁模力大,则易发生飞边(短射)、尺寸过大等现象,不能进行实际生产。
综上所诉,可以得出最终的压铸机吨位计算公式:
锁模力>开模力×1.1=铸造面积×铸造压力=(料饼面积+浇道面积+产品面积+集渣包面积)×铸造压力×1.1
压铸机吨位=锁模力/10 锁模力单位为KN
注:本文不做偏心情况下的校核讨论
1;所有标注为智造资料网zl.fbzzw.cn的内容均为本站所有,版权均属本站所有,若您需要引用、转载,必须注明来源及原文链接即可,如涉及大面积转载,请来信告知,获取《授权协议》。
2;本网站图片,文字之类版权申明,因为网站可以由注册用户自行上传图片或文字,本网站无法鉴别所上传图片或文字的知识版权,如果侵犯,请及时通知我们,本网站将在第一时间及时删除,相关侵权责任均由相应上传用户自行承担。
[complaint:内容投诉]
智造资料网打造智能制造3D图纸下载,在线视频,软件下载,在线问答综合平台 » 如何根据产品计算压铸机吨位(图文教程)

