GEC…FSA型自润滑向心关节轴承的结构型式和外形尺寸(图文教程) ...

GEC…FSA型自润滑向心关节轴承结构型式和外形尺寸

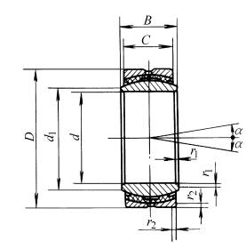
GEC…FSA型自润滑向心关节轴承的结构型式和外形尺寸(图文教程) ...,GEC…FSA型自润滑向心关节轴承的结构型式和外形尺寸,结构,尺寸,1.1,第1张

特 轻   (C)    系 列

轴承型号

尺    寸  /mm

α/(°)

d

D

B

C

d1min

r1smin

r2smin

CEC320FSA

320

440

160

135

340

1.1

3.0

4

GEC340FSA

340

460

160

135

360

1.1

3.0

3

GEC360FSA

360

480

160

135

380

1.1

3.0

3

GEC380FSA

380

520

190

160

400

1.5

4.0

4

GEC400FSA

400

540

190

160

425

1.5

4.0

3

GEC420FSA

420

560

190

160

445

1.5

4.0

3

GEC440FSA

440

600

218

185

465

1.5

4.0

3

GEC460FSA

460

620

218

185

485

1.5

4.0

3

GEC480FSA

480

650

230

195

510

2.0

5.0

3

GEC500FSA

500

670

230

195

530

2.0

5.0

3

GEC530FSA

530

710

243

205

560

2.0

5.0

3

GEC560FSA

560

750

258

215

590

2.0

5.0

4

GEC600FSA

600

800

272

230

635

2.0

5.0

3

GEC630FSA

630

850

300

260

665

3.0

6.0

3

GEC670FSA

670

900

308

260

710

3.0

6.0

3

GEC710FSA

710

950

325

275

755

3.0

6.0

3

GEC750FSA

750

1 000

335

280

800

3.0

6.0

3

GEC800FSA

800

1 060

355

300

850

3.0

6.0

3

GEC850FSA

850

1 120

365

310

905

3.0

6.0

3

GEC900FSA

900

1 180

375

320

960

3.0

6.0

3

GEC950FSA

950

1 250

400

340

1 015

4.0

7.5

3

GEC1000FSA

1 000

1 320

438

370

1 065

4.0

7.5

3

GEC1060FSA

1 060

1 400

462

390

1 130

4.0

7.5

3

GEC1120FSA

1 120

1 460

462

390

1 195

4.0

7.5

3

GEC1180FSA

1 180

1 540

488

410

1 260

4.0

7.5

3

GEC1250FSA

1 250

1 630

515

435

1 330

4.0

7.5

3

GEC1320FSA

1 320

1 720

545

460

1 405

4.0

7.5

3

GEC1400FSA

1 400

1 820

585

495

1 485

5.0

9.5

3

GEC1500FSA

1 500

1 950

625

530

1 590

5.0

9.5

3

GEC1600FSA

1 600

2 060

670

565

1 690

5.0

9.5

3

GEC1700FSA

1 700

2 180

710

600

1 790

5.0

9.5

3

GEC1800FSA

1 800

2 300

750

635

1 890

6.0

12.0

3

GEC1900FSA

1 900

2 430

790

670

2 000

6.0

12.0

3

GEC2000FSA

2 000

2 570

835

705

2 100

6.0

12.0

3

免责声明:
1;所有标注为智造资料网zl.fbzzw.cn的内容均为本站所有,版权均属本站所有,若您需要引用、转载,必须注明来源及原文链接即可,如涉及大面积转载,请来信告知,获取《授权协议》。
2;本网站图片,文字之类版权申明,因为网站可以由注册用户自行上传图片或文字,本网站无法鉴别所上传图片或文字的知识版权,如果侵犯,请及时通知我们,本网站将在第一时间及时删除,相关侵权责任均由相应上传用户自行承担。
[complaint:内容投诉]
智造资料网打造智能制造3D图纸下载,在线视频,软件下载,在线问答综合平台 » GEC…FSA型自润滑向心关节轴承的结构型式和外形尺寸(图文教程) ...