使用中望3D设计卡套式管接头(图文教程)

    卡套式管接头是适用于油、水、气等非腐蚀性或腐蚀性介质的密封管接头,与管道连接后,具有连接牢靠、密封性能好等特点,在炼油、化工、轻工、国防、航空、船舶等系统中被广泛采用,这种卡套式管接头也适用于各种机械工程、机床设备等液压传动管路。本次三维CAD设计实例教程中,小编将向大家演示如何使用中望3D来设计图1中这款常见的卡套式管接头。

使用中望3D设计卡套式管接头(图文教程),使用中望3D设计卡套式管接头,使用,教程,第1张

图1 卡套式管接头

我们将分为草图绘制、旋转与切除这两大步骤来完成设计:

第一步:绘制草图。

1、草图绘制是本次建模的基础,我们先新建零件,单击“新建草图”按钮,选择“XY”平面进入草图绘制;

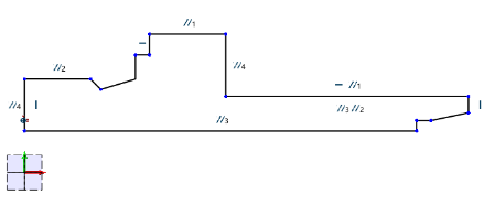
2、如图2所示,绘制一条水平线和一条竖直线,令两者都过草图圆点;

使用中望3D设计卡套式管接头(图文教程),使用中望3D设计卡套式管接头,使用,教程,第2张

图2 绘制水平线和竖直线

3、多次运用草图工具栏中的“偏移”工具,将竖线向右在16mm、18mm、29mm、64mm处偏移出多条直线,将横线向上在6mm、11mm、13.5mm、17mm、20mm处偏移出多条直线,效果如图3所示;

使用中望3D设计卡套式管接头(图文教程),使用中望3D设计卡套式管接头,使用,教程,第3张

图3 绘制多条偏移线

4、单击草图工具栏中“划线修剪”工具,用鼠标滑过要修剪的直线部分,得到如图4所示轮廓;

使用中望3D设计卡套式管接头(图文教程),使用中望3D设计卡套式管接头,使用,教程,第4张

图4 修剪后轮廓线图

5、单击约束工具栏中“自动约束”,对草图进行约束,如图5所示;

使用中望3D设计卡套式管接头(图文教程),使用中望3D设计卡套式管接头,使用,教程,第5张

图5 自动约束

6、单击草图工具栏中的“直线”按钮,绘制如图6、图7轮廓并约束尺寸;

使用中望3D设计卡套式管接头(图文教程),使用中望3D设计卡套式管接头,使用,教程,第6张

图6  绘制退刀曹处直线

使用中望3D设计卡套式管接头(图文教程),使用中望3D设计卡套式管接头,使用,教程,第7张

图7  绘制接口处直线

7、单击草图工具栏中“划线修剪”按钮,将图形裁剪到如图8样式;

使用中望3D设计卡套式管接头(图文教程),使用中望3D设计卡套式管接头,使用,教程,第8张

图8 修剪图纸后的效果

8、单击草图工具栏中“圆角”按钮,设置圆角为“1.2mm”,如图9所示;

使用中望3D设计卡套式管接头(图文教程),使用中望3D设计卡套式管接头,使用,教程,第9张

图9 绘制圆角

9、单击草图工具栏中“倒角”按钮,设置倒角大小为“1.5”,在图10位置进行处理;

使用中望3D设计卡套式管接头(图文教程),使用中望3D设计卡套式管接头,使用,教程,第10张

图10绘制倒角

第二步:旋转与切除。

1、单击造型工具栏“旋转”按钮,选择X轴为旋转轴,旋转角度设置为360°,旋转出管接头的基本形状,如图11所示;

使用中望3D设计卡套式管接头(图文教程),使用中望3D设计卡套式管接头,使用,教程,第11张

图11 旋转操作效果

2、在如图12所示位置绘制草图正六边形,然后进行拉伸布尔运算,选择交运算,如图13设置;

使用中望3D设计卡套式管接头(图文教程),使用中望3D设计卡套式管接头,使用,教程,第12张

图12 绘制正六边形

使用中望3D设计卡套式管接头(图文教程),使用中望3D设计卡套式管接头,使用,教程,第13张

图13 拉伸布尔运算操作

3、选择“XZ”平面为基准面绘制草图,角为115°,如图14,单击旋转按钮,选择X轴为旋转中线,进行360°旋转切除操作,如图15所示;

使用中望3D设计卡套式管接头(图文教程),使用中望3D设计卡套式管接头,使用,教程,第14张

图14 旋转切除线草图

使用中望3D设计卡套式管接头(图文教程),使用中望3D设计卡套式管接头,使用,教程,第15张

图15 旋转切除操作

4、通过旋转、拉伸和简单的切除操作即可完成创建管接头,图16则是最后的设计结果。

使用中望3D设计卡套式管接头(图文教程),使用中望3D设计卡套式管接头,使用,教程,第16张

图16 管接头完成模型

    在本设计案例中,我们主要运用到了圆角、倒角、偏移、裁剪实体等基础功能,再加上旋转和切除功能的综合运用,即可快速地设计出卡套式管接头。其实,本案例中所运用到的相关功能,如果能熟练掌握,熟悉运用,对设计师进行其他产品设计也是非常有帮助的,中望3D是专业的三维CAD/CAM设计软件,具有易学易用、操作便捷的特点,能支持设计师高效地完成各项设计任务。

免责声明:
1;所有标注为智造资料网zl.fbzzw.cn的内容均为本站所有,版权均属本站所有,若您需要引用、转载,必须注明来源及原文链接即可,如涉及大面积转载,请来信告知,获取《授权协议》。
2;本网站图片,文字之类版权申明,因为网站可以由注册用户自行上传图片或文字,本网站无法鉴别所上传图片或文字的知识版权,如果侵犯,请及时通知我们,本网站将在第一时间及时删除,相关侵权责任均由相应上传用户自行承担。
[complaint:内容投诉]
智造资料网打造智能制造3D图纸下载,在线视频,软件下载,在线问答综合平台 » 使用中望3D设计卡套式管接头(图文教程)