首页
图纸下载
冲压模具
塑胶模具
数控编程
机械设备
家用电器
更多
软件下载
二维软件
三维软件
编程软件
CAE软件
系统软件
更多
图文资讯
软件应用
模具制造
机械制造
机械知识
平面设计
其他
软件安装
帮助中心
注册问题
登录问题
上传问题
下载问题
充值问题
更多
在线视频
新站课程
本站课程
在线问答
登录
注册
塑料
最新标签
HTML
入门
精通
摩托车
三轮
狂想
两栖
图文
作用
水泵
诱导
前置
视频
测试
咨询
售后
违规
注册
登录
充值
积分
流程
提现
编号
大小
提取
0167
XSSJUG
取值
旋切
毫米
按照
上传
退稿
稿件
无法
账号
注销
站上
qiufukang
右上角
绑定
下拉
帐号
原作者
以下简称
本站
协议
会员
其它
刀路
桃木
夹板
关联性
鸟瞰
文章
PAUSE
command
主视图
长度
RCDATA
计算
ID
开发
雕刻机
生成
注释
端盖
中设
标题
回到
外公切线
圆心
立体
实验
布局
浮动
外部
参照
网格
多线
显示
缩放
特性
编组
门厅
源点
附着
光源
图片
一圆
基点
SolidEdge
教程
属性
10.3
有的
弧段
正交
栅格
及图
文章排序
时间
标题
热度
留言
随机
黄金VIP免费
蜗轮可调节小车(塑料件小车)
NeadPay
塑料
塑料件
黄金VIP免费
塑料注射模具
NeadPay
模具
塑料
黄金VIP免费
塑料注射模具机
NeadPay
模具
塑料
黄金VIP免费
塑料发动机盖金属件漏装检测治具
NeadPay
塑料
金属件
黄金VIP免费
LED液晶显示屏面板前盖塑料模具
NeadPay
模具
塑料
塑料模具
显示
面板
黄金VIP免费
塑料热熔接铆合机
NeadPay
塑料
黄金VIP免费
超声波铆合机(大功率塑料焊接机)
NeadPay
塑料
黄金VIP免费
塑料瓶贴胶膜机
NeadPay
塑料
黄金VIP免费
自动塑料铆钉装配线 方案图
NeadPay
自动
装配
塑料
黄金VIP免费
全自动塑料壳链轮式组装机
NeadPay
自动
塑料
黄金VIP免费
塑料造粒机
NeadPay
塑料
模具钢材的性能以及应用、塑料材质选用合适的钢材!
模具设计
模具
性能
塑料
塑料成型工艺大全(附动画)
成型
塑料
模具
塑胶件产品超声波结构设计以及超声波原理
模具设计
塑料
模具设计全过程,建议小白收藏模具设计全过程,建议小白收藏
成型
塑料
分享注塑件设计重点,收藏吧!!!
产品
注塑
塑料
斜度
模具设计知多少?注塑件设计要点都在这
塑料
成型
圆角
注塑模具设计师必须懂的四个概念
塑料
粘度
你知道塑料模具设计需要注意哪些吗?
制件
模具
成型
尺寸
塑料
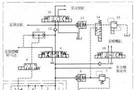
注塑机塑料成型设备液压系统工作原理
成型
塑料
这些注塑动图让你分分钟搞定所有塑料工艺!
注塑
塑料
必收藏的九大塑料注塑成型技术及其特点
塑料
你知道塑料注塑机的试模方法吗?
塑料
知道
一波注塑模具动图,让秒懂所有塑料工艺!
塑料
工艺
塑胶模具设计:12种注塑缺陷原因深度剖析全记录
制件
浇口
塑料
流道
造成
什么是塑胶模具?简要了解
成型
模具
塑料
三大塑料模具制造技术的先进性和高效性
塑料
塑料模具钢材的选择
塑料
选择
塑料模具加工速度的要求是什么
塑料
什么
常见的塑料配色方法常见的塑料配色方法
塑料
塑胶模具设计十大步骤
制件
模具
成型
塑料
要求
塑胶模具设计中的几个小问题,一看就懂!
塑料模具
设计
公差
塑料
1
2
3
首页
发布
用户中心
积分充值
开通会员
客服