首页
图纸下载
冲压模具
塑胶模具
数控编程
机械设备
家用电器
更多
软件下载
二维软件
三维软件
编程软件
CAE软件
系统软件
更多
图文资讯
软件应用
模具制造
机械制造
机械知识
平面设计
其他
软件安装
帮助中心
注册问题
登录问题
上传问题
下载问题
充值问题
更多
在线视频
新站课程
本站课程
在线问答
登录
注册
0.5
最新标签
HTML
入门
精通
摩托车
三轮
狂想
两栖
图文
作用
水泵
诱导
前置
视频
测试
咨询
售后
违规
注册
登录
充值
积分
流程
提现
编号
大小
提取
0167
XSSJUG
取值
旋切
毫米
按照
上传
退稿
稿件
无法
账号
注销
站上
qiufukang
右上角
绑定
下拉
帐号
原作者
以下简称
本站
协议
会员
其它
刀路
桃木
夹板
关联性
鸟瞰
文章
PAUSE
command
主视图
长度
RCDATA
计算
ID
开发
雕刻机
生成
注释
端盖
中设
标题
回到
外公切线
圆心
立体
实验
布局
浮动
外部
参照
网格
多线
显示
缩放
特性
编组
门厅
源点
附着
光源
图片
一圆
基点
SolidEdge
教程
属性
10.3
有的
弧段
正交
栅格
及图
文章排序
时间
标题
热度
留言
随机
ZBrush如何创建照片般真实的3D场景
设计
产品
0.5
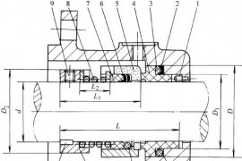
密封齿密封技术(图文教程)
结构
尺寸
0.5
耐腐蚀釜用机械密封(图文教程)
结构
0.5
温度
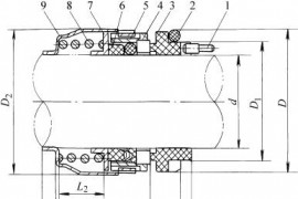
169型机械密封(图文教程)
尺寸
0.5
温度
168型机械密封(图文教程)
尺寸
0.5
温度
167型机械密封(图文教程)
尺寸
0.5
温度
154a型机械密封(图文教程)
尺寸
0.5
怎么判断电表是否正常(图文教程)
盘
温度
0.5
153a型机械密封(图文教程)
尺寸
0.5
B104a型机械密封(图文教程)
尺寸
0.5
在Photoshop中绘制精致的网球图标(图文教程)
0.5
选择
形状
104a型机械密封(图文教程)
尺寸
0.5
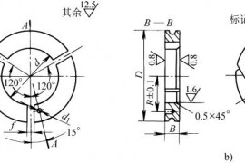
三、六瓣密封环规格(图文教程)
尺寸
0.5
加工
三瓣斜口密封环规格(图文教程)
尺寸
0.5
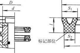
内包骨架旋转轴唇形油封尺寸系列(GB/T13871-1992)(图文教程)
尺寸
0.5
直径
液压缸活塞用带支承环密封沟槽形式、尺寸及公差(GB/T6577-1986)(图文教程) ...
尺寸
0.5
公差
塑料支承环和导向环尺寸及公差(GB/T10708.2-1989)(图文教程)
尺寸
0.5
公差
组合式密封圈的应用(图文教程)
用于
0.5
性能
C型液压活塞杆用防尘圈的沟槽型式、尺寸及公差(GB/T6578-1986)(图文教程) ...
尺寸
0.5
直径
A型液压活塞杆用防尘圈的沟槽型式、尺寸及公差 (GB/T6578-1986)(图文教程) ...
尺寸
0.5
公差
C型密封腔体用橡胶防尘封圈的尺寸及公差(GB/T10708.3-1989)(图文教程) ...
尺寸
0.5
公差
B型密封腔体用橡胶防尘封圈的尺寸及公差(GB/T10708.3-1989)(图文教程) ...
尺寸
0.5
公差
A型密封腔体用橡胶防尘封圈的尺寸及公差(GB/T10708.3-1989)(图文教程) ...
尺寸
0.5
公差
J形橡胶密封圈尺寸系列(图文教程)
尺寸
0.5
1.1
航天方面的基本知识-中国航空发展-导弹系列(图文教程)
设计
一般
0.5
活塞杆密封腔体L3用V形夹织物橡胶组合密封圈的尺寸及公差(GB/T10708.1-1989)(图文教程 ...
尺寸
0.5
公差
液压缸活塞动密封沟槽型式、尺寸及公差(GB/T2879-1986)(图文教程) ...
采用
尺寸
0.5
活塞杆密封腔体L2用橡胶密封圈的尺寸及公差(GB/T10708.1-1989)(图文教程) ...
尺寸
0.5
公差
活塞杆密封腔体L1用Y形橡胶密封圈的尺寸及公差(GB/T10708.1-1989)(图文教程) ...
尺寸
0.5
公差
活塞密封腔体L1用Y形橡胶密封圈的尺寸及公差(GB/T10708.1-1989)(图文教程) ...
尺寸
0.5
1.1
唇形密封圈类型(图文教程)
结构
用于
0.5
快速识别丝攻好坏的方法(图文教程)
选择
造成
0.5
1
2
3
首页
发布
用户中心
积分充值
开通会员
客服