首页
图纸下载
冲压模具
塑胶模具
数控编程
机械设备
家用电器
更多
软件下载
二维软件
三维软件
编程软件
CAE软件
系统软件
更多
图文资讯
软件应用
模具制造
机械制造
机械知识
平面设计
其他
软件安装
帮助中心
注册问题
登录问题
上传问题
下载问题
充值问题
更多
在线视频
新站课程
本站课程
在线问答
登录
注册
分度
最新标签
HTML
入门
精通
摩托车
三轮
狂想
两栖
图文
作用
水泵
诱导
前置
视频
测试
咨询
售后
违规
注册
登录
充值
积分
流程
提现
编号
大小
提取
0167
XSSJUG
取值
旋切
毫米
按照
上传
退稿
稿件
无法
账号
注销
站上
qiufukang
右上角
绑定
下拉
帐号
原作者
以下简称
本站
协议
会员
其它
刀路
桃木
夹板
关联性
鸟瞰
文章
PAUSE
command
主视图
长度
RCDATA
计算
ID
开发
雕刻机
生成
注释
端盖
中设
标题
回到
外公切线
圆心
立体
实验
布局
浮动
外部
参照
网格
多线
显示
缩放
特性
编组
门厅
源点
附着
光源
图片
一圆
基点
SolidEdge
教程
属性
10.3
有的
弧段
正交
栅格
及图
文章排序
时间
标题
热度
留言
随机
黄金VIP免费
简易滑动位置分度机构
NeadPay
机构
分度
AutoCAD2018绘制齿轮零件图(图文教程)
绘制
齿轮
齿根
实线
分度
三轴与五轴有什么区别,老师傅今天就教大家有什么区别
分度
坐标
设计培训
功能
“差速器加工难点”攻略,装夹不再困难一、差速器产品特点二、高精度分度卡盘加工方案三、总结
加工
分度
液压卡盘改造:从手动到自动分度控制一、分度卡盘的结构特征二、工作原理三、主要液压元件的作用结 语
分度
油缸
压力
分度盘技术: 气动分度盘一、什么是气动分度盘?二、分度盘的组成三、DHTG气动旋转分度盘构造四、液压缓冲器调节五、现场应用—导管/座圈上料系统结 语
分度
盘
全自动分度卡盘:一次装夹,多向加工前 言一、设计案例:一种液压自动分度卡盘二、产品实例结 语
分度
工件
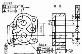
齿轮泵壳体孔的加工方法及夹具设计(图文教程)
分度
加工
圆柱
机械制图教程—9-6齿轮(图文教程)
齿轮
齿根
分度
齿轮相关参数详解(图文教程)
齿轮
分度
齿根
齿轮泵壳体孔的加工方法及夹具设计图文讲解
分度
加工
圆柱
1
首页
发布
用户中心
积分充值
开通会员
客服