1.钣金展开计算原理
板料在弯曲过程中外层受到拉应力,内层受到压应力,从拉到压之间有一既不受拉力又不受压力的过渡层--中性层,中性层在弯曲过程中的长度和弯曲前一样,保持不变,所以中性层是计算弯曲件展开长度的基准.中性层位置与变形程度有关,当弯曲半径较大,折弯角度较小时,变形程度较小,中性层位置靠近板料厚度的中心处,当弯曲半径变小,折弯角度增大时,变形程度随之增大,中性层位置逐渐向弯曲中心的内侧移动.中性层到板料内侧的距离用λ表示.

1. 90°折弯系数
公式:L=A+B-K
K:为下表内折弯系数
T:料厚
L: 展开后长度

材质 料厚(T) | 冷轧钢板 | 铝合金 | 不锈钢 | 紫铜 |
0.8 | 1.4 | 1.4 | 1.5 | --- |
1.0 | 1.7 | 1.65 | 1.8 | --- |
1.2 | 1.9 | 1.8 | 2.0 | --- |
1.5 | 2.5 | 2.4 | 2.6 | --- |
2.0 | 3.5 | 3.2 | 3.6 | 3.7(R3) |
2.5 | 4.3 | 3.9 | 4.4 | --- |
3.0 | 5.1 | 4.7 | 5.4 | 5.0(R3) |
3.5 | 6.0 | 5.4 | 6.0 | --- |
4.0 | 7.0 | 6.2 | 7.2 | 6.9(R3) |
注:<1>紫铜的折弯系数为折弯内角为R3时的折弯系数;如使用尖刀折弯,
折弯系数参照铝合金的折弯系数或通过试折确定。
<2>如有超出表格外经验证的系数,及时更新表格并通知各技术员进行补充.
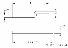
2.折床段差折弯系数
H:台阶深度
T:料厚
K’:折床压台阶折弯系数

材质(料厚T) 台阶深H | 冷轧钢板(料厚) | 铝合金(料厚) | 不锈钢(料厚) | ||||||
1.0 | 1.2 | 1.5 | 1.0 | 1.2 | 1.5 | 1.0 | 1.2 | 1.5 | |
T | 0.2 | 0.2 | 0.2 | 0.3 | 0.3 | 0.2 | 0.2 | 0.2 | 0.2 |
2T | 0.4 | 0.3 | 1 | 0.5 | 0.7 | 1.1 | 0.4 | 0.3 | 1 |
3T | 1 | 1.1 | 1.9 | 1.2 | 1.3 | 2.2 | 1 | 1.1 | 1.8 |
3.卷圆展开公式

免责声明:
1;所有标注为智造资料网zl.fbzzw.cn的内容均为本站所有,版权均属本站所有,若您需要引用、转载,必须注明来源及原文链接即可,如涉及大面积转载,请来信告知,获取《授权协议》。
2;本网站图片,文字之类版权申明,因为网站可以由注册用户自行上传图片或文字,本网站无法鉴别所上传图片或文字的知识版权,如果侵犯,请及时通知我们,本网站将在第一时间及时删除,相关侵权责任均由相应上传用户自行承担。
[complaint:内容投诉]
智造资料网打造智能制造3D图纸下载,在线视频,软件下载,在线问答综合平台 » 钣金展开计算原理(图文教程)
1;所有标注为智造资料网zl.fbzzw.cn的内容均为本站所有,版权均属本站所有,若您需要引用、转载,必须注明来源及原文链接即可,如涉及大面积转载,请来信告知,获取《授权协议》。
2;本网站图片,文字之类版权申明,因为网站可以由注册用户自行上传图片或文字,本网站无法鉴别所上传图片或文字的知识版权,如果侵犯,请及时通知我们,本网站将在第一时间及时删除,相关侵权责任均由相应上传用户自行承担。
[complaint:内容投诉]
智造资料网打造智能制造3D图纸下载,在线视频,软件下载,在线问答综合平台 » 钣金展开计算原理(图文教程)

