首页
图纸下载
冲压模具
塑胶模具
数控编程
机械设备
家用电器
更多
软件下载
二维软件
三维软件
编程软件
CAE软件
系统软件
更多
图文资讯
软件应用
模具制造
机械制造
机械知识
平面设计
其他
软件安装
帮助中心
注册问题
登录问题
上传问题
下载问题
充值问题
更多
在线视频
新站课程
本站课程
在线问答
登录
注册
板料
最新标签
HTML
入门
精通
摩托车
三轮
狂想
两栖
图文
作用
水泵
诱导
前置
视频
测试
咨询
售后
违规
注册
登录
充值
积分
流程
提现
编号
大小
提取
0167
XSSJUG
取值
旋切
毫米
按照
上传
退稿
稿件
无法
账号
注销
站上
qiufukang
右上角
绑定
下拉
帐号
原作者
以下简称
本站
协议
会员
其它
刀路
桃木
夹板
关联性
鸟瞰
文章
PAUSE
command
主视图
长度
RCDATA
计算
ID
开发
雕刻机
生成
注释
端盖
中设
标题
回到
外公切线
圆心
立体
实验
布局
浮动
外部
参照
网格
多线
显示
缩放
特性
编组
门厅
源点
附着
光源
图片
一圆
基点
SolidEdge
教程
属性
10.3
有的
弧段
正交
栅格
及图
文章排序
时间
标题
热度
留言
随机
黄金VIP免费
Autoform_R7软件下载
成形
模具
板料
薄板冲压模具问题与解决方案
模具
板料
冲压件设计及表面处理工艺冲压件的基本成型工艺冲压件设计注意事项冲压件的表面处理
弯曲
冲压件
变形
板料
冲压件的基本成型工艺及表面处理冲压件的基本成型工艺冲压件设计注意事项冲压件的表面处理
弯曲
冲压件
变形
板料
模具设计必备技能丨如何提高冲压件材料利用率?
板料
材料
零件
产品总是起皱,这个问题一直困扰着每一个设计人员!如何有效防范 ...
拉伸
冲压件
板料
北汽一款新型浮动切刀应用在落料模上,你有采取这样的吗? ...
切刀
板料
浮动
汽车模具耐热钢中厚板通用弯曲模设计,原来还可以这样做
板料
弯曲
成形
圆角
热冲压成型--CAE分析实例,干货满满!
板料
零件
成形
如图
工艺
汽车门板生产到第20件拉伤,第40件开裂!怎么办?
板料
间隙
制件
冲压模具在成形过程中要如何有效的避免弯曲回弹?这资料值得收藏 ...
弯曲
板料
成形
冲压件
五金冲压模具设计冲载工艺的设计要点指南,收藏了吗?
间隙
材料
冲孔
板料
冲压定位方式:汽车冲压件在模具中如何定位,这文章分析的很到位 ...
冲压件
定位
板料
成形
「精品分享」汽车纵梁成形回弹的处理方案,值得收藏
板料
制件
分享模具中的拉延筋布置及作用
成型
圆角
工艺
板料
五金冲压模具设计的核心要点!!!
间隙
材料
冲孔
板料
模拟AutoForm的热冲压工艺优化设计
成形
制件
板料
如图
冷却
五金冲压模具设计的工艺要点,值得收藏
间隙
材料
冲孔
板料
冲压起皱问题,一直是冲压工人的困扰!
拉伸
冲压件
板料
流动
五金模具|弯曲工艺与弯曲模具设计,值得学习
弯曲
变形
板料
应力
冲压零件成形常见问题
材料
板料
成形
工艺
五金模具设计冲压模具设计的核心要点
间隙
材料
冲孔
板料
汽车模具设计之冲压件滑移线数值模拟研究
板料
成形
正交
冲压模具设计-AUTOFORM的变压变力拉延成形讲解
板料
成形
AUTOFORM的变压变力拉延成形讲解
板料
成形
浅谈钣金无痕折弯技术
板料
mso
设计培训
变形
五金冲压模具设计培训-冲模研合率的方法
模具
零件
板料
基准
汽车模具设计:汽车铸件拉延模设计标准,赶快收藏
结构
板料
冲压模具设计-厚板料冲裁模具设计
模具设计
板料
冲压
冲压模具设计-影响五金冲压板料冲压成形性能的因素有哪些 ...
冲压
板料
模具设计
成形
机械制造工程_6.3板料的冲压成形(图文教程)
板料
成形
冲压
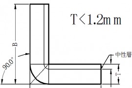
钣金展开计算原理(图文教程)
弯曲
板料
1
2
首页
发布
用户中心
积分充值
开通会员
客服