由装配图拆画零件图(拆图)是设计过程中的重要环节,也是检验看装配图和画零件图能力的一种常用方法。必须在全面看懂装配图的基础上,按照零件图的内容和要求拆画零件图。下面就介绍拆画零件图的一般方法步骤。
一、零件的分类处理
拆画零件图前,要对装配图所示的机器或部件中的零件进行分类处理,以明确拆画对象。按零件的不同情况可分以下几类:
1、标准件
大多数标准件属于外购件,故只需列出汇总表,填写标准人件的规定标记、材料及数量即可,不需拆画其零件图。
2、借用零件
是指借用定型产品中的零件,可利用已有的零件图,不必另行拆画其零件图。
3、特殊零件
是设计时经过特殊考虑和]计算所确定的重要零件,如汽轮机的叶片、喷嘴等。这类零件应按给出的图样或数据资料拆画零件图。
4、一般零件
是拆画的主要对象,应按照在装配图中所表达的形状、大小和有关技术要求来拆画零件图。
如图11—27钻模装配图,共26种零件,除去12捉标准件,其余14种为一般零件,需拆画零件图。此部件中无借用零件和特殊零件。
二、看懂装配图分离零件
按§11—8看装配图的方法步骤看懂装配图,弄清机器或部件的工作原理、装配关系、各零件的主要结构形状及功用,在此基础上将所要拆画的零件从装配线图中分离出来。现以图11—27钻模中的模板6为例,说明分离零件 的方法:
1、利用序号指引线
看看左视图,从序号6的指引线起端圆点,可代到模板的位置 和大致轮廓范围,从而知道它仅次于钻模上方。
2、用投影关系和形体分析法
看左视图联系主、俯视图,对投影,用形体分析法可知,模板为前部长方体,后部为圆形体,呈前低年高形状,并可知其上各孔的位置。
3、用剖面线、规定画法和配合代号
看左视图联系俯、主视图和剖视图“B—B”可知:
(1)模板与衬碱度7、V型压铁5这两个相邻剖面线方向、间隔不同,且接触面画一条线,很容易区分出来。模板衬碱度7注有配合代号 ,则模板此处庆为一光孔。
(2)模板的相邻件螺钉9、斜齿杆10、引导栏13由于受纵向剖切没画剖面线。模板与螺钉9以螺纹连接,可知模板此处为一M6螺纹通孔。
(3)模板与伴齿杆10连接处下压斜齿杆轴肩,上有螺母、垫圈紧固。斜齿杆与模板光孔处不接触画两人条线,可知模板此处为直径稍大于杆直径或上部螺纹大径的炮孔。
(4)模板与引导柱13上部连接处下压引导柱轴肩,孔轴配合处接触器画一条线,注有配合代号φ ,可知模板此处为一φ15H7光孔。两引导 柱孔中心距为52±0.01。
4、利用表达上的特点
看俯视图联系主、左视图阀到A—A和D—D剖切位置 ,知主视图(剖视图:A—A)和左视图(剖视图D—D)都没有剖到两个螺钉21,故主、左视图中未示出。但从这一表达特点和螺钉连接的特点,可以判定模与V型压铁5的结构,V型压铁上是两个下方不透的螺孔,因两沉头螺钉21均为M6×16,可知螺孔深庆大于16,而模板此处应为两个直径稍大于螺钉M6的通孔。
综合上述阅读方法和分析过程,便可完整地想象出模板的轮廓形状和它的7逐步形成孔的结构及其相对而言位置,从而将模板的视图从装配线图中分离出来,如图11—31所示。同样可将其他零件从装配线图中分离出来 。

三、零件视图表达方案
装配图的表达方案是从整修机器或部件遥角度考虑的重点是表达工作原理和装配关系;而零件表达方案则是从零件的设计和工艺要求出发,并根据零件的结构形状来确定的,零件图必须把零件结构形状表达完整清楚。因此,零件须装配图中所体现的视图方案不一定适合零件图的表达要求,故在拆画零件时不宜机械地照搬零件在装配图中的视图方案,而应重新全面考虑,一般应注意怪下几点:
1、视图的选择
箱体类零件视图应与装配(工作位置)一致;轴套类、轮盘类零件应按加工位置选择主视图叉架类零件应按工作或下放后选择主视图。
2、他视图的选择
根据零件的结构形状复杂和程度和特点,按第十章10——3所述原则和方法来按规定。
3、关于零件未示结构的补充
由于装配图不侧重表达零件的全部结构形状因此某些零件 的个别结构在装配图中可能表达不清或未给出完整形状;再者,零件上的标准结构要素(如倒角、圆角、退刀槽等)在装配图中又允许省略不画,所以在拆画零件图时,对这些在装配图中未示出的零件 结构应结合设计和工艺要求考虑,将其补画出来(对于被省略的标准结构要素,也可按简化表示法不画出,但必须注全尺寸或另加说明),以满足零件图要求。

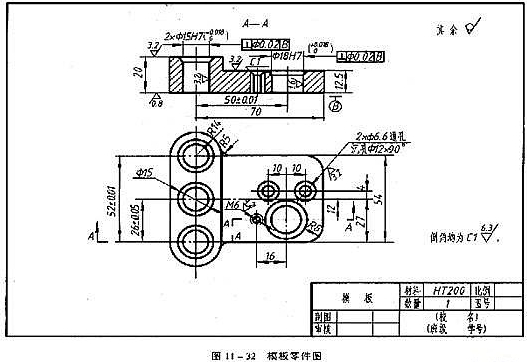
从图11—31可知,模板在装配图中的视图方案不能满足零件图的要求,应重新选定。经分析选定的最后表达方案如图11—32所示,该方案主视图重新放置,并用两平行的剖切的阶梯剖画成全剖视图“A—A”,表达了除2*6.6孔之外的各孔结构;俯视图表达了模板外形,2*◎6.6孔虽然在主视图上未被剖一因前后层次重垒,不宜同时剖切),但可在俯视图上以注“2*◎6.6通孔”的形式弥补。被除数省略的倒角、圆角也都补画齐全。这样就完整、清楚、简练地表达了模板的结构形状是一个可行的较好表达方案。
四、确定零件图上的尺寸
要按照正确、齐全清晰、合理的要求,标注所拆画零件 图上的尺寸。拆画的零件图,其尺寸来源可从以下几方面确定:
1、抄注
凡是装配图上已注出的尺寸都是比较重要的尺寸(五大尖)。这些尺寸数什可直接(或转换)抄注到相应的零件图上。配合尺寸就分别按孔、轴的公差带代号或查出偏差数值注在相应的零件有图上,如钻模装配图中◎18H7/h6 等于七处配合尺寸及注有公差要求的尺寸,都应准确地抄注在相应的零件图上,其他已知尺寸也应照抄无误.例如图11—32模板零件图中属于抄注的尺寸朦胧 :50+-0。05+-0。01、
2、查取
零件上的一些标准结构(如倒角、圆角、退刀槽等)的尺寸数值,应从有关标准中查取校对后进行标注;螺孔、键槽可查明细栏,从偶件中的另一标准件规定标记来确定。例如模板零件 图中属于查取的尺寸有:R5、R8、C1、M6。
3、计算
零件的某些尺寸数值,需根据装配线图所给定的有关尺寸和参数,经超额完成必要的计算或校核来确定 ,并不许圆整。如齿轮子分度圆直径,可根据模数和齿或齿数和中心距计算确定。
4.量取
装配线图中没有标注的其余尺寸,应按装配线图的比例在装配线图上直接量取后换算出,并按标准系列适当贺整,使之尽量符合标准江度或标准直径的数值。如模板零件图中,除抄注,查取的上述尺寸这外,其余尺寸都不得是从装配线图中最取后确定的。
根据上述尺寸来源,配齐拆画的零件图上的尺寸。标注尺寸时要恰当选择尺寸 蕨和标注形式与相关零件的配合尺寸、相对而言位置尺寸应协调一致,避免发生矛盾,功能尺寸应准确无误。
五、零件图上的技术要求
根据零件的作用,结合设计要求查阅有关手册或阅同类、相近产品的零件图来确定所拆画零件图上的表面粗糙度、尺寸公差、形位公差、热处理和表面处理等技术要求。模板零件图的技术要求,如图11—32中所示。最后填写标题栏。经上术步骤即完成所拆画的零件图。
1;所有标注为智造资料网zl.fbzzw.cn的内容均为本站所有,版权均属本站所有,若您需要引用、转载,必须注明来源及原文链接即可,如涉及大面积转载,请来信告知,获取《授权协议》。
2;本网站图片,文字之类版权申明,因为网站可以由注册用户自行上传图片或文字,本网站无法鉴别所上传图片或文字的知识版权,如果侵犯,请及时通知我们,本网站将在第一时间及时删除,相关侵权责任均由相应上传用户自行承担。
[complaint:内容投诉]
智造资料网打造智能制造3D图纸下载,在线视频,软件下载,在线问答综合平台 » 机械制图教程—11-9由装配图拆画零件图(图文教程)

