首页
图纸下载
冲压模具
塑胶模具
数控编程
机械设备
家用电器
更多
软件下载
二维软件
三维软件
编程软件
CAE软件
系统软件
更多
图文资讯
软件应用
模具制造
机械制造
机械知识
平面设计
其他
软件安装
帮助中心
注册问题
登录问题
上传问题
下载问题
充值问题
更多
在线视频
新站课程
本站课程
在线问答
登录
注册
装配图
最新标签
HTML
入门
精通
摩托车
三轮
狂想
两栖
图文
作用
水泵
诱导
前置
视频
测试
咨询
售后
违规
注册
登录
充值
积分
流程
提现
编号
大小
提取
0167
XSSJUG
取值
旋切
毫米
按照
上传
退稿
稿件
无法
账号
注销
站上
qiufukang
右上角
绑定
下拉
帐号
原作者
以下简称
本站
协议
会员
其它
刀路
桃木
夹板
关联性
鸟瞰
文章
PAUSE
command
主视图
长度
RCDATA
计算
ID
开发
雕刻机
生成
注释
端盖
中设
标题
回到
外公切线
圆心
立体
实验
布局
浮动
外部
参照
网格
多线
显示
缩放
特性
编组
门厅
源点
附着
光源
图片
一圆
基点
SolidEdge
教程
属性
10.3
有的
弧段
正交
栅格
及图
文章排序
时间
标题
热度
留言
随机
Pro/E工程图教程-(16)缸筒装配图(图文教程)
装配图
教程
Pro/E工程图教程-(21)摆动缸装配图(图文教程)
装配图
教程
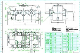
浩辰CAD2011机械_(17)减速器装配图(图文教程)
装配图
CAD2011
教程
CAXA绘制装配图时没有显示明细表是什么原因(图文教程)
显示
选项
装配图
在CAXA绘制装配图时没有显示明细表的解决方法
装配图
绘制
解决
在CAXA中如何利用图块消隐功能绘装配图
装配图
消隐
功能
浩辰cad减速器装配图绘制方法和技巧(图文教程)
装配图
绘制
技巧
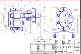
浩辰教程机械2012:(21)非标准减速器装配图绘制(图文教程) ...
绘制
零件
齿轮
装配图
利用中望CAD消隐功能快速绘制装配图(图文教程)
装配图
消隐
绘制
中望CAD中用消隐功能快速绘制装配图(图文教程)
装配图
消隐
绘制
在中望3D中实现装配图零部件序号分类有序布局(图文教程)
装配图
序号
布局
AutoCAD绘制装配图的方法和步骤(图文教程)
装配图
绘制
步骤
AutoCAD
AutoCAD绘制机械装配图的方法(图文教程)
装配图
绘制
AutoCAD
AutoCAD2007教程(六)图形打印及绘制装配图(图文教程)
装配图
打印机
设置
对话框
图形
CAD教程第33章-用 AutoCAD2004 拼画装配图(图文教程)
装配图
拼画
视图
插入
零件
自动化机械设计:装配图怎么画?有哪些技巧?70页PPT讲清楚了! ...
mso
font
模具设计
装配图
UG塑胶模具设计全过程-图档
图纸
装配图
零件
产品
五金冲压件模具装配图中对主视图的要求
主视图
零件
剖面
冲压件
装配图
典型零部件机械制图实例-圆钻模(图文教程)
工件
模板
装配图
十、装配图|AutoCAD机械制图教程(图文教程)
装配图
教程
制图
AutoCAD
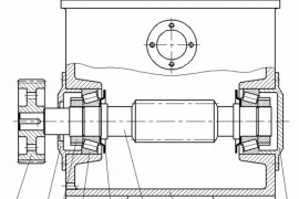
齿轮油泵测绘及工作原理介绍(图文教程)
装配图
零件
装配
齿轮
减速器装配图的画法(图文教程)
装配图
画法
教程
机械制图标准学习-装配图(图文教程)
装配图
制图
教程
机械制图-6.1装配图的作用(图文教程)
装配图
装配
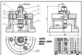
机械制图-6.8 部件测绘(图文教程)
零件
装配
装配图
压塑嵌接件画法(图文教程)
装配图
金属件
零件
机械制图教程—11-3装配图的视图选择(图文教程)
装配图
教程
制图
视图
机械制图教程—11-8看装配图的方法(图文教程)
装配图
教程
制图
机械制图教程—11-9由装配图拆画零件图(图文教程)
装配图
教程
制图
零件
机械制图教程-(8.1)装配图的作用和内容(图文教程)
装配图
教程
制图
机械制图教程(8.2)装配图的规定画法和特殊画法(图文教程)
画法
装配图
教程
制图
机械制图教程(8.4)装配图的零件序号和明细栏(图文教程)
装配图
教程
明细
制图
零件
1
2
首页
发布
用户中心
积分充值
开通会员
客服