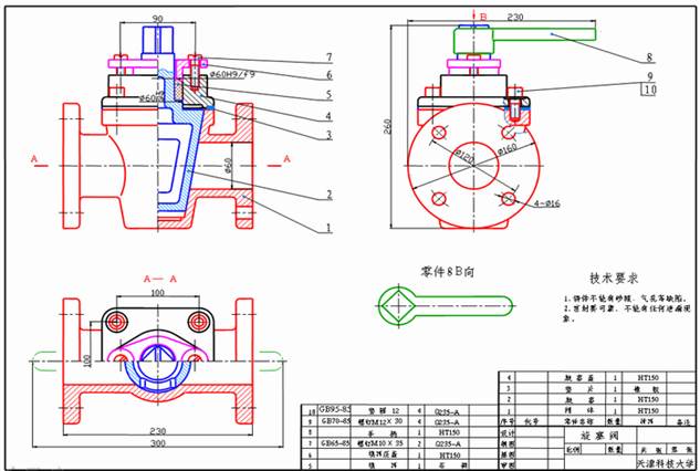
旋塞是安装在管路上,用来控制液体流量和启闭。 旋塞阀中的运动零件为手柄与旋塞,随着手柄转动带动旋塞转动,使得旋塞上的梯形孔转动,通过梯形孔与阀体管路相通或不相通来控制液体的启闭,通过相通的程度来控制液体的流量。当旋塞上的梯形孔与阀体管路完全相通时,阀门处于最大开通状态,随着手柄的转动,阀门将逐渐关闭,当手柄转过90度时,阀门完全关闭。

旋塞装配图由三个基本视图和一个单个零件的向视图, 主视图采用了半剖视图,表达了主要装配干线的装配关系,同时也表达了部件的外形; 左视图用局部剖视图,表达阀体1与旋塞盖4的连接关系和部件外形; 俯视图采用A-A半剖视图,既表达了部件的内部结构,又表达阀体1与旋塞盖4连接部分的形状。主,俯视图均采用了拆卸画法。零件8B向为表达单个零件手柄的形状。 
免责声明:
1;所有标注为智造资料网zl.fbzzw.cn的内容均为本站所有,版权均属本站所有,若您需要引用、转载,必须注明来源及原文链接即可,如涉及大面积转载,请来信告知,获取《授权协议》。
2;本网站图片,文字之类版权申明,因为网站可以由注册用户自行上传图片或文字,本网站无法鉴别所上传图片或文字的知识版权,如果侵犯,请及时通知我们,本网站将在第一时间及时删除,相关侵权责任均由相应上传用户自行承担。
[complaint:内容投诉]
智造资料网打造智能制造3D图纸下载,在线视频,软件下载,在线问答综合平台 » 典型零部件机械制图实例-旋塞(图文教程)
1;所有标注为智造资料网zl.fbzzw.cn的内容均为本站所有,版权均属本站所有,若您需要引用、转载,必须注明来源及原文链接即可,如涉及大面积转载,请来信告知,获取《授权协议》。
2;本网站图片,文字之类版权申明,因为网站可以由注册用户自行上传图片或文字,本网站无法鉴别所上传图片或文字的知识版权,如果侵犯,请及时通知我们,本网站将在第一时间及时删除,相关侵权责任均由相应上传用户自行承担。
[complaint:内容投诉]
智造资料网打造智能制造3D图纸下载,在线视频,软件下载,在线问答综合平台 » 典型零部件机械制图实例-旋塞(图文教程)

