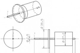
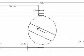
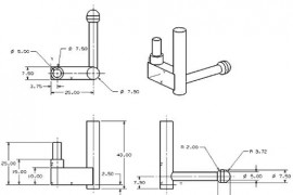
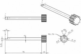
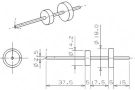
实例