GX…F型自润滑推力关节轴承的结构型式和外形尺寸(图文教程)

    GX…F型自润滑推力关节轴承结构型式和外形尺寸 

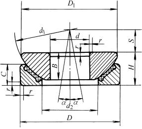
GX…F型自润滑推力关节轴承的结构型式和外形尺寸(图文教程),GX…F型自润滑推力关节轴承的结构型式和外形尺寸,结构,尺寸,0.5,第1张

E   (正 常)     系 列

尺     寸 /mm

α/(°)

d

D

H

B

C

d1

d2

D1

S

rsmin

10

30

9.5

7.5

7

32

15.5

27.5

7

0.6

9

12

35

13

9.5

9.3

38

18

32

8

0.6

8

15

42

15

11

10.8

46

22.5

39

10

0.6

8

17

47

16

11.8

11.2

52

27

43.5

11

0.6

10

20

55

20

14.5

13.8

60

31

50

12.5

1.0

9

25

62

22.5

16.5

16.7

68

34.5

58.5

14

1.0

7

30

75

26

19

19

82

42

70

17.5

1.0

7

35

90

28

22

20.7

98

50.5

84

22

1.0

8

40

105

32

27

21.5

114

59

97

24.5

1.0

9

45

120

36.5

31

25.5

128

67

110

27.5

1.0

9

50

130

42.5

33

30.5

139

70

120

30

1.0

7

60

150

45

37

34

160

84

140

35

1.0

8

70

160

50

42

36.5

176

94.5

153

35

1.0

8

80

180

50

43.5

38

197

107.5

172

42.5

1.0

8

100

210

59

51

46

222

127

198

45

1.1

8

120

230

64

53.5

50

250

145

220

52.5

1.1

6

免责声明:
1;所有标注为智造资料网zl.fbzzw.cn的内容均为本站所有,版权均属本站所有,若您需要引用、转载,必须注明来源及原文链接即可,如涉及大面积转载,请来信告知,获取《授权协议》。
2;本网站图片,文字之类版权申明,因为网站可以由注册用户自行上传图片或文字,本网站无法鉴别所上传图片或文字的知识版权,如果侵犯,请及时通知我们,本网站将在第一时间及时删除,相关侵权责任均由相应上传用户自行承担。
[complaint:内容投诉]
智造资料网打造智能制造3D图纸下载,在线视频,软件下载,在线问答综合平台 » GX…F型自润滑推力关节轴承的结构型式和外形尺寸(图文教程)