首页
图纸下载
冲压模具
塑胶模具
数控编程
机械设备
家用电器
更多
软件下载
二维软件
三维软件
编程软件
CAE软件
系统软件
更多
图文资讯
软件应用
模具制造
机械制造
机械知识
平面设计
其他
软件安装
帮助中心
注册问题
登录问题
上传问题
下载问题
充值问题
更多
在线视频
新站课程
本站课程
在线问答
登录
注册
型式
最新标签
HTML
入门
精通
摩托车
三轮
狂想
两栖
图文
作用
水泵
诱导
前置
视频
测试
咨询
售后
违规
注册
登录
充值
积分
流程
提现
编号
大小
提取
0167
XSSJUG
取值
旋切
毫米
按照
上传
退稿
稿件
无法
账号
注销
站上
qiufukang
右上角
绑定
下拉
帐号
原作者
以下简称
本站
协议
会员
其它
刀路
桃木
夹板
关联性
鸟瞰
文章
PAUSE
command
主视图
长度
RCDATA
计算
ID
开发
雕刻机
生成
注释
端盖
中设
标题
回到
外公切线
圆心
立体
实验
布局
浮动
外部
参照
网格
多线
显示
缩放
特性
编组
门厅
源点
附着
光源
图片
一圆
基点
SolidEdge
教程
属性
10.3
有的
弧段
正交
栅格
及图
文章排序
时间
标题
热度
留言
随机
黄金VIP免费
气缸型式的自动汽车连接器插针机
NeadPay
自动
型式
飞机的构造-飞机的机身-机身的形式(图文教程)
采用
一般
型式
滑动轴承上用的润滑槽型式与尺寸(图文教程)
尺寸
0.5
型式
薄型楔键型式及键槽尺寸(GB/T16922-1997)(图文教程)
尺寸
直径
型式
钩头锲键型式尺寸(GB/T1565-1979)(图文教程)
尺寸
型式
公差
普通楔键型式尺寸(GB/T1564-1979)(图文教程)
尺寸
型式
公差
导向平键型式尺寸(GB/T1097-1979)(图文教程)
尺寸
0.5
型式
普通平键型式尺寸(GB/T1096-1979)(图文教程)
尺寸
用于
型式
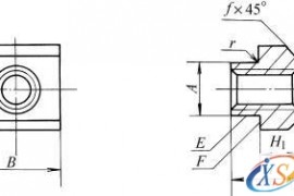
T形槽用螺母型式及尺寸(GB/T158-1996)(图文教程)
尺寸
0.5
型式
T形槽不通端型式及尺寸(GB/T158-1996)(图文教程)
尺寸
0.5
型式
燕尾导轨砂轮越程槽、矩形导轨砂轮越程槽型式及尺寸(GB/T6403.5-1986)(图文教程) ...
尺寸
0.5
型式
平面砂轮越程槽和V型砂轮越程槽的型式及尺寸(GB/T6403.5-1986)(图文教程) ...
尺寸
0.5
型式
联轴器的选择方法(图文教程)
型式
选择
冷冲压件结构设计:角部加强肋形状尺寸(图文教程)
冲压件
结构设计
角部
型式
间距
钻模的主要型式(图文教程)
型式
教程
埋弧焊焊接缝坡口的基本型式与尺寸(GB/T986-1998)(图文教程)
型式
尺寸
硬聚氯乙烯焊缝结构型式与尺寸(图文教程)
型式
尺寸
结构
气焊、手工电弧焊及气体保护焊焊缝坡口的基本型式与尺寸(GB/T985-1988)(图文教程) ...
型式
1
首页
发布
用户中心
积分充值
开通会员
客服