标 注 方 法 | 标 注 示 例 | |
形 | 公差要求在矩形方框中给出,该方框由两格或多格组成。框格中的内容从左到右按以下次序填写 ——公差特征的符号 ——公差值用线性值,如公差带是圆形或圆柱形的则在公差值前加注φ,如是球形的,则加注“Sφ” ——如需要用一个或多个字母表示基准要素或基准体系 |
|
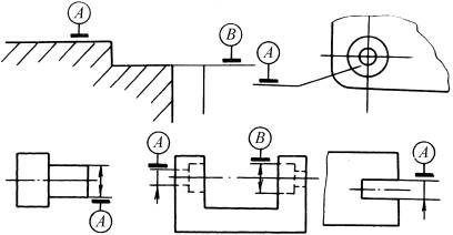
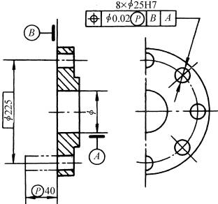
被 | 用带箭头的指引线将公差框格与被测要素相连,按以下方式标注: ——当公差涉及线或表面时,将箭头置于要素的轮廓线或轮廓线的延长线上(但必须与尺寸线明显分开) ——当指向实际表面时,箭头可置于带点的参考线上,该点指在实际表面上; ——当公差涉及轴线、中心平面或由带尺寸要素确定的点时,则带箭头的指引线应与尺寸线的延长线重合 ——当一个以上要素作为被测要素,如6个要素,应在公差框格上方标明如“6×”、“6槽” ——当同一被测要素有多项形位公差要求时,为方便起见可将一个公差框格放在另一公差框格的下面 |
|
基 | 相对于被测要素的基准,由基准字母表示。带小圆的大写字母用细实线与粗的短横线相连,表示基准的字母也应注在公差框格内 |
|
带有基准字母的短横线应放置于: ——当基准要素是轮廓线或表面时,在要素的X轮廓上或它的延长线上(但应与尺寸线明显区分开),基准符号还可置于用圆点指向实际表面的参考线上 ——当基准要素是轴线或中心平面或由带尺寸的要素确定的点时,则基准符号中的线与尺寸线一致。如尺寸线处安排不下两个箭头,则另一个箭头可用短横线代替 |
| |
单一基准要素用大写字母表示。由两个要素组成的公共基准,用横线隔开的两个大写字母表示。由2个或3个要素组成的基准体系,如多基准组合,表示基准的大写字母应按基准的优先次序从左至右分别置于各格中 为不致引起误解,字母E、I、J、M、O、P、L、R、F不用 |
| |
当需要在基准要素上指定某些点、线或局部表面来体现各基准平面时,应标注基准目标。当基准目标为点时,用“X”表示;当基准目标为线时,用细实线表示,并在棱边上加“X”;当基准目标为局部表面时,用细实线绘出该局部表面的图形,并画上与水平成45°的细实线 |
| |
如仅要求要素的某一部分作为基准,则该部分应用粗点划线表示并加注尺寸 |
| |
任选基准的标注 |
| |
公 | 除另有规定(图f、g)外,公差带的宽度方向就是给定的方向(见图a、b、c)或垂直于被测要素的方向(见图d、e) 对于圆度,公差带的宽度是形成两同心圆的半径方向 图f中的角度α(包括90°)必须注出 |
|
几个表面有同一数值的公差带要求的标注 |
| |
用同一公差带控制几个被测要素时,应在公差框格上注明“共面”或“共线” |
| |
如对同一要素的公差值在全部被测要素内的任一部分有进一步的限制时,该限制部分(长度或面积)的公差值要求应放在公差值的后面,用斜线相隔。这种限制要求可以直接放在表示全部被测要素公差要求的框格下面 |
| |
如仅要求要素某一部分的公差值,则用粗点划线表示其范围,并加注尺寸 |
| |
如要求在公差带内进一步限定被测要素的形状,则应在公差值后面加注符号: (-)表示只许中间向材料内凹下 (+)表示只许中间向材料外凸起
|
| |
最大实体要求的符号为“ 最小实体要求的符号为“ 可逆要求的符号为“ |
| |
包容要求的符号为“ |
| |
延伸公差带的符号为“ |
| |
对于非刚性的自由状态条件用符号 “ |
| |
特 | 全周符号 形位公差项目如轮廓度公差适用于横截面内的整个外轮廓线或整个外轮廓面时,应采用全周符号 |
|
螺纹、齿轮和花键标注 在一般情况下,螺纹轴线作为被测要素或基准要素均为中径轴线,如采用大径轴线则应用“MD”表示,采用小径轴线用“LD”表示 由齿轮和花键轴线作为被测要素或基准要素时,节径轴线用“PD”表示,大径(对外齿轮是顶圆直径,对内齿轮是根圆直径)轴线用“MD”表示,小径(对外齿轮是根圆直径,对内齿轮是顶圆直径)轴线用“LD”表示 |
| |
1;所有标注为智造资料网zl.fbzzw.cn的内容均为本站所有,版权均属本站所有,若您需要引用、转载,必须注明来源及原文链接即可,如涉及大面积转载,请来信告知,获取《授权协议》。
2;本网站图片,文字之类版权申明,因为网站可以由注册用户自行上传图片或文字,本网站无法鉴别所上传图片或文字的知识版权,如果侵犯,请及时通知我们,本网站将在第一时间及时删除,相关侵权责任均由相应上传用户自行承担。
[complaint:内容投诉]
智造资料网打造智能制造3D图纸下载,在线视频,软件下载,在线问答综合平台 » 形位公差在图样上的标注方法(图文教程)




















