一.产品介绍
塑料防盗瓶盖是目前瓶类包装的常用封装形式,尤其在饮料领域的应用更为广泛,根据其用途可分为碳酸饮料瓶盖和非碳酸饮料瓶盖。一般以聚烯烃为主要原材料,经过注塑、热压或其他工艺加工成型。塑料防盗瓶盖既要求便于消费者开启,又需要避免因密封性能不佳而导致泄露问题的发生。

图1防盗螺纹瓶盖产品图
如何合理的对瓶盖密封性能进行控制是生产者在线或离线检测的重点。塑料防盗瓶盖的主要指标参数为开启力矩和扭断力矩。
图2防盗螺纹瓶盖产品图
二.产品分析
塑料防盗环瓶盖的设计具有以下特点:
1、瓶盖的顶端内壁上设有环状防漏圈;
2、瓶盖的下端通过拉力加强筋(桥)连接一个防盗环;
3、同时在防盗环的内壁上均匀分布有若干条片状回旋拉力翼;
通过这样设计出的瓶盖具有封口牢固、防漏和防盗性能好,使用安全方便,可有效防止瓶内液体不受细菌污染,能确保各种饮料包装符合国家卫生标准等特点。国家标准GB/T17876-2010 专门针对此塑料防盗瓶盖的检测问题进行了明确的规定,如瓶盖开启扭矩力、热稳定性能、耐跌落性能、泄露与密封性能等。其中密封性能与瓶盖开启、扭紧力矩的评定是塑料防盗瓶盖密封性能解决的有效途径。
三.模具设计
防盗螺纹瓶盖产品图如图2所示,其最大外形尺寸为ø58.58 mm x 21.85 mm,塑件平均胶位厚度1.0mm,塑件材料为HDPE,缩水率为1.018,塑件技术要求为成型饱满、结构完整,表面光滑,无明显收缩、气泡、披峰、翘曲变形、缺损等各种缺陷,防盗环尺寸间隙均匀,不得撕裂和变形,塑件成型中不得使用脱模剂。外观检测为色泽均匀,无墨点、无锈迹、油污等外来附着物,无明显气味。防盗环与盖身有连接桥相连,连接桥无损坏。瓶盖印刷色调分明、清晰、顶面印刷图案中心对瓶盖外径中心的图案位置偏差值不大于1.5mm.
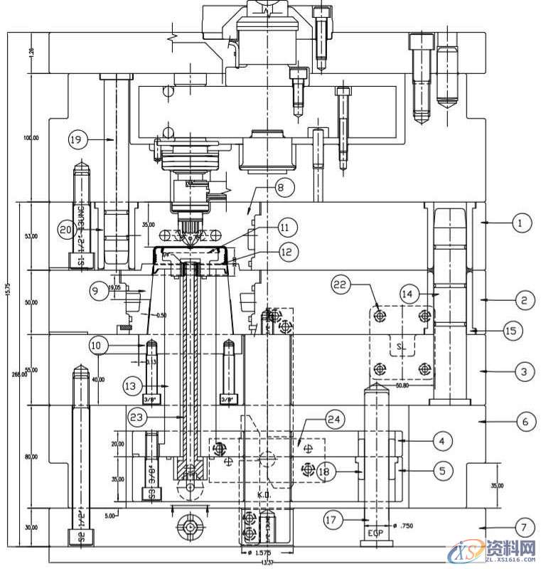
图3防盗螺纹瓶盖模具2D图
塑件生产批量较大,模具型腔排位为1 出4。模具为英制模具,模胚为340x381mm,非标模胚。在模胚四边分别设计一个零度定位块,便于模具准确合模,注塑时模具不会错位。前模仁镶件8 采用不锈钢420SS 制作,热处理硬度HRC48-50;后模仁镶件11 采用铍铜制作,硬度HRC38-40,便于模具冷却。

图4防盗螺纹瓶盖模具2D图
后模仁镶件12 采用H13 制作,热处理硬度HRC50;后模仁镶件10 采用S-7 制作,热处理硬度HRC56,推板镶件9 采用VIKING 制作,热处理硬度HRC52。以上材料的选择是北美大批量生产模具的典型钢材选择。模胚选用瑞典RAMAX 不锈钢制造。瓶盖类模具多采用外表面顶部一点进胶。模具浇注系统采用热流道系统。热流道品牌为德国HUSKY 系统。赫斯基注塑系统有限公司是全球最大的为塑料行业提供注塑设备和服务的供应商。赫斯基提供业界最广泛的产品系列,可用于制造各类塑料制品,如饮料瓶和瓶盖、食品容器、医疗器件和消费类电子产品部件等。赫斯基热流道系统实现了浇口系统优化、最佳浇注系统平衡和缩短注塑周期,具备优异的换色能力

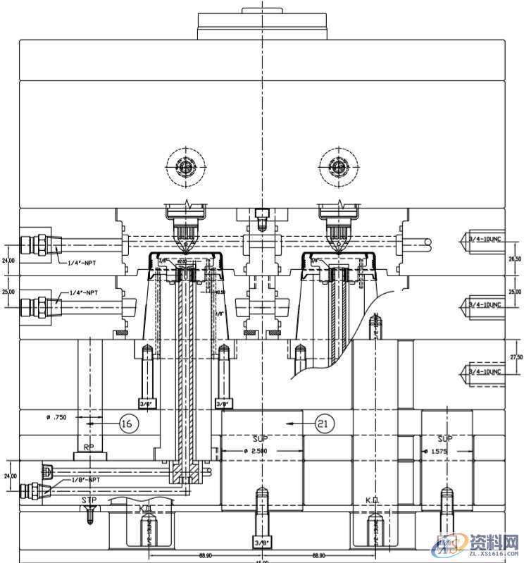
图5防盗螺纹瓶盖模具图

图6防盗螺纹瓶盖模具图
对于需要脱螺纹的模具,需要分析螺纹的牙型、螺距和深度。如果螺纹螺距较小,两个螺牙之间空间距离较小,且牙型细而尖锐,螺纹圈数多,这种螺纹一般较难强脱。一般圈数在3 圈以下的粗牙螺纹,即瓶盖螺纹,常用强脱的方式脱螺纹。本套模具的螺纹瓶盖,适合强制脱模,再加上材料为HDPE,为强脱螺纹提供了有利条件。
塑件口部边缘有回旋拉力翼,此部分胶位完全在动模之中。如果不采用二次顶出而直接强脱,则会使塑件变形断裂在模具中。模具的顶棍设计在模胚推板2 的底部。第一次顶出为注塑机顶出系统顶动模具的顶棍,使推板顶出塑件,在HASCO 扣机24 的作用下,推板与后模镶件11 将塑件顶出脱离后模镶件10,最后后模镶件11 停止运动,推板继续顶出,塑件被顶出模腔,实现脱模。

图7防盗螺纹瓶盖模具图
圆形镶件的冷却采用圆周冷却,组装时防止将胶圈挤坏,因此在直径上需要设计台阶。见模具设计图8.

图8防盗螺纹瓶盖模具图
东莞潇洒职业培训学校目前开设课程有:学历提升、积分入户、数控编程培训、塑胶模具设计培训,压铸模具设计培训、冲压模具设计培训,精雕、ZBrush圆雕培训、Solidworks产品设计培训、pro/E产品设计培训、AutoformR7工艺分析培训,非标自动化设计、PLC编程、CNC电脑锣操机、平面设计等培训,潇洒职业培训学校线下、线上等网络学习方式,随到随学,上班学习两不误,欢迎免费试学!
联系电话:13018636633(微信同号) QQ:1740467385
学习地址:东莞市横沥镇
1;所有标注为智造资料网zl.fbzzw.cn的内容均为本站所有,版权均属本站所有,若您需要引用、转载,必须注明来源及原文链接即可,如涉及大面积转载,请来信告知,获取《授权协议》。
2;本网站图片,文字之类版权申明,因为网站可以由注册用户自行上传图片或文字,本网站无法鉴别所上传图片或文字的知识版权,如果侵犯,请及时通知我们,本网站将在第一时间及时删除,相关侵权责任均由相应上传用户自行承担。
[complaint:内容投诉]
智造资料网打造智能制造3D图纸下载,在线视频,软件下载,在线问答综合平台 » 塑胶模具设计:防盗螺纹瓶盖的设计方法

