首页
图纸下载
冲压模具
塑胶模具
数控编程
机械设备
家用电器
更多
软件下载
二维软件
三维软件
编程软件
CAE软件
系统软件
更多
图文资讯
软件应用
模具制造
机械制造
机械知识
平面设计
其他
软件安装
帮助中心
注册问题
登录问题
上传问题
下载问题
充值问题
更多
在线视频
新站课程
本站课程
在线问答
登录
注册
加工 第16页
最新标签
HTML
入门
精通
摩托车
三轮
狂想
两栖
图文
作用
水泵
诱导
前置
视频
测试
咨询
售后
违规
注册
登录
充值
积分
流程
提现
编号
大小
提取
0167
XSSJUG
取值
旋切
毫米
按照
上传
退稿
稿件
无法
账号
注销
站上
qiufukang
右上角
绑定
下拉
帐号
原作者
以下简称
本站
协议
会员
其它
刀路
桃木
夹板
关联性
鸟瞰
文章
PAUSE
command
主视图
长度
RCDATA
计算
ID
开发
雕刻机
生成
注释
端盖
中设
标题
回到
外公切线
圆心
立体
实验
布局
浮动
外部
参照
网格
多线
显示
缩放
特性
编组
门厅
源点
附着
光源
图片
一圆
基点
SolidEdge
教程
属性
10.3
有的
弧段
正交
栅格
及图
文章排序
时间
标题
热度
留言
随机
内螺纹加工的小窍门(图文教程)
螺纹
加工
教程
CNC师傅总结的加工经验!(图文教程)
加工
齿轮泵壳体孔的加工方法及夹具设计(图文教程)
分度
加工
圆柱
机械孔加工技术(图文教程)
加工
教程
技术
数控车削加工薄壁零件的技巧(图文教程)
数控
零件
加工
关于铰孔加工(图文教程)
加工
工装在烟机零件加工中的应用(图文教程)
零件
加工
图文
电动液千斤顶的观察与加工方法(图文教程)
加工
刀具磨削加工怎样选择砂轮?(图文教程)
磨削
砂轮
加工
线切割加工技巧(图文教程)
加工
技巧
教程
钻孔加工五大关键问题(图文教程)
加工
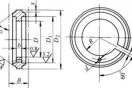
T形圈尺寸及加工精度(图文教程)
尺寸
加工
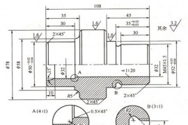
三、六瓣密封环规格(图文教程)
尺寸
0.5
加工
数控车软件应用竞赛模拟题(图文教程)
造型
加工
零件
数控车软件应用试题(图文教程)
造型
加工
零件
数控机床加工精度常用的基本知识(图文教程)
常用
加工
工件CNC编程常遇到的问题及解决方法(图文教程)
加工
精加工
设置
加工中心主轴轴承安装[视频](图文教程)
安装
加工
机械零件设计-切削加工工艺性结构(图文教程)
结构
加工
零件
机械结构设计-公差设计准则(图文教程)
配合
尺寸
加工
切削件结构设计:采用组合部件(图文教程)
改进
加工
结构设计
切削件结构设计:减少加工面积(图文教程)
结构设计
加工
套筒类零件数控车削工艺分析(图文教程)
零件
加工
焊接件结构设计:焊缝远离已加工面(图文教程)
结构设计
加工
加工中心的孔加工编程实例(图文教程)
加工
程序
精确加工复杂型面_研祥EIP数控机床应用方案(图文教程)
加工
数控电火花线切割加工实例(图文教程)
数控
实例
加工
机械制造与工艺全书-8 典型零件的加工(图文教程)
零件
加工
基准
Cimatron数控刀具高效加工教程(图文教程)
加工
参数
数控
典型CAM平台数控铣削加工编程功能对比应用(图文教程)
加工
行位(图文教程)
采用
加工
数控机床操作教程-(1)绪论(图文教程)
加工
14
15
16
17
18
首页
发布
用户中心
积分充值
开通会员
客服