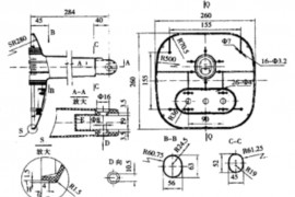
注塑 第3页